0 引 言
温湿度的测量在仓储管理、生产制造、气象观测、工农业生产、科学研究以及日常生活中被广泛应用,传统的模拟式湿度传感器一般都要设计信号调理电路并需要经过复杂的校准和标定过程,因此测量精度难以保证,且在线性度、重复性、互换性、一致性等方面往往不尽人意。为了克服这些缺点,本设计采用瑞士 Sensiri-on公司生产的具有I2C总线接口的单片全校准数字式相对湿度和温度传感器SHT10。该传感器采用独特的CMOSensTM技术,具有数字式输出、免调试、免标定、免外围电路及全互换的特点。
1 系统组成与硬件设计
本设计是实现温度和湿度的测量,通过单片机(STC89C52)直接控制SHT10,将得到的温度和湿度数据显示在液晶屏上,同时还显示当时的测量时期与时间,通过按键记录温度与湿度和与之对应的时期与时间。利用串口可以传送到上位机。原理框图如图1所示。

(1)电源部分:电源采用9 V(4.5~20 V都可以)电池作为输入,通过电压转换芯片SPX1117输出5 V电压,为系统提供电源,电源电路图如图2所示。调节R2与R1之间的比值可以调节输出电压的大小:Vout=VREF(1+R2/R1),VREF=1.25 V。

(2)单片机与SHT10接口电路部分:两者都采用I2C接口,由于STC89C52没有I2C接口,所以通过模拟来实现。DATA需要一个外部的上拉电阻(例如:4.7 kΩ)将信号提拉至高电平,单片机最小系统且与SHT10.AT24C04接口电路如图3所示。

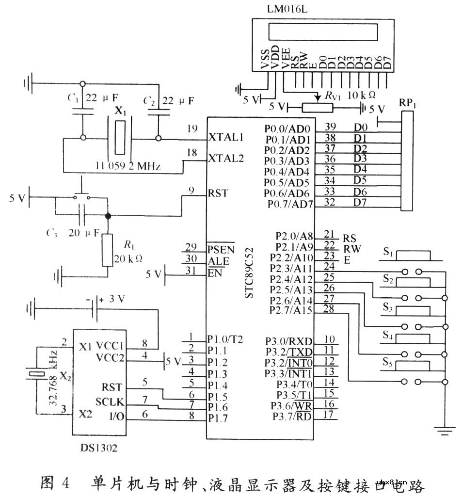
(3)单片机与时钟芯片DS1302接口电路部分:DS1302是美国DALLAS公司推出的一种高性能、低功耗的实时时钟芯片,采用SPI三线接口与 CPU进行同步通信,可提供秒、分、时、日、星期、月和年,一个月小于31天时可以自动调整,且具有闰年补偿功能。工作电压2.5~5.5 V。应用电路如图4所示。

(4)单片机与液晶显示屏的接口电路部分:液晶显示屏的数据接口线与单片机的P0口相接,P2.0、P2.1、P2.2用于使能和控制对液晶屏的读写等操作。具体的电路如图4所示。
(5)单片机与数据存储芯片AT24C04接口电路部分:AT24C04具有I2C接口,但STC89C52没有此接口,因此要通过模拟实现。连接电路如图3所示。
(6)按键部分:按键功能如下,具体电路如图4所示。

(7)与上位机串口通信部分,该部分采用RS 232通信模式,采用MAX232接口芯片,完整的原理图如图5所示。
0 0相关热词:#基于SHT10的便携 #电子电路图
电感器设计流程和见解
时间:2026-05-01
什么是触发器?触发器的作用是什么?
时间:2026-05-01
什么是电源?电源是如何进行分类的?
时间:2026-05-01
电驱动NVH的特点和结构
时间:2026-05-01
什么是霍尔传感器?
时间:2026-05-01
电负性的计算方法
时间:2026-04-30
电导的定义_电导的单位_电导怎么算
时间:2026-04-30
什么是计数器_计数器的作用
时间:2026-04-30
什么是欧姆定律_欧姆定律公式
时间:2026-04-30
RAID是什么?RAID有哪些?
时间:2026-04-30
电阻的原理和作用 电阻色环识别图 电路中电...
时间:2026-03-09
NVIDIA CPU+GPU超级芯片大升级!
时间:2026-03-09
什么是室温超导?半导体时代将走向结束?芯...
时间:2026-03-09
石英灯电子变压器电路原理
时间:2026-03-06
什么是硅片或者晶圆?一文了解半导体硅晶圆
时间:2026-03-09
半导体光刻工艺 光刻—半导体电路的绘制
时间:2026-03-09
一文详解MOS管驱动电路拓扑的设计
时间:2026-03-09
汽车芯片业应汲取的教训
时间:2026-03-09
压敏电阻型号的含义
时间:2026-03-05
半导体行业之ICT技术简介
时间:2026-03-09