用机械万用表检测晶体管
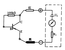
万用表粗测晶体管时,万用表应置于电阻档,其等效电路如图1中虚线框内所示,其中以R0为等效内阻,U0为表内电压源。当万用表置于R×1、R×100、R×1k档时,U0=1.5V。 1、测二极管
万用表置R×lk档,两表笔分别接二极管的两极,若测得的电阻较小(硅管数干欧、锗管数百欧),说明二极管的PN结处于正向偏置,则黑表笔接的是正极,红表笔接的是负极。反之二极管处于反向偏置时,呈现的电阻较大(硅管约数百千欧以上,锗管约数百干欧),则红表笔接的是正极, 黑表笔接的是负极。 若正反向电阻均为无穷大或均为零或比较接近,说明二极管内部开路或短路或性能变差。



新型植入式气体传感器问世,可在人体内溶解
时间:2026-03-16
美国康奈尔大学官网
时间:2026-03-16
差压传感器的典型应用_差压传感器的安装
时间:2026-03-16
建筑物中的物联网传感器可以做什么?
时间:2026-03-16
物位传感器有哪些_物位传感器的实际应用
时间:2026-03-16
物位传感器的工作原理_物位传感器的特点
时间:2026-03-16
陀螺仪传感器的分类_陀螺仪传感器有什么用
时间:2026-03-16
模糊传感器的结构_模糊传感器的应用
时间:2026-03-16
小米重磅发布人体传感器2
时间:2026-03-16
中小企业受困 CIS 芯片缺货
时间:2026-03-16
玻璃釉电容器的结构与特点
时间:2026-03-05
电阻的标称阻值和允许偏差
时间:2026-03-05
石英灯电子变压器电路原理
时间:2026-03-06
变压器并列运行的条件浅析
时间:2026-03-06
关于STM32WL LSE 添加反馈电阻后无法起振的...
时间:2026-03-05
可调电阻怎么接线
时间:2026-03-05
压敏电阻有正负极吗
时间:2026-03-05
碳膜电阻如何识别_金属膜电阻器和碳膜电阻器...
时间:2026-03-05
晶体三极管放大电路的非线形失真及其解决办...
时间:2026-03-07
怎样测试三极管的好坏,NPN三极管如何知道是...
时间:2026-03-07