引 言
LED背光源目前大致可以分为直下式和侧光式两种。直下式是在液晶显示器的整个背面全部设计LED灯:侧光式是在液晶显示器的边缘设计LED灯。一般情况下,在30in以上的大尺寸液晶电视中应用直下式背光源,30in以下则可用侧光式背光源。
本文所设计的直下式LED背光源,尺寸为47in,内容涉及了背光源结构和电路设计,包括对LED灯的排布进行设计,这些基于电路板来实现。同时,电路板的尺寸、形状、元器件安排则根据背光源的结构来确定。安装完电路板之后,再在上面盖上所需的光学膜材,并安装各种构件,以组装成一个完整的背光源。测试结果为中心亮度11,230nits、整体功耗178W 、均匀度96.26%、色彩还原性达到NTSC标准的128.15%.远远超过了CCFL背光源的70%.
1 与CCFL技术的对比分析
1.1 CCFL的特点
CCFL是填充了惰性气体的密封玻璃管,当在管上加高电压时,气体电离产生紫外(UV)光,UV光激励内部磷光粉涂层,产生可见光。
CCFL具有的特点包括白光源、低成本、长寿命(大于25,000小时)、高电压驱动、含有有毒气体汞。
目前,以CCFL作为背光源是液晶电视的主流。但是CCFL存在一个本质的缺点,即能够达到的色域(即电视机的色彩表现范围)较小,普通的CCFL一般只能够达到NTSC(美国国家电视系统委员会)色域标准的72% ,而且它含有汞这种有毒气体,不符合绿色环保的要求。
1.2 LED的特点
LED作为新的发光源有很多优点,例如节能、环保、尺寸小、反应快速、寿命长等。
LED作为背光源最显着的优点是可以提供前所未有的色彩还原性,通过选择合适短波长的LED和与之相配的彩膜,LED背光源的色彩还原范围可以达到美国国家电视系统委员会标准的105% ,甚至可以达到1 20% 以上。在画质上,LED背光源显示得更加鲜艳和明亮。
但是LED也有一些缺点,首先是价格,在大尺寸范围内,LED背光源的价格是CCFL背光源的3~5倍左右:其次是发光效率,目前商用的LED发光效率最高的约为60~801m/W ,而CCFL的发光效率约为80~1001m/W ;最后就是散热,对于大尺寸的背光源来说,LED工作时会散发出大量的热。
不过随着技术的发展,LED的不足正在逐步改善:
1)发光效率。由于CCFL是圆柱形,它所发出的光是无方向性的。当它放在LCD屏幕下方时,尽管采用半圆形反光镜,仍然有相当多的一部分光被浪费掉了。而LED通常采用侧光辐射,它的光能比较有效地被利用。因此从总体来看,它的效率仍然比CCFL要高,而且LED的发光效率还在逐年提高;2)动态背光技术的提出,不仅解决了散热问题,而且还得到了亮度均匀、降低功耗等一系列的好处。
2 LED背光源的设计
本文设计了一台47in的LED背光源。由于背光源所需要的亮度较大,使用的LED数目很多,所以采用直下式背光源结构。
在进行LED背光源设计的时候,首先要做的就是对LED进行选择,针对液晶屏上使用的彩膜选择适合的LED,再进行电路设计。本设计采用的是小功率、RGB三色的LED。
如图1所示,电路板上由LED灯组、连接器、电路芯片、安装孔组成。其中每个LED灯组是由R、G、B三颗不同颜色的LED灯组成,LED灯组为一个发光单元,如图2所示。

图1 LED灯条(1.电路板:2.绿色LED;3.红色LED;4.蓝色LED;5.连接器;6.电路芯片;7.安装孔)

图2 LED 灯组
由于背光源是一种均匀的面光源,采用LED作为发光器件,就必须计算好LED之间的距离,即图2中表示出的d ,这样才能够更有效地混光、混色,不产生光斑。本设计是采用RBG三颗LED灯,呈三角形分布,d1=6mm,对于47in的背光源,共使用了1,008个这样的单元,以42×24矩阵。
根据色温和亮度的计算,设计LED的电流为红色23mA、绿色55mA、蓝色40mA.每个单元进行单独驱动,采用恒流驱动方式,驱动芯片采用德州仪器(T1)的TLC5941。
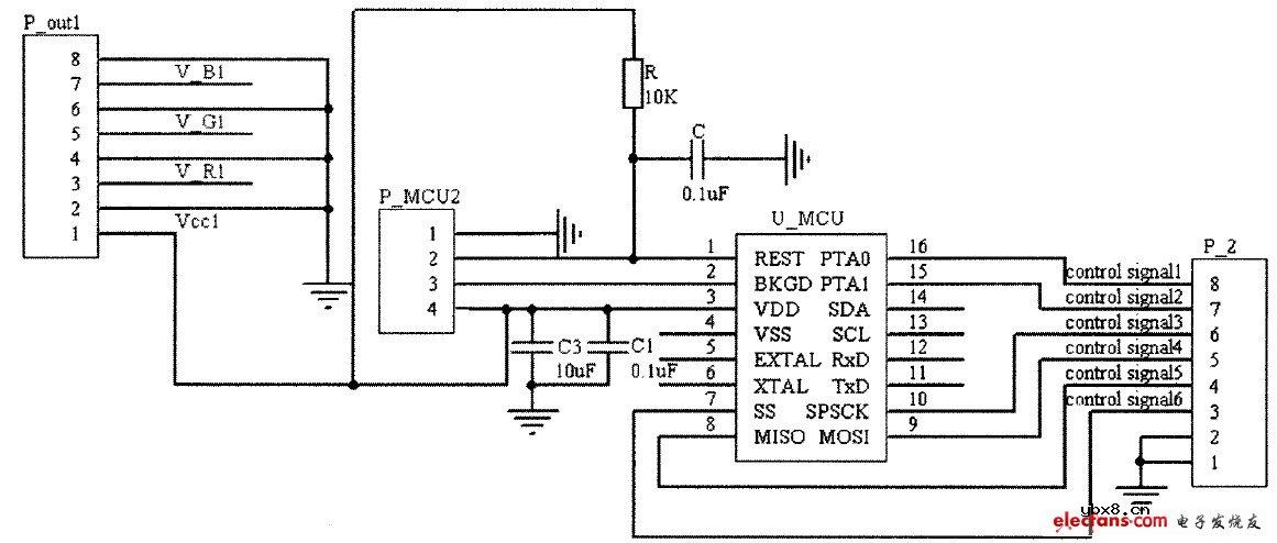
由原理图3可以看出,电源电路给TCL5941芯片提供电源的同时给LED灯组提供点亮电压。控制信号给TCL5941提供控制信号,TCL5941根据接收到的控制信号的要求对LED的亮度进行控制。

图3 驱动电路原理图
具体的电路图如图4、5、6所示,这里需要说明的是,所有的图纸都是用Altium Designer6软件绘制。

图4 电源电路图

图5 TCL5941电路图

图6 控制电路图
什么是PCA?何时应该使用PCA?
时间:2026-04-28
仪表放大器放大倍数分析
时间:2026-04-28
射频微波设计入门
时间:2026-04-28
变压器结构
时间:2026-04-28
8种进行简单线性回归的方法分析与讨论
时间:2026-04-28
什么是RS485通信接口
时间:2026-04-28
简单的上色装置
时间:2026-04-26
液晶屏对比度温度补偿
时间:2026-04-26
双输入视频多路复用的电缆驱动器
时间:2026-04-26
带有75Ω负载的抗阻匹配线路驱动器
时间:2026-04-26
NVIDIA CPU+GPU超级芯片大升级!
时间:2026-03-09
电阻的原理和作用 电阻色环识别图 电路中电...
时间:2026-03-09
什么是室温超导?半导体时代将走向结束?芯...
时间:2026-03-09
石英灯电子变压器电路原理
时间:2026-03-06
半导体光刻工艺 光刻—半导体电路的绘制
时间:2026-03-09
什么是硅片或者晶圆?一文了解半导体硅晶圆
时间:2026-03-09
汽车芯片业应汲取的教训
时间:2026-03-09
半导体行业之ICT技术简介
时间:2026-03-09
压敏电阻有正负极吗
时间:2026-03-05
实用模拟电路小常识浅析
时间:2026-03-09