漏电保护器,简称漏电开关,又叫漏电断路器,主要是用来在设备发生漏电故障时以及对有致命危险的人身触电保护,具有过载和短路保护功能,可用来保护线路或电动机的过载和短路,亦可在正常情况下作为线路的不频繁转换启动之用。
漏电保护器的主要部件是个磁环感应器,火线和零线采用并列绕法在磁环上缠绕几圈,在磁环上还有个次级线圈。当同一相的火线和零线在正常工作时,电流产生的磁通正好抵销,在次级线圈不会感应出电压。如果某一线有漏电,或未接零线,在磁环中通过的火线和零线的电流就会不平衡,而产生穿过磁环的磁通,在次级线圈中感应出电压,通过电磁铁使脱扣器动作跳闸。
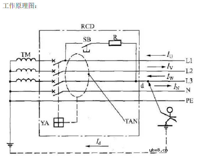
下面是单相线路的示意图,三相或三相四线线路的原理相同。

如果漏电保护器在安装时各接线柱未接牢固,时间一长,往往会导致接线柱发热、氧化,使电线绝缘层被烧焦,并伴有打火和橡胶、塑料燃烧的气味,造成线路欠压使漏电保护器跳闸。
用户在购买漏电保护器时,应尽量到信誉好的定点厂家或商店购买,千万不要图一时便宜向一些个体户购买“三无”漏电保护器,这样往往得不偿失。
随着家用电器得不断普及,许多家庭的负载电流已远远超过线路上漏电保护器的额定电流,造成漏电保护器跳闸。这种情况一般多发生在空调、电水壶等大功率家电的使用,一般只要重新换一只匹配的漏电保护器,问题便可迎刃而解了。
如果是家电等负载漏电或短路而使漏电保护器跳闸,只要拔掉有故障的家电插头,便可以重新送电;如果是线路漏电或短路,相对来说比较棘手,可先解决一些简单故障,让部分线路暂时恢复送电。具体做法为:当漏电保护器跳闸后,首先把各分路断开,再把漏电保护器送上,当送上某分路时漏电保护器即跳闸,则可以断定此分路有故障。只要断开此分路,其他各分路就可以恢复用电。此时,如果发现某房间的插座或灯具没电,故障往往就在这一带。
这种情况虽不多见,但十分危险,一般发生在三相四线制供电的住宅楼(现在的住宅楼普遍这样供电)。由于三相不平衡或老鼠等小动物的捣乱,使电源总零线断路发生电压漂移,相电压可由220V变成380V,会使漏电保护器跳闸。辨别这种故障,一是用电笔测一下进线是否都带电;二是看看左邻右舍是否也有跳闸现象,如果有则大多数属于这种故障;三是用万用表测一下进线电压。此时,请千万不要强行合漏电保护器开关,否则极易造成家电烧坏,严重时还会导致火灾等不良后果。另外,进线遭受雷击也会造成过电压引起漏电保护器跳闸。
总之,一旦家用漏电保护器跳闸,检查时应遵循先简后繁的原则。首先察看安装是否良好,其次检查电源进线电压是否偏高(看看左邻右舍)和漏电保护器本身有无问题(卸掉出线送电),再有就是看漏电保护器能否承受家电的负载,最后再查看是否负载、线路漏电或短路。如果实在查找不出来原因,就不要盲目乱动,应请专业人员来查。否则把线路搞乱反而不利于排除故障。
当被保护电路中有漏电或人身触电时,只要漏电电流达到动作电流值,零序电流互感器的二旋绕组就输出一个信号,并通过漏电线路板处理指令漏电脱扣器动作,从而切断电源起到漏电和触电保护作用。

将剩余电流动作断路器手柄扳向ON位置时,通过机械机构带动动触头向静触头运动并与静触头可靠接触,接通电路。当线路发生剩余电流或触电故障时,零序电流互感器输出的信号触发可控硅导通,使剩余电流脱扣器铁心动作,推杆推动断路器脱扣,使剩余电流动作断路器在极短时间内切断电源,从而实现剩余电流保护功能。

一、用于人身安全保护为什么要求动作电流(I△n)<30mA?
因为通过大量的动物试验和研究表明,引起心室颤动不仅与通过人体的电流(I)有关,而且与电流在人体中持续的时间(t)有关,即由通过人体的安全电量Q=I×t来确定,一般为50mA.就是说当电流不大于50mA,电流持续时间在0.1S以内时,一般不会发生心室颤动。但是,如果按照50mA·S来控制,当通电时间很短而通过的电流很大时(例如500mA×0.1S ),仍然会引发心室颤动的危险,虽然低于50mA·S不会发生致死的严重后果,但也会导致触电者失去知觉,或发生二次伤害事故,实践证明,用30mA·S作为电击保护装置保护特性,无论从使用的安全性还是制造的便利性来说都比较合适,且与50mA·S相比较有1.67倍的安全系数(K=50/30=1.67),另外,人体感知电流:男为1.1mA、女为0.7mA;摆脱电流男为16mA女为10.5mA;相对比较接近“30mA·S”这个安全限值,且即使触电电流达到100mA,只要断路器在0.1S之内动作并切断电源,对人体尚不会引起致命的危险。
二、用于人身安全保护为什么要求在分断时间t≤0.1(S)秒?
因为我们人类的心脏每收缩扩张一次有0.1秒的间歇,而在这0.1秒内,心脏对电流最敏感,若电流在这一瞬间通过心脏,即使电流较小,也会引起心脏颤动,造成生命危险。
声控开关安装接线方法_声控开关接线实物图
时间:2026-03-13
行程开关实物接线图
时间:2026-03-13
温度开关的分类_温度开关的选型
时间:2026-03-13
温度开关作用_温度开关检测及使用
时间:2026-03-13
温控开关坏了什么症状_温控开关怎么检测好坏
时间:2026-03-13
温控开关常开常闭区别
时间:2026-03-13
震动开关原理_震动开关的使用
时间:2026-03-13
四脚轻触开关原理和封装尺寸
时间:2026-03-13
轻触开关与薄膜开关的区别
时间:2026-03-13
薄膜开关基本结构_薄膜开关技术参数
时间:2026-03-13
电阻的标称阻值和允许偏差
时间:2026-03-05
玻璃釉电容器的结构与特点
时间:2026-03-05
变压器并列运行的条件浅析
时间:2026-03-06
关于STM32WL LSE 添加反馈电阻后无法起振的...
时间:2026-03-05
可调电阻怎么接线
时间:2026-03-05
压敏电阻有正负极吗
时间:2026-03-05
碳膜电阻如何识别_金属膜电阻器和碳膜电阻器...
时间:2026-03-05
电容器入门教程
时间:2026-03-05
科普:电子入门基础知识之各种电容器的识别
时间:2026-03-05
电容的作用和工作原理 电容具有什么特点 简...
时间:2026-03-05