触摸开关按开关原理分类有电阻式触摸开关和电容式触摸开关,在多种技术中,电容式触摸感应技术已经成为触摸感应技术的主流,在按键方案上,能为产品带来整体的外观档次提升。
电容式感应触摸开关可以穿透绝缘材料外壳 20mm (玻璃、塑料等)以上, 准确无误地侦测到手指的有效触摸,保证了产品的灵敏度、稳定性、可靠性等不会因环境条件的改变或长期使用而发生变化,并具有防水和强抗干扰能力。
电容感应式触摸开关,需要稳定的单火线电源处理以及稳定可靠的触摸感应芯片,做到防误触发、防各种电磁干扰、负载干扰、环境干扰、甚至需要防水防尘功能等智能触摸开关功能要求。
触摸开关按开关原理分类有电阻式触摸开关和电容式触摸开关,在多种技术中,电容式触摸感应技术已经成为触摸感应技术的主流,在按键方案上,能为产品带来整体的外观档次提升。
电容式感应触摸开关可以穿透绝缘材料外壳 20mm (玻璃、塑料等)以上, 准确无误地侦测到手指的有效触摸,保证了产品的灵敏度、稳定性、可靠性等不会因环境条件的改变或长期使用而发生变化,并具有防水和强抗干扰能力。
电容传感技术为开发人员提供了一种与用户互动的全新方式,在设计一个电容感应式触摸开关时,需要考虑许多不同的因素。从以往的使用经验来看,在各种不同的工作条件下,开关的灵敏性必须与多种情况相兼容。本节我们要讨论在设计电容感应式触摸开关PCB触点图形时,各种不同的排板设计对开关灵敏度的影响,包括电容式传感技术如何使器件具有更高的可靠性以及管理电容式传感技术的控制器如何通过提供更多功能为客户带来增值服务和降低维护成本。
机械开关比较容易磨损,甚至磨坏产品外壳,导致缺口或裂口处侵入污染物。电容式传感器就不会发生损坏产品外壳的情况,也不会出现缺口粘连物,更不会出现磨损。因此,采用这种技术的开关器件是替代多种机械开关产品的理想选择。
如下图所示,电容式开关主要由两片相邻的电路极板构成,而根据物理原理,两片极板之间会产生电容。如果手指等导体靠近这些极板,平行电容(parallelcaPACi-tance)就会与传感器相耦合。将手指置于电容式传感器上时,电容量会升高;移开手指,电容量则会降低,通过测量电容量就可以判断手指的碰触。

电容式传感器由两片电路极板及相互之间的一定空间所构成。这些电路极板可以是电路板的一部分,上面直接覆盖绝缘层,当然,也可以使极板顺应各种曲面的弧度。
构建电容式开关的要素包括:电容器、电容测量电路系统、从电容值转换成感应状态的局部智能装置。
典型的电容式传感器电容值介于10~30pF之间。通常来说,手指经由Imm绝缘层接触到传感器所形成的耦合电容介于1~2pF的范围。越厚的绝缘层所产生的耦合电容愈低。若要传感手指的触碰,必须实现能够检测到1%以下电容变化的电容传感电路。
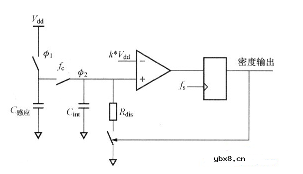
增量求和调制器是一种用于测量电容的高效、简单的电路,下图给出了典型的拓扑结构。相位开关使传感器电容向积分电容中注入电荷。该电压持续升高,直到大于参考电压为止。比较器转为高电压,使放电电阻器开始工作。在积分电压降至参考电压以下时,该电阻器停止工作。比较器提供所需的负反馈,使积分器电压与参考电压相匹配。

在第1阶段,传感电容(Csensor)的充电达到供电电压水平;在第2阶段,电荷被传输至积分电容(Cint)。反馈使积分电容上的电压接近参考电压(kVdd)的值。每次启动该开关组合都会传输一定量的电荷。对于下式显示的充电电流而言,电荷传输的速度与开关频率(fc)成正比

放电电流通过电阻实现。在比较器高电压时,会启动开关以连接至放电电阻。比较器按一定比例在高、低压间循环,以使积分电容电压等于参考电压。可将比较器为高电压时的百分比定义为“DensitYout”,仅在这部分百分比的时间段放电。有关电流的计算为

在稳定状态下,充电电流与放电电流必须匹配。设置IC使其与ID相匹配,则得到

传感器电容与密度成正比。已知采样频率、放电电阻以及参考电压(VDDK),只需测量密度就能计算出传感器的电容。可使参考电压与供电电压成正比,这样供电电压就对电容/密度的计算结果没有影响了,这也使得该电路对于电源具有较强的抗波动能力。
数字电路用于检测密度,下图给出了这种电路的范例。

该脉宽调制器(PWM)可控制密度输入至计数器(enablegate),如果PWM的脉宽为“m”个周期,假设在这段时间中计数器积累了“n”个采样,那么密度则为n/m;如果PWM的脉宽为100个周期,就会得到1/100的分辨率,这个时间再扩大10倍,则得到1110000的分辨率。观测的周期数越大,分辨率也就越高。
触摸传感电容开关不带任何机械部件,并能轻松顺应曲面应用的要求,因而能够成为当前各类产品应用的理想技术。利用动态再配置功能,我们可实现硬件的重复使用,在不增加额外成本的情况下实现更多的系统功能。
光有一个触摸感应开关是不能使用的,除非系统能可靠测定开关所处的状态。使用机械开关来实现电气连接是没问题的,如果机械开关能合理地连接,那么能正确地决定开或关的状态。使用感应触摸开关时,开关所处的状态有时很难明显界定。
电容感应式触摸开关在实际应用时,可能会出现:当使用者的手指在碰到触摸开关时,触摸感应开关端的电容还没有充分地充电而手指已经离开了触摸点,那这时开关的状态处于何种状态呢?因此当手指碰触时,为了增加检测开关的可靠性,使电容充电最佳化,下列几项内容对充电电容的性能参数影响较大。
(1)尺寸、形状和在PCB上的开关放置位置。
(2)连接在PCB和使用者手指之间的材料。
(3)连接到开关与MCU之间连线参数。
上述这些条件,对触摸式感应开关的灵敏度都有直接的影响,因此必须正确设计感应开关。
声控开关安装接线方法_声控开关接线实物图
时间:2026-03-13
行程开关实物接线图
时间:2026-03-13
温度开关的分类_温度开关的选型
时间:2026-03-13
温度开关作用_温度开关检测及使用
时间:2026-03-13
温控开关坏了什么症状_温控开关怎么检测好坏
时间:2026-03-13
温控开关常开常闭区别
时间:2026-03-13
震动开关原理_震动开关的使用
时间:2026-03-13
四脚轻触开关原理和封装尺寸
时间:2026-03-13
轻触开关与薄膜开关的区别
时间:2026-03-13
薄膜开关基本结构_薄膜开关技术参数
时间:2026-03-13
电阻的标称阻值和允许偏差
时间:2026-03-05
玻璃釉电容器的结构与特点
时间:2026-03-05
关于STM32WL LSE 添加反馈电阻后无法起振的...
时间:2026-03-05
可调电阻怎么接线
时间:2026-03-05
压敏电阻有正负极吗
时间:2026-03-05
碳膜电阻如何识别_金属膜电阻器和碳膜电阻器...
时间:2026-03-05
变压器并列运行的条件浅析
时间:2026-03-06
电容器入门教程
时间:2026-03-05
电容的作用和工作原理 电容具有什么特点 简...
时间:2026-03-05
贴片电阻的阻值识别方法
时间:2026-03-05