1.图1直接控制方式
2.图2控制接触器、线圈电压220VAC/50HZ
3.图3控制接触器、线圈电压380VAC/50HZ

参考使用
1.例如控制器每天下午6点自动打开电源,到夜里2点关闭电源,按以下操作
2.调好时间后按一下“设定键”显示器上显示如图4,按住“时键”显示器显示如图5。再按一下“设定键”显示器显示如图6,按住“时键”显示器显示如图7。以上调整完再按一下“时钟键”显示器恢复显示北京时间。再按“手动键”可以直接开或关闭电路,然后每天控制器按自动运行。

注意事项
1.为防强电流下融点发热,接线时务必拧紧接线柱的螺钉
2.控制器进线220VAC/50-60HZ电源,切勿接到380VAC
3.填订单时,希望电源电压,订制:24V、110V、380VAC
4.控制器红灯亮有电进入,红绿灯同时亮开关有电输出
5.设定的时间,不能交叉设定,应按时间的顺序设定
1、打开或锁定键盘:按住“时钟键”同时按住“取消/恢复键”几秒,锁定显示标志“锁”。
2、按住“时钟键”同时再按“星期键,时键,分键”,调整北京时间。
3、设定开关时间:
步骤,按键,设定项目
1)按(手动),使显示器的三角形在自动位置
2)按(设定),进入定时开设定(显示1开)
3)按(星期),设定每天相同,每天不同,星期一至星期五相同,或星期六至星期日相同
4)按(时)(分),设定开的时间
5)按(设定),进入定时关设定(显示1关)
6)按(时)(分),设定关的时间
7)重复2)~6),设定第2~6次,2~12次开关的时间
8)按(时钟),结束时间设定
*如果不需要6个,12个开关定时按(时钟)键,返回实际时间。
*如果设定错误或取消设定按(取消)键,再按一次恢复原来的设定。
*无设定时显示(----)。
4、检查:按(设定)检查所有设定的时间是否正确。
5、修改:请在该设定处按(取消)键,然后重新设定该定时开关时间及星期。
6、结束检查:按(时钟)键结束检查及设定,显示时钟。
7、手动控制:按(手动)键,即可实现随意的开和关或自动运行。
电脑定时控制开关能够根据用户设定的时间,自动接通和关闭用电设备,控制对象可以是路灯、霓虹灯、广告灯、生产设备、广播电视设备。
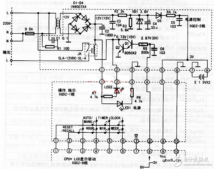
KG316T电脑时控开关的控制板电路和键控控制、LED指示板电路如图所示,图中元件、排线端子编号为绘制时自行标注。
市电经变压器隔离、降压后、再经D1~D4桥式整流、C2滤波,一方面为控制电路提供直流工作电压(时控开关开启时为12V,关闭时为15V)。并使LED1发光,指示时控开关已经接入市电;另一方面再经R2限流、R3分压、VDl稳压、在C4两端形成3.6V的稳定电压,再经D5降压、R4限流,为电脑电路和液晶显示电路提供3V工作电源。内附电池E保证在停电时设定的数据不丢失和电脑计时的不间断,长期供液晶显示时钟和微电脑电路运行。电路中D5在时控开关不接入电源或停电时起隔离作用,防止内附电池经R3耗电。
当时控开关设定为“自动状态”,电脑计时到达设定的某组“开”的时间时,电脑控制输出端(XGDZ—B板排线端子⑧)输出接近3V的高电平,送往XGDZ-2板端子④,经R5驱动Ql饱和,继电器线圈中流过电流,常开触点吸合,时控开关处于“开”态。同时继电器线圈两端的压降使LED2点亮,指示目前处于工作“开”态。
当电脑计时到达设定的某组“关”的时间时,微电脑控制输出端变为0V低电平,Q1、Q2截止,继电器释放,时控开关转为关态,同时,由于Ql、Q2截止,继电器线圈两端变为等电位,LED2熄灭,指示目前时控开关处于关状态。
当选择手动操作将时控开关设定为“开”或“关”的状态时,电脑控制输出端子分别输出高电平或低电平,控制、指示电路工作过程与设置为自动时相同。
1.到达设定时间,时控开关没有自动开启
如果确认设置的时间和状态符合要求,则是设定自动状态时的设定顺序不对。KG316T电脑时控开关在按“自动/手动”键设定“开、自动、关”时的转换顺序是往复变换式,不是循环方式。在设定为自动方式时应先将指示状态的三角形箭头,由对应当时所处状态的位置转换到“自动”位置。
2.电源指示灯不亮、开关不动做
将时控开关脱离市电,查市电输入接线端是否有2.4k左右的阻值,这是12V变压器初级绕组阻值,它随变压器所用线径和匝数的不同有很大差异。若呈输入端开路,查0.5A保险管是否烧断。若变压器损坏则要更换体积相差不大的12V变压器。变压器整流输出电压实测在继电器释放状态为15V左右,继电器吸合后降为12V左右。
3.使用或放置长时间后,不接入市电时液晶显示屏显示字符淡或不显示
此为内附电池电量不足或失效所致,需更换两节5号高性能电池。注意不要用充电电池更换,因为充电电池电压太低。
4.时控开关关不断
此故障多为Q1、Q2短路损坏造成。
查出后可用常见的2s8050晶体管更换,Q1也可用9013等普通小功率NPN管代换。继电器损坏后代换时应考虑负荷大小,最好用同型号代换。

时控开关正常工作时,电路关键点实测电压如图1中所标注,括号内为继电器释放(关态)时电压值。

声控开关安装接线方法_声控开关接线实物图
时间:2026-03-13
行程开关实物接线图
时间:2026-03-13
温度开关的分类_温度开关的选型
时间:2026-03-13
温度开关作用_温度开关检测及使用
时间:2026-03-13
温控开关坏了什么症状_温控开关怎么检测好坏
时间:2026-03-13
温控开关常开常闭区别
时间:2026-03-13
震动开关原理_震动开关的使用
时间:2026-03-13
四脚轻触开关原理和封装尺寸
时间:2026-03-13
轻触开关与薄膜开关的区别
时间:2026-03-13
薄膜开关基本结构_薄膜开关技术参数
时间:2026-03-13
电阻的标称阻值和允许偏差
时间:2026-03-05
玻璃釉电容器的结构与特点
时间:2026-03-05
关于STM32WL LSE 添加反馈电阻后无法起振的...
时间:2026-03-05
可调电阻怎么接线
时间:2026-03-05
压敏电阻有正负极吗
时间:2026-03-05
碳膜电阻如何识别_金属膜电阻器和碳膜电阻器...
时间:2026-03-05
变压器并列运行的条件浅析
时间:2026-03-06
电容器入门教程
时间:2026-03-05
电容的作用和工作原理 电容具有什么特点 简...
时间:2026-03-05
贴片电阻的阻值识别方法
时间:2026-03-05