行程开关,位置开关(又称限位开关)的一种,是一种常用的小电流主令电器。利用生产机械运动部件的碰撞使其触头动作来实现接通或分断控制电路,达到一定的控制目的。通常,这类开关被用来限制机械运动的位置或行程,使运动机械按一定位置或行程自动停止、反向运动、变速运动或自动往返运动等。
常规国产行程开关:
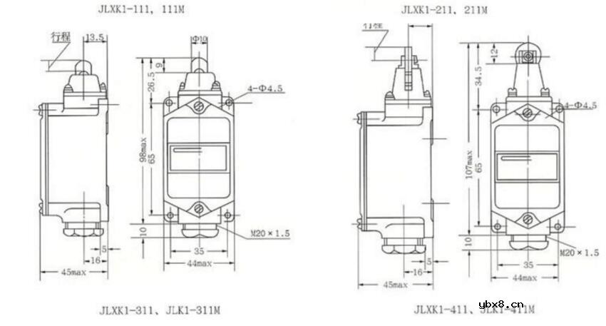
常规行程开关中LX19系列中的LX19-001/111,LXK3系列中的LXK3-20S/T,JLXK1系列JLXK1-111/411/511最具代表力,这些产品有结构简单、功能实用、价格低廉的优势深受广大使用者的青睐。
进口行程开关:
进口行程开关中WL系列、HL系列、D4V系列、SZL-WL系列最具代表力,此类产品做工精细、性能优越、在极端环境中的表现更为突出,赢得了大批的粉丝,但价格高昂也令不少用户咋舌。
耐高温行程开关:
在国产的耐高温行程开关中最具影响力的就是YNTH系列耐高温行程开关,一般性用在炼钢厂的比较多。YNTH行程开关能在高温的环境中正常工作,最高工作温度为350度,工作环境的温度增高产品的寿命就会相应的下降,超过300度要减低开关的工作量来保证产品的寿命。此系列行程开关价格低廉,性能稳定赢得了广大客户的一致好评。
防水行程开关:
国产防水行程开关中YNFS(TZ)系列较为突出。YNFS行程开关具有体积小、灵敏度高、密封性强、耐油防腐蚀的特点,最令人惊叹的是此类行程开关可以放在水中工作令同类产品望尘莫及。
行程开关的应用方面很多,很多电器里面都有它的身影。那这么简单的开关能起什么作用呢?它主要是起连锁保护的作用。最常见的例子莫过于其在洗衣机和录音机(录像机)中的应用了。
在洗衣机的脱水(甩干)过程中转速很高,如果此时有人由于疏忽打开洗衣机的门或盖后,再把手伸进去,很容易对人造成伤害,为了避免这种事故的发生,在洗衣机的门或盖上装了个电接点,一旦有人开启洗衣机的门或盖时,就自动把电机断电,甚至还要靠机械办法联动,使门或盖一打开就立刻“刹车”,强迫转动着的部件停下来,免得伤害人身。
在录音机和录像机中,我们常常使用到快进或者倒带,磁带急速地转动,但是当到达磁带的端点时会自动停下来。在这里行程开关又一次发挥了作用,不过这一次不是靠碰撞而是靠磁带的张力的突然增大引起动作的。
行程开关主要用于将机械位移转变成电信号,使电动机的运行状态得以改变,从而控制机械动作或用作程序控制。
行程开关真正的用武之地是在工业上,在那里它与其它设备配合,组成更复杂的自动化设备。
机床上有很多这样的行程开关,用它控制工件运动或自动进刀的行程,避免发生碰撞事故。有时利用行程开关使被控物体在规定的两个位置之间自动换向,从而得到不断的往复运动。比如自动运料的小车到达终点碰着行程开关,接通了翻车机构,就把车里的物料翻倒出来,并且退回到起点。到达起点之后又碰着起点的行程开关,把装料机构的电路接通,开始自动装车。总是这样下去,就成了一套自动生产线,用不着人管,日以继夜地工作,节省了人的体力劳动。


简单的上色装置
时间:2026-04-26
液晶屏对比度温度补偿
时间:2026-04-26
双输入视频多路复用的电缆驱动器
时间:2026-04-26
带有75Ω负载的抗阻匹配线路驱动器
时间:2026-04-26
伺服测试驱动电路
时间:2026-04-26
睡眠模式电路
时间:2026-04-26
索尼万花筒
时间:2026-04-26
业余无线电使用的语音标识符
时间:2026-04-26
声乐表演者电路
时间:2026-04-26
ISD 100A的录制/回放电路
时间:2026-04-26
NVIDIA CPU+GPU超级芯片大升级!
时间:2026-03-09
电阻的原理和作用 电阻色环识别图 电路中电...
时间:2026-03-09
什么是室温超导?半导体时代将走向结束?芯...
时间:2026-03-09
石英灯电子变压器电路原理
时间:2026-03-06
半导体光刻工艺 光刻—半导体电路的绘制
时间:2026-03-09
什么是硅片或者晶圆?一文了解半导体硅晶圆
时间:2026-03-09
汽车芯片业应汲取的教训
时间:2026-03-09
半导体行业之ICT技术简介
时间:2026-03-09
压敏电阻有正负极吗
时间:2026-03-05
实用模拟电路小常识浅析
时间:2026-03-09