接近开关又称接近传感器,接近式位置开关是运动部件无机械接触而可以操作的位置开关。当运动物体靠近开关到一定位置时,开关发出信号,达到行程控制及计数自动控制的一种非接触式无触点的位置开关。它有感应头、高频振荡器、放大器和外壳组成。接近开关实物图和图形文字符号如下:
接近开关实物图
接近开关实物图

接近开关图形符号(SQ)

接近开关文字符号(SQ)
电容/电感/霍尔式接近开关的工作原理
1、电感式接近开关工作原理
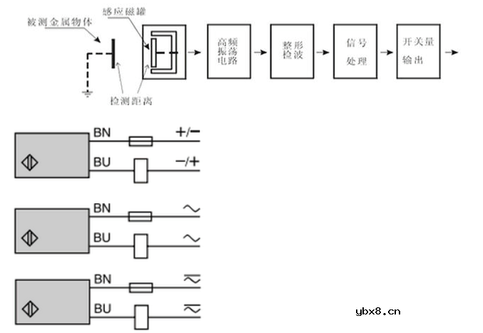
电感式接近开关属于一种有开关量输出的位置传感器,它由LC高频振荡器和放大处理电路组成,利用金属物体在接近这个能产生电磁场的振荡感应头时,使物体内部产生涡流。这个涡流反作用于接近开关,使接近开关振荡能力衰减,内部电路的参数发生变化,由此识别出有无金属物体接近,进而控制开关的通或断。这种接近开关所能检测的物体必须是金属物体。工作流程方框图及接线图如下所示:




2、电容式接近开关工作原理
电容式接近开关亦属于一种具有开关量输出的位置传感器,它的测量头通常是构成电容器的一个极板,而另一个极板是物体的本身,当物体移向接近开关时,物体和接近开关的介电常数发生变化,使得和测量头相连的电路状态也随之发生变化,由此便可控制开关的接通和关断。这种接近开关的检测物体,并不限于金属导体,也可以是绝缘的液体或粉状物体,在检测较低介电常数ε的物体时,可以顺时针调节多圈电位器(位于开关后部)来增加感应灵敏度,一般调节电位器使电容式的接近开关在0.7-0.8Sn的位置动作。工作流程方框图及接线图如下所示:

3、霍尔式接近开关工作原理
当一块通有电流的金属或半导体薄片垂直地放在磁场中时,薄片的两端就会产生电位差,这种现象就称为霍尔效应。两端具有的电位差值称为霍尔电势U,
其表达式为U=K·I·B/d其中K为霍尔系数,I为薄片中通过的电流,B为外加磁场(洛伦慈力Lorrentz)的磁感应强度,d是薄片的厚度。 由此可见,霍尔效应的灵敏度高低与外加磁场的磁感应强度成正比的关系。我门销售的霍尔开关就属于这种有源磁电转换器件,它是在霍尔效应原理的基础上,利用集成封装和组装工艺制作而成,它可方便的把磁输入信号转换成实际应用中的电信号,同时又具备工业场合实际应用易操作和可靠性的要求。
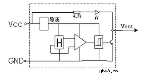
霍尔开关的输入端是以磁感应强度B来表征的,当B值达到一定的程度(如B1)时,霍尔开关内部的触发器翻转,霍尔开关的输出电平状态也随之翻转。输出端一般采用晶体管输出,和接近开关类似有NPN、PNP、常开型、常闭型、锁存型(双极性)、双信号输出之分。 霍尔开关具有无触电、低功耗、长使用寿命、响应频率高等特点,内部采用环氧树脂封灌成一体化,所以能在各类恶劣环境下可靠的工作。霍尔开关可应用于接近开关,压力开关,里程表等,作为一种新型的电器配件。
霍尔开关的功能类似干簧管磁控开关,但是比它寿命长,响应快无磨损,而且安装时要注意磁铁的极性,磁铁极性装反无法工作。
内部原理图及输入/输出的转移特性和接线图如下所示:


1、接近开关类型的选择
检测金属的首先选用电感式,检测非金属时优先选用电容式,检测磁信号的选用磁感式接近开关。
2、接近开关外观的选择
一般常选用圆柱螺纹形状,可根据实际需要来选择。
圆柱螺纹形状的接近开关
3、检测距离的选择
根据需要选用,一般厂家说明书上都会注明检测距离。
4、信号的输出选择
交流接近开关输出交流信号,而直流接近开关输出直流信号。特别注意:负载的电流一定要小于接近开关的输出电流,否则应添加转换电路。
5、开关频率的选择
开关频率指接近开关每秒从“开”到“关”转换的次数。直流接近开关可达到200Hz,交流接近开关只能达到25Hz。
6、额定电压的选择
交流接近开关优选AC 220V和AC 36V;直流接近开关优选DC 12V和DC 24V。一般情况下,接近开关的电压选择范围很广。如下图所示:
额定电压为:DC 10V~30V
声控开关安装接线方法_声控开关接线实物图
时间:2026-03-13
行程开关实物接线图
时间:2026-03-13
温度开关的分类_温度开关的选型
时间:2026-03-13
温度开关作用_温度开关检测及使用
时间:2026-03-13
温控开关坏了什么症状_温控开关怎么检测好坏
时间:2026-03-13
温控开关常开常闭区别
时间:2026-03-13
震动开关原理_震动开关的使用
时间:2026-03-13
四脚轻触开关原理和封装尺寸
时间:2026-03-13
轻触开关与薄膜开关的区别
时间:2026-03-13
薄膜开关基本结构_薄膜开关技术参数
时间:2026-03-13
电阻的标称阻值和允许偏差
时间:2026-03-05
玻璃釉电容器的结构与特点
时间:2026-03-05
关于STM32WL LSE 添加反馈电阻后无法起振的...
时间:2026-03-05
可调电阻怎么接线
时间:2026-03-05
压敏电阻有正负极吗
时间:2026-03-05
碳膜电阻如何识别_金属膜电阻器和碳膜电阻器...
时间:2026-03-05
变压器并列运行的条件浅析
时间:2026-03-06
电容器入门教程
时间:2026-03-05
电容的作用和工作原理 电容具有什么特点 简...
时间:2026-03-05
贴片电阻的阻值识别方法
时间:2026-03-05