当前位置:首页 > 电子元件 > 正文

总结了60种硬件工程师常用封装实物图

来源:网络  发布者:电工基础  发布时间:2026-03-12 14:15

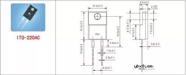
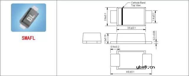
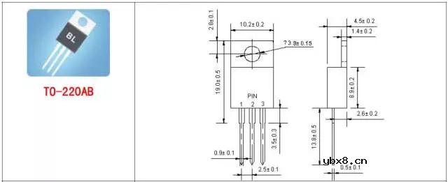
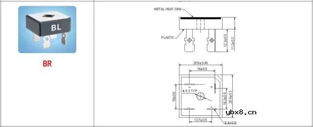
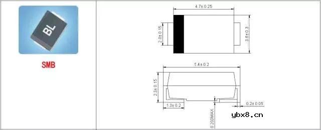
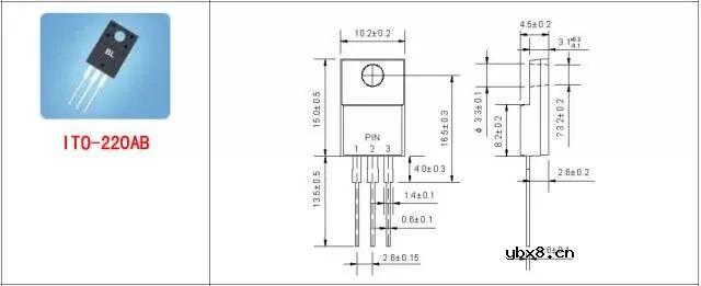
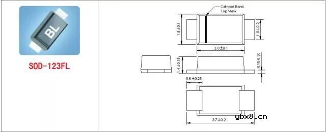
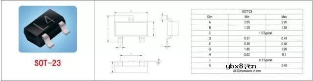
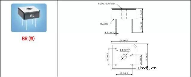
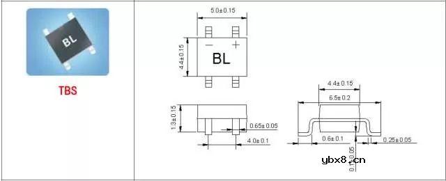
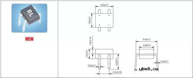
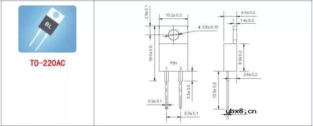
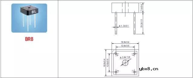
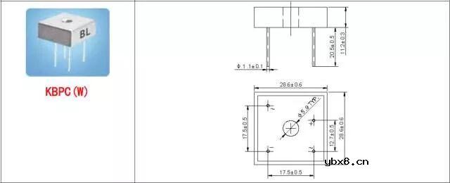
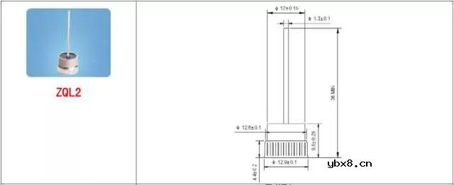
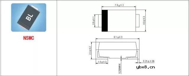
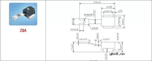
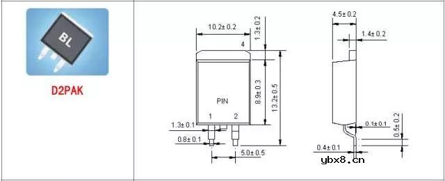
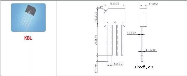
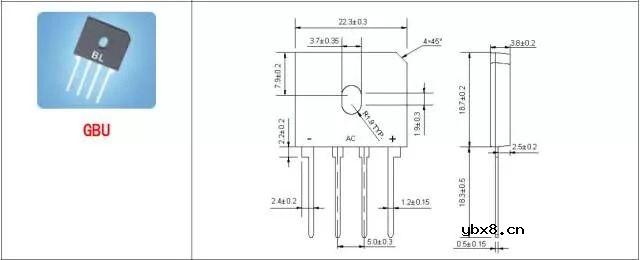
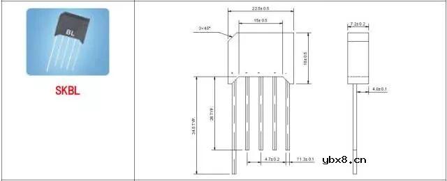
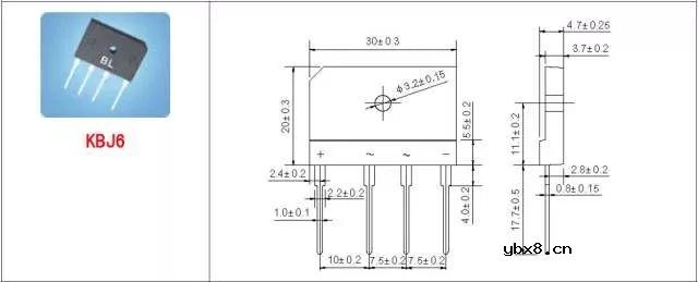
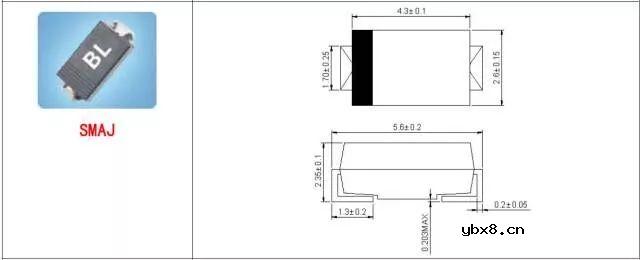
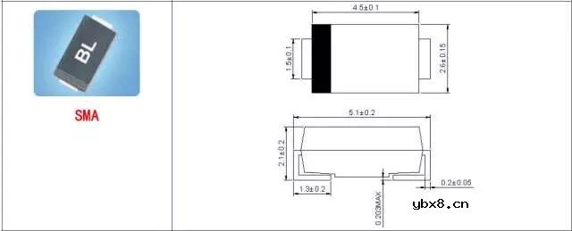
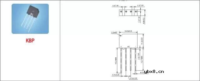
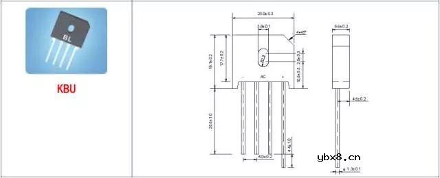
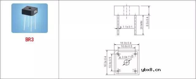
电子元器件有着不同的封装类型,不同类的元器件外形虽然差不多,但内部结构及用途却大不同,譬如TO220封装的元件可能是三极管、可控硅、场效应管甚至是双二极管。TO-3封装的元器件有三极管,集成电路等。今天我们就来盘点一下常见的二极管、三极管、MOS封装类型,下图含精确尺寸。

总结了60种硬件工程师常用封装实物图

总结了60种硬件工程师常用封装实物图

总结了60种硬件工程师常用封装实物图

总结了60种硬件工程师常用封装实物图

总结了60种硬件工程师常用封装实物图

总结了60种硬件工程师常用封装实物图

总结了60种硬件工程师常用封装实物图

总结了60种硬件工程师常用封装实物图

总结了60种硬件工程师常用封装实物图

总结了60种硬件工程师常用封装实物图

总结了60种硬件工程师常用封装实物图

总结了60种硬件工程师常用封装实物图

总结了60种硬件工程师常用封装实物图

总结了60种硬件工程师常用封装实物图

总结了60种硬件工程师常用封装实物图

总结了60种硬件工程师常用封装实物图

总结了60种硬件工程师常用封装实物图

总结了60种硬件工程师常用封装实物图

总结了60种硬件工程师常用封装实物图

总结了60种硬件工程师常用封装实物图

总结了60种硬件工程师常用封装实物图

总结了60种硬件工程师常用封装实物图

总结了60种硬件工程师常用封装实物图

总结了60种硬件工程师常用封装实物图

总结了60种硬件工程师常用封装实物图

总结了60种硬件工程师常用封装实物图

总结了60种硬件工程师常用封装实物图

总结了60种硬件工程师常用封装实物图

总结了60种硬件工程师常用封装实物图

总结了60种硬件工程师常用封装实物图

总结了60种硬件工程师常用封装实物图

总结了60种硬件工程师常用封装实物图

总结了60种硬件工程师常用封装实物图

总结了60种硬件工程师常用封装实物图

总结了60种硬件工程师常用封装实物图

总结了60种硬件工程师常用封装实物图

总结了60种硬件工程师常用封装实物图

总结了60种硬件工程师常用封装实物图

总结了60种硬件工程师常用封装实物图

总结了60种硬件工程师常用封装实物图

总结了60种硬件工程师常用封装实物图

总结了60种硬件工程师常用封装实物图

总结了60种硬件工程师常用封装实物图

总结了60种硬件工程师常用封装实物图

总结了60种硬件工程师常用封装实物图

总结了60种硬件工程师常用封装实物图

总结了60种硬件工程师常用封装实物图

总结了60种硬件工程师常用封装实物图

总结了60种硬件工程师常用封装实物图

总结了60种硬件工程师常用封装实物图

总结了60种硬件工程师常用封装实物图

总结了60种硬件工程师常用封装实物图

总结了60种硬件工程师常用封装实物图

总结了60种硬件工程师常用封装实物图

总结了60种硬件工程师常用封装实物图

总结了60种硬件工程师常用封装实物图

总结了60种硬件工程师常用封装实物图

总结了60种硬件工程师常用封装实物图

总结了60种硬件工程师常用封装实物图

审核编辑 :李倩

最新文章
什么是PCA?何时应该使用PCA?什么是PCA?何时应该使用PCA?

时间:2026-04-28

仪表放大器放大倍数分析仪表放大器放大倍数分析

时间:2026-04-28

射频微波设计入门射频微波设计入门

时间:2026-04-28

变压器结构变压器结构

时间:2026-04-28

8种进行简单线性回归的方法分析与讨论8种进行简单线性回归的方法分析与讨论

时间:2026-04-28

什么是RS485通信接口什么是RS485通信接口

时间:2026-04-28

简单的上色装置简单的上色装置

时间:2026-04-26

液晶屏对比度温度补偿液晶屏对比度温度补偿

时间:2026-04-26

双输入视频多路复用的电缆驱动器双输入视频多路复用的电缆驱动器

时间:2026-04-26

带有75Ω负载的抗阻匹配线路驱动器带有75Ω负载的抗阻匹配线路驱动器

时间:2026-04-26