近来,业界对于隔离式 DC-DC 稳压器中高频变压器的性能要求愈发严苛,尤其是在抗电磁干扰 (EMI) 方面。本文我们详细探讨了隔离式反激稳压器中共模 (CM) 噪声的主要来源和传播路径。
高瞬态电压 (dv/dt) 开关节点是共模噪声的主要来源,而变压器的绕组间分布电容则是共模噪声的主要耦合路径。在第 7 部分中,我们在简单方便的双电容变压器模型基础上,采用共模噪声等效电路来模拟流经变压器电容的位移电流。在此期间,仅需使用一个信号发生器和一个示波器即可提取寄生电容并确定变压器共模噪声性能的特征,而无需进行在线测试。
在第 8 部分,我们将探讨隔离式 DC/DC 电路的共模噪声抑制方法。工作在高输入电压下的转换器(例如,电动汽车车载充电系统、数据中心电源系统和射频功放电源中的相移式全桥转换器[8] 和 LLC 串联谐振转换器[9])会产生较大的共模电流。在采用氮化镓开关器件时,这种情况更为明显,因为此类器件的开关速度 dv/dt 高于硅材质的同类器件。
对于隔离式设计,有多种抑制共模噪声的方法,包括采用对称的电路布局、在初级侧接地端与次级侧接地端之间连接一个电容、加入屏蔽层、增加平衡电容、优化变压器绕组设计以及使用可调节共模噪声消除辅助绕组。本文将以反激电路为重点,逐一解读这些方法。
对称式电路设计
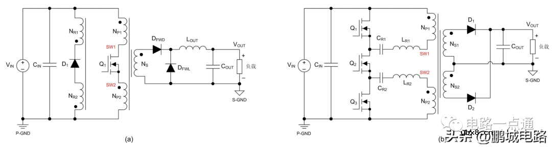
在对称式拓扑结构中,与地之间形成互补电势的开关节点成对出现。如果关联寄生电容相同,则产生的共模位移电流基本可以相互抵消。图 1a 为双开关正激转换器(例如德州仪器 (TI) 的 LM5015)的原理图[10,11]。图 1b 为采用分立式初级侧和次级侧绕组的反激转换器。这两种转换器的初级侧电路均采用对称式设计,具有异相电压开关波形(SW1 和 SW2),可产生相反极性的共模电流,从而降低总共模噪声。

图 1:平衡绕组拓扑结构,采用对称式初级侧电路和等幅异相 dv/dt 开关波形,具有更低共模噪声:(a) 双开关正激转换器;(b) 采用分立式初级和次级绕组的反激转换器
图 1a 为双开关正激转换器的拓扑结构,尽管这种结构早已为人所熟知,但其在共模噪声抑制方面的优势却并未得到充分重视。图 1b 为平衡绕组反激转换器,其次级绕组同样采用对称式设计。分立式绕组通常可以交错缠绕,以降低漏电感。这种电路的主要缺点是需要一个以 SW2 为基准点的浮动栅极驱动器。
对于单开关正激转换器和 LLC 谐振转换器拓扑,也可以采用类似的对称式平衡绕组设计,如图 2 所示。改进后的对称电路需要额外增加一些元件,例如正激转换器中的浮动栅极驱动器和 LLC 谐振电路中的附加开关,并且只有在变压器的物理绕组结构产生对称的寄生电容时才会产生共模衰减的效果。因此通常情况下,需要采用其他方法来抑制共模噪声,并使用传统的隔离式拓扑电路。

图 2:对单开关正激转换器 (a) 和 LLC 谐振转换器 (b) 采用对称式初级侧绕组设计
在初级地与次级地之间连接一个电容
在三线 AC-DC 应用中,通常会在 EMI 输入滤波器中通过一个 Y 电容将火线和零线连接到机箱地,用以衰减共模噪声。但在双线 DC-DC 系统中,由于没有机箱地连接点,因此无法连接 Y 电容。在这类系统中,可以在初级侧接地端 (P-GND) 与次级侧接地端 (S-GND) 之间连接一个替代电容,将传播到次级侧的共模电流分流回初级侧。
请参见第 7 部分图 1 中的 CZ 电容。该元件是一种安全级电容,额定电压为 1 kV 或更高,远高于所需的隔离电压规格。然而这种电容一旦在故障状况下出现短路,就会大大影响电流隔离效果。此外,如果 S-GND 连接的共模电压摆幅相对于初级侧过大(例如在高侧栅极驱动器偏置电源应用中),电容传导的电流就会过大。同时,如果 DC-DC 级的前端是一个 AC-DC 前端整流器,则该电容可能会传导工频泄漏电流,这在实际应用中可能是不允许的,也是受到监管要求限制的[12-15]。
共模噪声的平衡与消除方法
平衡方法分为变压器内部平衡和外部平衡,可以降低与变压器绕组电容相关的共模噪声。内部平衡方法包括应用屏蔽层[16-18]、优化绕组设计以及使用噪声消除绕组。而外部平衡方法最常见的是在所选初级和次级绕组端子之间加入一个平衡电容[12]。
屏蔽
屏蔽方法通过插入导线或金属箔屏蔽层来降低流经绕组间电容的位移电流,从而阻止变压器初级侧绕组与次级侧绕组之间的近场耦合。
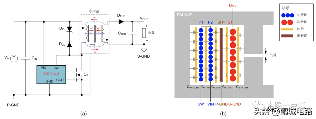
例如,图 3a 是一个反激转换器,其初级侧与次级侧之间加入了一个传统的单匝金属箔屏蔽绕组。图 3b 是 RM 型磁芯的示意图,磁芯配有带气隙的中柱和垂直放置的绕组。在这半个绕组窗口中,共有两个串联的初级层 (2 x 12T)、一个次级层 (1 x 8T) 和一个屏蔽层。绕组采用非交错式分层布局,分为 P1、P2、SH1 和 S1 四层。图中还显示了绕组层间寄生电容。

图 3:(a) 反激转换器,其初级层与次级层之间带有传统的金属箔静电屏蔽绕组,该屏蔽层连接到 P-GND;(b) 变压器绕组窗口内的绕组层结构
在初级层 P2 与次级层 S1 之间,加入了一个单屏蔽层 SH1。该屏蔽层通常连接回初级侧电路中的静态电位点,例如图 3 所示的本地 P-GND 或输入电容的正极端子,即静态交流节点。这样可以阻止 P2 和 S1 之间的电耦合,并消除 P2 与 S1 之间的位移电流。
加入屏蔽层后,ipsh 将经由屏蔽层返回 P-GND,而不是流经输出端而返回机箱地。但是,屏蔽层与相邻次级绕组之间的电容依然存在。由于单匝屏蔽绕组与次级绕组的感应电压存在差异(单匝次级绕组除外),因此在屏蔽层与次级绕组之间必然存在共模电流。可改用辅助绕组的抽头来驱动屏蔽绕组,使屏蔽绕组的平均电压与次级绕组的平均电压相符,以实现共模平衡[18]。
注意,由于磁芯采用高介电常数材料,图 3 中 P1 层和 S1 层之间会存在耦合。所以,尽管单屏蔽层有助于减弱共模噪声,但并不能彻底消除。此外,还有一个缺点是,随着初级侧与次级侧间边界数量的增加,需要的屏蔽层也越来越多。重要的是,屏蔽层会增大绕组之间的空间,从而导致漏电感增加。通常而言,应尽可能减小铜箔屏蔽层的厚度,以减少因邻近效应引起的涡流损耗。在高开关频率下,屏蔽层中的损耗会变得过大,而且屏蔽层也会使反射到开关节点的总寄生电容增大。
平衡电容的值与位置
图 4a 为带初级侧、次级侧和辅助变压器绕组的反激转换器的原理图。NPS 和 NAUX 分别代表初级侧与次级侧绕组匝数比以及初级侧与辅助绕组匝数比。对于初级侧绕组与辅助绕组而言,由于电流仅在初级侧流动,对共模噪声不产生影响,因此不考虑这两者之间的耦合。在第 7 部分中我们曾讨论过,通过两个 4 电容电路即可对初级侧绕组与次级侧绕组之间以及辅助绕组与次级侧绕组之间的耦合进行建模(如图 4b 所示)。

图 4:(a) 带辅助绕组的反激转换器;(b) 三绕组反激变压器的集总共模寄生电容模型;(c) 使用双电容变压器模型的共模噪声等效电路
如果输入电容对共模噪声呈现低阻抗特性,则初级侧绕组的端子 A 与 P-GND 之间短路。可以使用简化的双电容变压器模型,再以 ZSE 模拟 S-GND 与大地之间的电容耦合,最终的共模噪声等效电路模型见图 4c(有关更多相关信息和描述,请参见第 7 部分)。
公式 1 用于计算线路阻抗稳定网络 (LISN) 中的共模噪声电压。从中可以看出,降低电容 CBD 可以使噪声电压降低。

公式 2 是 CBD 的理论表达式,该值可使用第 7 部分介绍的方法基于公式 3 进行计算:

可以通过增大公式 2 中各负项的值,将 CBD 平衡为零[13]。最简单的方法是在初级侧和次级侧间变压器端子 A 和 C 之间的 C3 上并联一个电容。这一外部平衡电容的值为 CEXT = NPSCBD。
同样,如果 CBD 为负值(VAD 和 VAB 电压异相),则在端子 B 与 D 之间的 C4 上并联一个等于 |CBD| 的平衡电容,可实现平衡。注意,根据公式 3,如果测得的 VAD 为零,则 CBD 也相当于零,基本消除了通过变压器的共模噪声。这是非常方便的测试变压器是否平衡的手段。
绕组设计
除了使用平衡电容外,还可以通过调整变压器绕组层的位置,来优化共模平衡。根据成对绕组层的设计理念[12-15],变压器初级侧和次级侧的层具有相似的 dv/dt,因此,这些层的交错重叠不会产生共模噪声。绕组间电容两端的平均电压具有相似的幅值和极性,也可以最大程度减小甚至消除流经电容的共模电流。
一个最基本的原则就是,确保相邻的初级侧绕组层与次级侧绕组层具有相似的电压分布。如果绕组间寄生电容均匀分布于两个成对绕组层之间,可以使电容的 dv/dt 保持为零,这样便不会产生共模电流。
以图 4a 的反激转换器为例,其变压器为交错式三绕组(初级侧、次级侧、辅助)变压器。尽管交错式设计会增大绕组间电容,但出于降低漏电感和邻近效应损耗的考虑,必须采用这种设计。图 5a 是反激变压器的半个绕组窗口,该变压器包含三个串联初级层 (3 x 12T)、两个并联次级层 (2 x 9T) 和一个辅助/偏置绕组层 (1 x 15T)。

图 5:(a) 采用夹层绕组层结构的反激变压器;(b) 绕组窗口内各绕组层的电压分布
图 5b 为在电压沿绕组线性分布情况下的绕组电压分布图。为最大程度降低共模噪声,应使初级侧绕组层与次级侧绕组层之间相邻绕组层的平均电压差达到最低。因此如图 5a 所示,将交错绕组层的排列顺序设计为 S1-P1-S2-AUX-P2-P3。
采用如图 5a 所示的端子连接时,P1 与 S1 或 S2 之间的平均电压差最低。如图 5a 所示,P1 始于 VIN(静态节点),与两个并联次级层 S1 和 S2 相邻。与之类似,AUX 绕组与 S2 层相邻,因为 AUX 与 S2 之间的电压差小于 S2 与 P2 或 P3 之间的电压差。由于 AUX 与 P2 绕组均位于初级侧,因此两者之间的电压差不会产生共模噪声。两者之间的位移电流同样在转换器初级侧流动,不会被 LISN 视为 EMI。相反,如果采用 P1-S1-P2-S2-AUX-P3 这种完全交错的绕组结构,由于 S1 与 P2 以及 P2 与 S2 这两对绕组层之间的平均电压差增大,共模噪声将明显增强。
可调节噪声消除辅助绕组
图 6 中的 AdjAUX 是一个可调节噪声消除辅助绕组层,缠绕在次级层 S1 的外侧,用以平衡绕组层内未完全消除的共模噪声[13,14]。AdjAUX 的一个端子连接到 P-GND,另一个端子处于悬浮状态。

图 6:(a) 在外层增加可调节辅助绕组用以消除共模噪声的原理图;(b)绕组排列情况;(c) 电压和电流分布
由于 AdjAUX 与 S1 之间的电压差为负值,因此位移共模电流从 S1 流向 AdjAUX 绕组,再流回初级侧。由于 P1 与 S1、P1 与 S2 以及 AUX 与 S2 层之间的电压差为正值(本例中 P1 和 AUX 的匝数多于 S1 和 S2 的匝数),因此这样有助于消除从 P1 流向 S1 和 S2 以及从 AUX 流向 S2 的位移共模电流。如图 6b 所示,AdjAUX 绕组位于变压器绕组的外层,因此可以方便地通过调整匝数来有效消除噪声。
如图 6c 所示,当 AdjAUX 绕组始于绕组窗口的顶部时,AdjAUX 与 S1 层之间的电压差最大,需要较少匝数来达到消除噪声的效果,而如果 AdjAUX 绕组位于窗口底部,则需要的匝数就会更多。
由于 AdjAUX 绕组不靠近气隙,会产生零磁场,因而没有涡流功率损耗。这样,变压器交流绕组损耗低于采用传统屏蔽层时的损耗。同时,由于绕组层之间没有屏蔽层,绕组间的互耦增高,使得漏电感降低[18]。最后,可以结合第 7 部分介绍的变压器平衡检测技术,来方便地设计 AdjAUX 绕组层,无需任何在线测试。
总结
共模噪声是高频隔离式 DC/DC 转换器设计中需要重点关注的问题。为了提高功率密度,设计师们往往会考虑增大开关频率。而随着开关频率的增大,初级侧开关节点的高 dv/dt 以及通过变压器绕组间电容的相关共模干扰已经给系统带来不利影响。要降低共模噪声,可以采用对称式拓扑设计、加入屏蔽层以及平衡电容等方法。在进行绕组设计时,也可以通过正确布置变压器层以及在绕组层端子与电路节点间选择最优的连接,来达到降噪的目的。此外,在变压器外侧缠绕辅助的噪声消除绕组也可以平衡共模噪声。对于某些拓扑结构,可以单独这些方法,而为了满足规范要求并解决复杂的共模噪声问题,也可以发挥这些方法的组合优势,以达到提高降噪效果的目的。
审核编辑:汤梓红
什么是PCA?何时应该使用PCA?
时间:2026-04-28
仪表放大器放大倍数分析
时间:2026-04-28
射频微波设计入门
时间:2026-04-28
变压器结构
时间:2026-04-28
8种进行简单线性回归的方法分析与讨论
时间:2026-04-28
什么是RS485通信接口
时间:2026-04-28
简单的上色装置
时间:2026-04-26
液晶屏对比度温度补偿
时间:2026-04-26
双输入视频多路复用的电缆驱动器
时间:2026-04-26
带有75Ω负载的抗阻匹配线路驱动器
时间:2026-04-26
NVIDIA CPU+GPU超级芯片大升级!
时间:2026-03-09
电阻的原理和作用 电阻色环识别图 电路中电...
时间:2026-03-09
什么是室温超导?半导体时代将走向结束?芯...
时间:2026-03-09
石英灯电子变压器电路原理
时间:2026-03-06
半导体光刻工艺 光刻—半导体电路的绘制
时间:2026-03-09
什么是硅片或者晶圆?一文了解半导体硅晶圆
时间:2026-03-09
汽车芯片业应汲取的教训
时间:2026-03-09
半导体行业之ICT技术简介
时间:2026-03-09
压敏电阻有正负极吗
时间:2026-03-05
实用模拟电路小常识浅析
时间:2026-03-09