当前位置:首页 > 电子元件 > 正文

CAN-Fiber原理图

来源:网络  发布者:电工基础  发布时间:2026-03-12 10:36

CAN-Fiber原理图


电源部分:

CAN-Fiber原理图


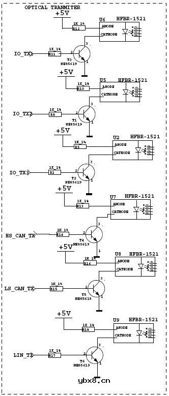
光发送和接受部分:

CAN-Fiber原理图

CAN-Fiber原理图




CAN,LIN部分:


最新文章
什么是PCA?何时应该使用PCA?什么是PCA?何时应该使用PCA?

时间:2026-04-28

仪表放大器放大倍数分析仪表放大器放大倍数分析

时间:2026-04-28

射频微波设计入门射频微波设计入门

时间:2026-04-28

变压器结构变压器结构

时间:2026-04-28

8种进行简单线性回归的方法分析与讨论8种进行简单线性回归的方法分析与讨论

时间:2026-04-28

什么是RS485通信接口什么是RS485通信接口

时间:2026-04-28

简单的上色装置简单的上色装置

时间:2026-04-26

液晶屏对比度温度补偿液晶屏对比度温度补偿

时间:2026-04-26

双输入视频多路复用的电缆驱动器双输入视频多路复用的电缆驱动器

时间:2026-04-26

带有75Ω负载的抗阻匹配线路驱动器带有75Ω负载的抗阻匹配线路驱动器

时间:2026-04-26