本篇从电路原理、元器件规格及选用等方面介绍各种类型语音集成电路的应用实例。以便让初学者对语音电路有一个较深入的认识和了解。初学者除了掌握各种语音电路的基本原理之外,更重要的是必须多动手实验,灵活应用,最终才能举一反三和运用自如。
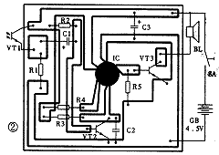
1.光控式语音警示电路 光控语音警示电原理图见图1。整个电路由光控电子开关和3秒语音集成电路两部分组成。图1中光敏三极管VT1和晶体三极管VT2,电阻R1、R2、R3和电容C1、C2等构成光控开关电路。语音集成电路IC及三极管VT3、电阻R4、R5等构成语音放大电路。图2是该电路的印刷电路板图。平常在光源照射下,VT1呈低阻状态,VT2饱和导通,IC的触发端③脚得不到正触发脉冲而不工作,扬声器无声。当VT1被物体遮挡时,便产生一负脉冲电压,并通过C1耦合到VT2的基极,导致VT2进入截止状态,IC获得一正触发脉冲而工作,输出音频信号通过VT3放大,推动扬声器发出声响。声响内容可根据不同场合选择不同的语音电路来产生,例如高压电网或配电房等场所,可选用“高压重地,禁止入内”、“有电危险,请勿靠近”等语音集成电路。


图3是另一种形式的光控语音电路。当周围光照度变暗时,光敏二极管VT1呈高阻值状态,VT2因基极电位低而截止,语音芯片IC不工作。当有光线照射时,VT1内阻迅速下降,VT2因基极电位上升而导通,IC被触发工作。当IC选用“天亮了,快快起床”语音集成电路时,图3所示电路便成了语音报晓器电路。当将图3电路用于保险柜门开提醒装置时,语音IC可选用“保险柜已打开,请注意关闭”语音电路。

2.“韵律操”语音电路 该电路的电原理图见图4。IC为内储一首10秒韵律操音乐旋律的语音集成电路,它采用按键触发方式,可直接驱动8Ω扬声器或压电陶瓷蜂鸣器,通过三极管还可驱动3V直流电机工作,电源电压3~5V。该电路主要用于电动玩具、都市休闲小音响等。

语音IC的OSC为振荡器输入端,外接200kΩ振荡电阻。TEST为电路测试端,平时空置不用。TG为电路触发端,高电平有效,按一下输出一次,触发停止,语音继续输出直至完毕后停止。IO1为电机驱动输出端,通过三极管VT1和VT2驱动直流电机M旋转工作。IO2为信号电压输出端。IO3为信号电压输出端,IO2、IO3直接推动扬声器工作,或驱动蜂鸣片发声。
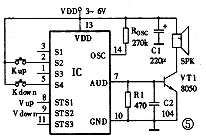
3.升国旗奏国歌语音电路 升国旗奏国歌语音电路的电原理图见图5。IC为14脚双列直插塑封集成电路,它是一片语音长度为60秒、采用高采样频率优质语音集成电路制作的“中华人民共和国国歌”电路。在IC的14根引脚中,②脚为升旗触发端S2,高电平有效。当该端瞬间接正电源端,IC工作,在奏国歌同时输出升旗触发信号。⑤脚为降旗触发端S4,高电平有效,触发该端时,输出降旗信号,无音频信号输出。⑦脚为音频信号输出端AUD,其输出信号通过VT1放大,推动扬声器工作。⑧脚为升旗信号输出端STS1。当国歌奏响时,该端输出一高电平同步信号,用以控制升国旗驱动电路。⑨脚为降旗信号输出端STS2。当S4触发时,该端输出一高电平同步信号,用于控制降旗驱动信号。



4.标准汉语拼音发音示教板电路 学习汉语就必须正确掌握汉语拼音的标准发音。图7是汉语拼音标准语音电路电原理图。图中IC采用60秒阵列式语音电路,电路内储存23个声母、24个韵母、16个整体认读音节,由ROW1~ROW8和COL1~COL8组成8×8矩阵键盘,每个按键对应触发一种发音。图8是该电路的印刷电路板图。图中的VT采用8050型小功率硅管,电阻选用1/8W金属膜电阻,扬声器可选用1/4W、8Ω磁电式扬声器。该电路采用3~6V电源电压。图9是适用于该示教板电路的整流、稳压和功放电路图。汉语拼音示教板电路可制成示教黑板,并采用磁控、无线电子教鞭,也可用于发声电子图书等。



5.语音电子词典 语音电子词典的电原理图见图10。语音电子词典采用美国德州仪器有限公司推出的MSP50C30长时间语音电路。MSP50C30是一种高压缩比、低失真率的语音电路,它内含8位单片机、4KROM、28个I/O口、23条地址线和8条数据线,可直接驱动8~16Ω扬声器,由单5V电源供电。封装形式有100个引脚TQFP封装和68个引脚COB封装。MSP50C30可直接外挂8MROM,适合开发长时间语音应用电路,如发声词典、电脑语音图书、语声学习机等。LCD点阵驱动模块的D0~D7数据线和A0、E1、E2、R/W4条控制线,分别接MSP50C30的C口和D口。C口输出显示数据及指令,并通过D口作相应控制,以实现英文、汉字及各种点阵图案的显示。A0~A7、B0~B7接键盘开关,最大可构成64键的键盘。由于该电路采用了超大规模集成电路,因而整个电路包括集成电路在内不超过10个元器件,外电路十分简单。■

什么是PCA?何时应该使用PCA?
时间:2026-04-28
仪表放大器放大倍数分析
时间:2026-04-28
射频微波设计入门
时间:2026-04-28
变压器结构
时间:2026-04-28
8种进行简单线性回归的方法分析与讨论
时间:2026-04-28
什么是RS485通信接口
时间:2026-04-28
简单的上色装置
时间:2026-04-26
液晶屏对比度温度补偿
时间:2026-04-26
双输入视频多路复用的电缆驱动器
时间:2026-04-26
带有75Ω负载的抗阻匹配线路驱动器
时间:2026-04-26
NVIDIA CPU+GPU超级芯片大升级!
时间:2026-03-09
电阻的原理和作用 电阻色环识别图 电路中电...
时间:2026-03-09
什么是室温超导?半导体时代将走向结束?芯...
时间:2026-03-09
石英灯电子变压器电路原理
时间:2026-03-06
半导体光刻工艺 光刻—半导体电路的绘制
时间:2026-03-09
什么是硅片或者晶圆?一文了解半导体硅晶圆
时间:2026-03-09
汽车芯片业应汲取的教训
时间:2026-03-09
半导体行业之ICT技术简介
时间:2026-03-09
压敏电阻有正负极吗
时间:2026-03-05
实用模拟电路小常识浅析
时间:2026-03-09