当前位置:首页 > 电子元件 > 正文

各种放大电路的详细资料

来源:网络  发布者:电工基础  发布时间:2026-03-12 10:34
各种放大电路的详细资料  

能够把微弱的信号放大的电路叫做放大电路或放大器。例如助听器里的关键部件就是一个放大器。

放大电路的用途和组成

  放大器有交流放大器和直流放大器。交流放大器又可按频率分为低频、中源和高频;接输出信号强弱分成电压放大、功率放大等。此外还有用集成运算放大器和特殊晶体管作器件的放大器。它是电子电路中最复杂多变的电路。但初学者经常遇到的也只是少数几种较为典型的放大电路。

  读放大电路图时也还是按照“逐级分解、抓住关键、细致分析、全面综合”的原则和步骤进行。首先把整个放大电路按输入、输出逐级分开,然后逐级抓住关键进行分析弄通原理。放大电路有它本身的特点:一是有静态和动态两种工作状态,所以有时往往要画出它的直流通路和交流通路才能进行分析;二是电路往往加有负反馈,这种反馈有时在本级内,有时是从后级反馈到前级,所以在分析这一级时还要能“瞻前顾后”。在弄通每一级的原理之后就可以把整个电路串通起来进行全面综合。

    下面我们介绍几种常见的放大电路。

低频电压放大器

  低频电压放大器是指工作频率在 20 赫~ 20 千赫之间、输出要求有一定电压值而不要求很强的电流的放大器。

 ( 1 )共发射极放大电路

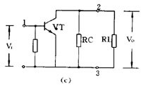
  图 1 ( a )是共发射极放大电路。 C1 是输入电容, C2 是输出电容,三极管 VT 就是起放大作用的器件, RB 是基极偏置电阻 ,RC 是集电极负载电阻。 1 、 3 端是输入, 2 、 3 端是输出。 3 端是公共点,通常是接地的,也称“地”端。静态时的直流通路见图 1 ( b ),动态时交流通路见图 1 ( c )。电路的特点是电压放大倍数从十几到一百多,输出电压的相位和输入电压是相反的,性能不够稳定,可用于一般场合。

各种放大电路的详细资料

各种放大电路的详细资料

( 2 )分压式偏置共发射极放大电路

  图 2 比图 1 多用 3 个元件。基极电压是由 RB1 和 RB2 分压取得的,所以称为分压偏置。发射极中增加电阻 RE 和电容 CE , CE 称交流旁路电容,对交流是短路的; RE 则有直流负反馈作用。所谓反馈是指把输出的变化通过某种方式送到输入端,作为输入的一部分。如果送回部分和原来的输入部分是相减的,就是负反馈。图中基极真正的输入电压是 RB2 上电压和 RE 上电压的差值,所以是负反馈。由于采取了上面两个措施,使电路工作稳定性能提高,是应用最广的放大电路。

各种放大电路的详细资料

各种放大电路的详细资料

 ( 3 )射极输出器

  图 3 ( a )是一个射极输出器。它的输出电压是从射极输出的。图 3 ( b )是它的交流通路图,可以看到它是共集电极放大电路。

各种放大电路的详细资料

各种放大电路的详细资料

  这个图中,晶体管真正的输入是 V i 和 V o 的差值,所以这是一个交流负反馈很深的电路。由于很深的负反馈,这个电路的特点是:电压放大倍数小于 1 而接近 1 ,输出电压和输入电压同相,输入阻抗高输出阻抗低,失真小,频带宽,工作稳定。它经常被用作放大器的输入级、输出级或作阻抗匹配之用。

 ( 4 )低频放大器的耦合

  一个放大器通常有好几级,级与级之间的联系就称为耦合。放大器的级间耦合方式有三种: ①RC 耦合,见图 4 ( a )。优点是简单、成本低。但性能不是最佳。 ② 变压器耦合,见图 4 ( b )。优点是阻抗匹配好、输出功率和效率高,但变压器制作比较麻烦。 ③ 直接耦合,见图 4 ( c )。优点是频带宽,可作直流放大器使用,但前后级工作有牵制,稳定性差,设计制作较麻烦。

功率放大器

各种放大电路的详细资料

各种放大电路的详细资料

各种放大电路的详细资料

  能把输入信号放大并向负载提供足够大的功率的放大器叫功率放大器。例如收音机的末级放大器就是功率放大器。

 ( 1 )甲类单管功率放大器


各种放大电路的详细资料

  图 5 是单管功率放大器, C1 是输入电容, T 是输出变压器。它的集电极负载电阻 Ri′ 是将负载电阻 R L 通过变压器匝数比折算过来的:

  RC′= ( N1 N2 ) 2 RL=N 2 RL

  负载电阻是低阻抗的扬声器,用变压器可以起阻抗变换作用,使负载得到较大的功率。

  这个电路不管有没有输入信号,晶体管始终处于导通状

,静态电流比较大,困此集电极损耗较大,效率不高,大约只有 35 %。这种工作状态被称为甲类工作状态。这种电路一般用在功率不太大的场合,它的输入方式可以是变压器耦合也可以是 RC 耦合。

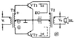
 ( 2 )乙类推挽功率放大器

  图 6 是常用的乙类推挽功率放大电路。它由两个特性相同的晶体管组成对称电路,在没有输入信号时,每个管子都处于截止状态,静态电流几乎是零,只有在有信号输入时管子才导通,这种状态称为乙类工作状态。当输入信号是正弦波时,正半周时 VT1 导通 VT2 截止,负半周时 VT2 导通 VT1 截止。两个管子交替出现的电流在输出变压器中合成,使负载上得到纯正的正弦波。这种两管交替工作的形式叫做推挽电路。

各种放大电路的详细资料

  乙类推挽放大器的输出功率较大,失真也小,效率也较高,一般可达 60 %。

 ( 3 ) OTL 功率放大器

  目前广泛应用的无变压器乙类推挽放大器,简称 OTL 电路,是一种性能很好的功率放大器。为了

  易于说明,先介绍一个有输入变压器没有输出变压器的 OTL 电路,如图 7 。

各种放大电路的详细资料

  这个电路使用两个特性相同的晶体管,两组偏置电阻和发射极电阻的阻值也相同。在静态时, VT1 、 VT2 流过的电流很小,电容 C 上充有对地为 1 2 E c 的直流电压。在有输入信号时,正半周时 VT1 导通, VT2 截止,集电极电流 i c1 方向如图所示,负载 RL 上得到放大了的正半周输出信号。负半周时 VT1 截止, VT2 导通,集电极电流 i c2 的方向如图所示, RL 上得到放大了的负半周输出信号。这个电路的关键元件是电容器 C ,它上面的电压就相当于 VT2 的供电电压。

  以这个电路为基础,还有用三极管倒相的不用输入变压器的真正 OTL 电路,用 PNP 管和 NPN 管组成的互补对称式 OTL 电路,以及最新的桥接推挽功率放大器,简称 BTL 电路等等。

直流放大器

  能够放大直流信号或变化很缓慢的信号的电路称为直流放大电路或直流放大器。测量和控制方面常用到这种放大器。

 ( 1 )双管直耦放大器

  直流放大器不能用 RC 耦合或变压器耦合,只能用直接耦合方式。图 8 是一个两级直耦放大器。直耦方式会带来前后级工作点的相互牵制,电路中在 VT2 的发射极加电阻 R E 以提高后级发射极电位来解决前后级的牵制。直流放大器的另一个更重要的问题是零点漂移。所谓零点漂移是指放大器在没有输入信号时,由于工作点不稳定引起静态电位缓慢地变化,这种变化被逐级放大,使输出端产生虚假信号。放大器级数越多,零点漂移越严重。所以这种双管直耦放大器只能用于要求不高的场合。

各种放大电路的详细资料

 ( 2 )差分放大器

  解决零点漂移的办法是采用差分放大器,图 9 是应用较广的射极耦合差分放大器。它使用双电源,其中 VT1 和 VT2 的特性相同,两组电阻数值也相同, R E 有负反馈作用。实际上这是一个桥形电路,两个 R C 和两个管子是四个桥臂,输出电压 V 0 从电桥的对角线上取出。没有输入信号时,因为 RC1=RC2 和两管特性相同,所以电桥是平衡的,输出是零。由于是接成桥形,零点漂移也很小。

各种放大电路的详细资料

  差分放大器有良好的稳定性,因此得到广泛的应用。

集成运算放大器

  集成运算放大器是一种把多级直流放大器做在一个集成片上,只要在外部接少量元件就能完成各种功能的器件。因为它早期是用在模拟计算机中做加法器、乘法器用的,所以叫做运算放大器。它有十多个引脚,一般都用有 3 个端子的三角形符号表示,如图 10 。它有两个输入端、 1 个输出端,上面那个输入端叫做反相输入端,用“ — ”作标记;下面的叫同相输入端,用“+”作标记。

各种放大电路的详细资料

  集成运算放大器可以完成加、减、乘、除、微分、积分等多种模拟运算,也可以接成交流或直流放大器应用。在作放大器应用时有:

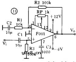
 ( 1 )带调零的同相输出放大电路

  图 11 是带调零端的同相输出运放电路。引脚 1 、 11 、 12 是调零端,调整 RP 可使输出端( 8 )在静态时输出电压为零。 9 、 6 两脚分别接正、负电源。输入信号接到同相输入端( 5 ),因此输出信号和输入信号同相。放大器负反馈经反馈电阻 R2 接到反相输入端( 4 )。同相输入接法的电压放大倍数总是大于 1 的。

各种放大电路的详细资料

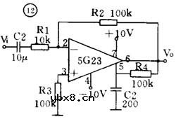
 ( 2 )反相输出运放电路

  也可以使输入信号从反相输入端接入,如图 12 。如对电路要求不高,可以不用调零,这时可以把 3 个调零端短路。

各种放大电路的详细资料

  输入信号从耦合电容 C1 经 R1 接入反相输入端,而同相输入端通过电阻 R3 接地。反相输入接法的电压放大倍数可以大于 1 、等于 1 或小于 1 。

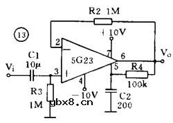
 ( 3 )同相输出高输入阻抗运放电路

  图 13 中没有接入 R1 ,相当于 R1 阻值无穷大,这时电路的电压放大倍数等于 1 ,输入阻抗可达几百千欧。

放大电路读图要点和举例

各种放大电路的详细资料

  放大电路是电子电路中变化较多和较复杂的电路。在拿到一张放大电路图时,首先要把它逐级分解开,然后一级一级分析弄懂它的原理,最后再全面综合。读图时要注意: ① 在逐级分析时要区分开主要元器件和辅助元器件。放大器中使用的辅助元器件很多,如偏置电路中的温度补偿元件,稳压稳流元器件,防止自激振荡的防振元件、去耦元件,保护电路中的保护元件等。 ② 在分析中最主要和困难的是反馈的分析,要能找出反馈通路,判断反馈的极性和类型,特别是多级放大器,往往以后级将负反馈加到前级,因此更要细致分析。 ③ 一般低频放大器常用 RC 耦合方式;高频放大器则常常是和 LC 调谐电路有关的,或是用单调谐或是用双调谐电路,而且电路里使用的电容器容量一般也比较小。 ④ 注意晶体管和电源的极性,放大器中常常使用双电源,这是放大电路的特殊性。

 例 1 助听器电路

 图 14 是一个助听器电路,实际上是一个 4 级低频放大器。 VT1 、 VT2 之间和 VT3 、 VT4 之间采用直接耦合方式, VT2 和 VT3 之间则用 RC 耦合。为了改善音质, VT1 和 VT3 的本级有并联电压负反馈( R2 和 R7 )。由于使用高阻抗的耳机,所以可以把耳机直接接在 VT4 的集电极回路内。 R6 、 C2 是去耦电路, C6 是电源滤波电容。

各种放大电路的详细资料


例 2 收音机低放电路

  图 15 是普及型收音机的低放电路。电路共 3 级,第 1 级( VT1 )前置电压放大,第 2 级( VT2 )是推动级,第 3 级( VT3 、 VT4 )是推挽功放。 VT1 和 VT2 之间采用直接耦合, VT2 和 VT3 、 VT4 之间用输入变压器( T1 )耦合并完成倒相,最后用输出变压器( T2 )输出,使用低阻扬声器。此外, VT1 本级有并联电压负反馈( R1 ), T2 次级经 R3 送回到 VT2 有串联电压负反馈。电路中 C2 的作用是增强高音区的负反馈,减弱高音以增强低音。 R4 、 C4 为去耦电路, C3 为电源的滤波电容。整个电路简单明了。

最新文章
什么是PCA?何时应该使用PCA?什么是PCA?何时应该使用PCA?

时间:2026-04-28

仪表放大器放大倍数分析仪表放大器放大倍数分析

时间:2026-04-28

射频微波设计入门射频微波设计入门

时间:2026-04-28

变压器结构变压器结构

时间:2026-04-28

8种进行简单线性回归的方法分析与讨论8种进行简单线性回归的方法分析与讨论

时间:2026-04-28

什么是RS485通信接口什么是RS485通信接口

时间:2026-04-28

简单的上色装置简单的上色装置

时间:2026-04-26

液晶屏对比度温度补偿液晶屏对比度温度补偿

时间:2026-04-26

双输入视频多路复用的电缆驱动器双输入视频多路复用的电缆驱动器

时间:2026-04-26

带有75Ω负载的抗阻匹配线路驱动器带有75Ω负载的抗阻匹配线路驱动器

时间:2026-04-26