


该产品主要具有正向阻断电压高、高温漏电流小、饱和压降低、开通门限电压高、阳极脉冲峰值电流大、断态阳极电压上升率(dv/dt)高、开通阳极电流上升率(di/dt)高、抗辐射能力强等特点。
** 芯片阴极区短路点结构及单元器件内部等效(并联)NPN晶体管数量的选择: **
器件阴极区的结构设计考虑了两种情况:即阴极区带短路点结构和不带短路点结构。为了充分考虑器件的可靠性,阳极电压峰值选择为4000V(器件额定电压),电压上升率为4KV/μs。对于不采用阴极短路点结构(单元阴极区宽度为30μm)的器件断态阴阳极抗扰能力dv/dt,图1(a)给出器件在阳极峰值电压达到4000V时,器件内部的温度分布。
由图1可见,当断态阳极电压上升率较高(4KV/μs)时,由于位移电流正比于反偏结电容(相当于寄生晶体管的集电结电容)和电压变化率,电压变化率越大,器件内反偏结位移电流越大,容易导致器件内寄生三极管的触发导通。图9表示在器件内部寄生晶体管被触发开通,而且峰值位移电流密度和峰值晶硅温度的位置出现在靠近背面阳极附近(P+/N+处结电容较大)。
在阳极电压上升到3195V时,器件内部局部峰值温度达到了1108V。因此,当阳极电压上升率达到4KV/μs时,器件性能受到严重影响,无法正常使用。对于阴极短路点结构(短路点直径5μm,单元阴极区宽度为30μm)的器件断态阴阳极抗扰能力dv/dt,图1(b)给出器件在阳极峰值电压达到4000V时,器件内部的温度分布。
由图1(b)可见,在阴极短路点结构和阳极N+缓冲层结构两者的共同作用下,使得器件内部寄生晶体管的触发耐量得以提高,器件的抗dv/dt干扰能力得到很大改善。器件内部局部峰值温度最高,因此本产品阴极发射区拟采用短路点结构,以此进一步改善器件抗断态阴阳极dv/dt干扰能力。由图1(b)可见,当采用阴极短路点结构后,在施加断态阳极电压变化率dvdt=4KV/s条件下,器件内部晶格温度分布均匀,且几乎没有局部温度升高,全局温度几乎控制在300K。表明采用阴极短路点结构后,器件的抗dv/dt误触发能力得到了较大的改善。
由图1(c)可见,本产品所采用的阴极区宽度及短路点结构参数较合理,阴极区面积可到了充分的利用,消除阴极区边缘电流集中的现象,获得较好的di/dt性能。另外,短路点结构尺寸较合理,不仅满足本单位芯片工艺加工能力,而且短路点在改善dv/dt能力方面发挥了较理想的作用。

图1 在断态dvdt=4KV/S情况下,未采用阴极短路点结构(a)、采用阴极短路点结构(b)两种情况下的器件内部温度分布、空穴电流分布(c)
BLDC电机越来越流行,集成控制方案将是未来...
时间:2026-03-12
兆易创新专利纠纷案胜诉!涉案金额7050万元
时间:2026-03-12
元器件库存惊人,谁先走出下行周期?
时间:2026-03-12
中国大陆上市电源管理芯片Top5公司2022业绩...
时间:2026-03-12
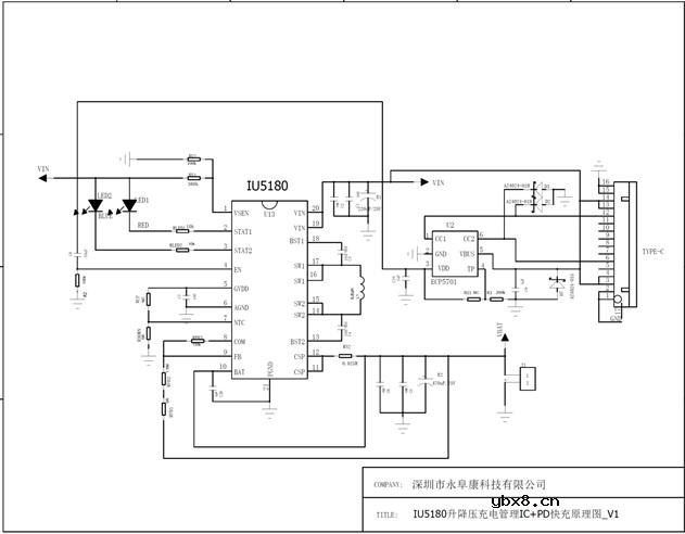
运用升降压充电芯片IU5180实现Type-c给1-4节...
时间:2026-03-12
声光控延时开关电路板的组成及原理
时间:2026-03-12
线性稳压器及LDO ST L7812ABV特性参数与封装...
时间:2026-03-12
霍尔效应和霍尔元器件
时间:2026-03-12
了解网络滤波器 EMI滤波器 EMC滤波器 在电子...
时间:2026-03-12
线性稳压器及LDO ST LM317T特性参数与封装规...
时间:2026-03-12
玻璃釉电容器的结构与特点
时间:2026-03-05
电阻的标称阻值和允许偏差
时间:2026-03-05
压敏电阻有正负极吗
时间:2026-03-05
变压器并列运行的条件浅析
时间:2026-03-06
电容器入门教程
时间:2026-03-05
关于STM32WL LSE 添加反馈电阻后无法起振的...
时间:2026-03-05
可调电阻怎么接线
时间:2026-03-05
压敏电阻坏了怎么替代
时间:2026-03-05
压敏电阻爆裂的原因分析
时间:2026-03-05
暑期买元器件下单立减还送华为P30pro
时间:2026-03-05