2 线性电源
线性电源是指调整管工作在线性状态下(就是工作在放大区)的直流稳压电源。
线性电源由于调整管工作在线性状态下,故压降将100%以热能的形式消耗在调整管上,P=(Vin-Vout)*I。当然带来了低EMI和低纹波的优势。
一般线性电源分为三端稳压器、LDO(low dropout regulator,低压差线性稳压器),故其实LDO是三端稳压器的子集。
2.1 三端稳压器
三端稳压器是一种串联型稳压电路。主要有两种,一种输出电压是固定的,称为固定输出三端稳压器,另一种输出电压是可调的,称为可调输出三端稳压器。
1)一种简易原理模型如下:

原理如下:
利用稳压二极管特性,使三极管的基极获得输出电压+0.6V(PN结压降)。
选取合理R值,使三极管工作在放大区,此时时三极管的发射极就得到了想要的输出电压。
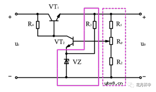
2)分压调整输出三端稳压器的原理框图如下,工作原理基本同上:

2.1.1固定输出三端稳压器
固定三端稳压器的通用产品有78系列(正电源)和79系列(负电源)。输出电压由具体型号中的后面两个数字代表,有5V,6V,8V,9V,12V,15V,18V,24V等档次。输出电流以78(或79)后面加字母来区分L表示0.1;AM表示0.5A,无字母表示1.5A,如78L05表示5V 0.1A。
当然78系列的三端稳压器原理框图不会像我们介绍原理时那么简单,会有启动、保护电路、放大比较及调整电路等设计。

一般使用时,推荐在输入输出端,反向并联二极管,防止输入端短路时,输出端残留电压击穿三极管。

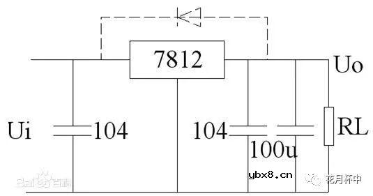
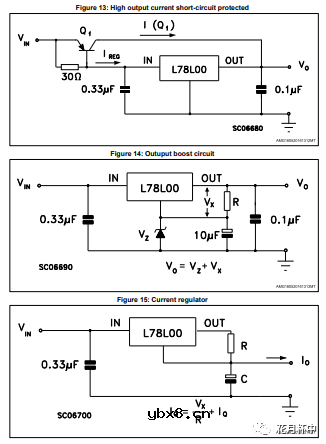
配合外围电路设计,78系列稳压器还可以实现扩流、电压调整(升压)、电流源等功能。

2.1.2可调输出三端稳压器
可调输出三端稳压器应用最为广泛当属LM317。
原理简易模型如下:

同78系列稳压器一样,LM317也同样有很多种通过外围电路设计,拓展很多功能,这里就不介绍了。


2.2 LDO
LDO即low dropout regulator,是一种低压差线性稳压器,这是相对于传统的三端稳压器来说的。
原理模型如下,可看出其与传统三端稳压器最大的区别为调整管由三极管更换场效应管,实现了低压降的功能:

LDO工作原理与三端稳压器基本一样,这里不再描述。
2.3 三端稳压器与LDO对比分析
1)最小压降:两者最大的差别,主要由三极管和场效应管的导通原理及特性决定。一般三端稳压器的最小压降在23V,而LDO则可以低到150300mV。当然这不并意味LDO无法容忍大压降,在散热和输入电压满足情况下,部分LDO也做到20V左右的压降。
2)体积:由于压降全部消耗在调整管上,故相同负载下,LDO可以允许更小的体积。
3)价格:三端稳压器由于工艺简单,成本很低。当然考虑到体积及散热,使用LDO成本可能并不会高。
4)最大输入电压:由三极管和场效应管击穿电压决定。一般的 LDO最大只有20V左右的输入电压,而三端稳压器很容易40V以上的最大输入电压。
5)静态电流:三端稳压器的静态电流一般在mA级别,而LDO的静态电流可以做到100uA左右,甚至不到10uA。
6)输出精度及噪声:LDO由于使用更低、更精密的基准器件,一般具有更高的输出精度和更低的噪声。
7)大多数LDO具备更精细的设计,故在电源抑制比、负载瞬态方面也有更好的效果。
这里涉及了很多电源指标,讲解完电源的工作原理及特性,我们会详细介绍下这些指标的意义。
什么是PCA?何时应该使用PCA?
时间:2026-04-28
仪表放大器放大倍数分析
时间:2026-04-28
射频微波设计入门
时间:2026-04-28
变压器结构
时间:2026-04-28
8种进行简单线性回归的方法分析与讨论
时间:2026-04-28
什么是RS485通信接口
时间:2026-04-28
简单的上色装置
时间:2026-04-26
液晶屏对比度温度补偿
时间:2026-04-26
双输入视频多路复用的电缆驱动器
时间:2026-04-26
带有75Ω负载的抗阻匹配线路驱动器
时间:2026-04-26
NVIDIA CPU+GPU超级芯片大升级!
时间:2026-03-09
电阻的原理和作用 电阻色环识别图 电路中电...
时间:2026-03-09
什么是室温超导?半导体时代将走向结束?芯...
时间:2026-03-09
石英灯电子变压器电路原理
时间:2026-03-06
半导体光刻工艺 光刻—半导体电路的绘制
时间:2026-03-09
什么是硅片或者晶圆?一文了解半导体硅晶圆
时间:2026-03-09
汽车芯片业应汲取的教训
时间:2026-03-09
半导体行业之ICT技术简介
时间:2026-03-09
压敏电阻有正负极吗
时间:2026-03-05
实用模拟电路小常识浅析
时间:2026-03-09