防反接保护电路
通常情况下直流电源输入防反接保护电路是利用二极管的单向导电性来实现防反接保护。如下图1所示:

图1是一只串联二极管保护系统不受反向极性影响,二极管有0.7V的压降。这种接法简单可靠,但当输入大电流的情况下功耗影响是非常大的。 以输入电流额定值达到2A,如选用Onsemi的快速恢复二极管 MUR3020PT,额定管压降为0.7V,那么功耗至少也要达到:Pd=2A×0.7V=1.4W,这样效率低,发热量大,要加散热器。 另外还可以用二极管桥对输入做整流,这样电路就永远有正确的极性。如下图2所示:

图2是一个桥式整流器,不论什么极性都可以正常工作,但是有两个二极管导通,功耗是图1的两倍。
这些方案的缺点是,二极管上的压降会消耗能量。输入电流为2A时,图1中的电路功耗为1.4W,图2中电路的功耗为2.8W。
利用MOS管的开关特性,控制电路的导通和断开来设计防反接保护电路,由于功率MOS管的内阻很小,解决了现有采用二极管电源防反接方案存在的压降和功耗过大的问题。
MOS管型防反接保护电路
图3利用了MOS管的开关特性,控制电路的导通和断开来设计防反接保护电路。由于功率MOS管的内阻很小,现在MOSFET Rds(on)已经能够做到毫欧级,解决了现有采用二极管电源防反接方案存在的压降和功耗过大的问题。

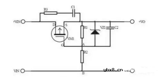
图3.NMOS管型防反接保护电路
极性反接保护将保护用场效应管与被保护电路串联连接。保护用场效应管为PMOS场效应管或NMOS场效应管。
若为PMOS,其栅极和源极分别连接被保护电路的接地端和电源端,其漏极连接被保护电路中PMOS元件的衬底。
若是NMOS,其栅极和源极分别连接被保护电路的电源端和接地端,其漏极连接被保护电路中NMOS元件的衬底。
一旦被保护电路的电源极性反接,保护用场效应管会形成断路,防止电流烧毁电路中的场效应管元件,保护整体电路。具体N沟道MOS管防反接保护电路电路如图3示。
N沟道MOS管通过S管脚和D管脚串接于电源和负载之间,电阻R1为MOS管提供电压偏置,利用MOS管的开关特性控制电路的导通和断开,从而防止电源反接给负载带来损坏。 正接时候,R1提供VGS电压,MOS饱和导通;反接的时候MOS不能导通,所以起到防反接作用。功率MOS管的Rds(on)只有20mΩ实际损耗很小,2A的电流,功耗为(2×2)×0.02=0.08W根本不用外加散热片。解决了现有采用二极管电源防反接方案存在的压降和功耗过大的问题。

图4.使用N型功率MOS管的输入防反接电路原理图

图5.使用P型功率MOS管的输入防反接电路原理图
VZ1为稳压管防止栅源电压过高击穿MOS管。
NMOS管的导通电阻比PMOS的小,最好选NMOS。
NMOS管接在电源的负极,栅极高电平导通。
PMOS管接在电源的正极,栅极低电平导通。
审核编辑:汤梓红
什么是PCA?何时应该使用PCA?
时间:2026-04-28
仪表放大器放大倍数分析
时间:2026-04-28
射频微波设计入门
时间:2026-04-28
变压器结构
时间:2026-04-28
8种进行简单线性回归的方法分析与讨论
时间:2026-04-28
什么是RS485通信接口
时间:2026-04-28
简单的上色装置
时间:2026-04-26
液晶屏对比度温度补偿
时间:2026-04-26
双输入视频多路复用的电缆驱动器
时间:2026-04-26
带有75Ω负载的抗阻匹配线路驱动器
时间:2026-04-26
NVIDIA CPU+GPU超级芯片大升级!
时间:2026-03-09
电阻的原理和作用 电阻色环识别图 电路中电...
时间:2026-03-09
什么是室温超导?半导体时代将走向结束?芯...
时间:2026-03-09
石英灯电子变压器电路原理
时间:2026-03-06
半导体光刻工艺 光刻—半导体电路的绘制
时间:2026-03-09
什么是硅片或者晶圆?一文了解半导体硅晶圆
时间:2026-03-09
汽车芯片业应汲取的教训
时间:2026-03-09
半导体行业之ICT技术简介
时间:2026-03-09
压敏电阻有正负极吗
时间:2026-03-05
实用模拟电路小常识浅析
时间:2026-03-09