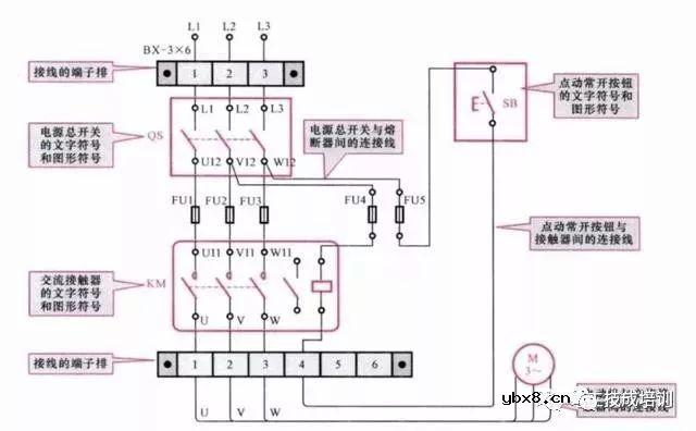
| 电工线路包含电力的传输 变换和分配线路,以及电气设备的供电和控制线路,它是将线路的连接和分配以及元器件的连接和控制关系,用文字符号和图形符号线路标记等表示出来。线路图是电气系统中的各种电气设备 装备及元器件的名称 关系和状态的工程语言。下图为一典型电路
图中,文字符号是电工常用的一种字符代码,主要包括字母和数字。 图形符号主要是指代表电子元气件 功能部件等物理部件的图形符号。 线路标记则是构成线路图的线 圆点 虚线等。 ①结合电气文字符号 图形符号等进行识图。
有文字符号如T1-T6 QS1 ,也有图形符号 ②结合电工 电子技术的基础知识识图 ③主要总结和掌握各种电工线路 ④结合电气或电子元器件的结构和工作原理识图 ⑤对照学习识图 电工线路识图的基本步骤 ①区分线路的类型分为电工接线图和电工原理图
接线图
原理图 电工接线图的特点是是能体现各元件的实际位置关系,安装检查 维修比较方便。 电工原理图的特点是完整的体现线路的特性和电气作用原理。 ②明确用途 从整体上把握线路用途,明确线路最终实现结果, ③建立对应关系 划分线路 根据线路中的文字符号和图形符号,将这些符号信息与实际元器件建立起一一对应的关系。
④寻找工作机会 了解元器件功能的工作条件,条件具备时,元件才可进入工作状态
⑤寻找控制部件 如控制电动机转动,需要接触器的吸合,接触器需要用按钮或其他元器件来控制
⑥确定控制关系 找到控制部件后,根据线路连接情况,确定控制部件与被控部件之间的关系
⑦理清供电及控制信号流程 弄清每操作一个控制部件后,被控部件所执行的动作或结果,从而理清线路的信号流程 |
相关热词:#电工论坛
电场激活原位掺杂平面光伏型胶体量子点红外...
时间:2026-03-09
什么是硅片或者晶圆?一文了解半导体硅晶圆
时间:2026-03-09
集成电路的几纳米代表了什么?
时间:2026-03-09
金刚石基GaN问世 化合物半导体行业进入第三...
时间:2026-03-09
实用模拟电路小常识浅析
时间:2026-03-09
寄存器是什么?怎么操作寄存器点亮LED灯?
时间:2026-03-09
一文详解MOS管驱动电路拓扑的设计
时间:2026-03-09
汽车芯片业应汲取的教训
时间:2026-03-09
半导体光刻工艺 光刻—半导体电路的绘制
时间:2026-03-09
电阻的原理和作用 电阻色环识别图 电路中电...
时间:2026-03-09
豆浆机更换电机全过程
时间:2026-03-09
电信 IPTV 常见故障排除方法与检修实例 (三...
时间:2026-03-08
三相电的相序 怎样才能分辨ABC
时间:2026-03-09
《洗衣机维修从入门到精通》电子书PPT之三
时间:2026-03-09
电气电工专业就业前景,如果再给你一次机会...
时间:2026-03-09
电工师傅你知道变送器标准信号是多少吗?百...
时间:2026-03-09
TCL王牌 LE50D8810型液晶电视图像抖动故障应...
时间:2026-03-09
TCL L39E5090-3D型液晶电视自动关机故障检修...
时间:2026-03-09
长虹55Q2R型液晶电视,上电后指示灯亮,二次...
时间:2026-03-09
MT23机芯特别之处
时间:2026-03-09