当前位置:首页 > 维修 > 正文

康佳35018270三合一板电路原理与维修。

来源:网络  发布者:电工基础  发布时间:2026-03-09 14:59
康佳LED液晶彩电采用的35018270主板+电源+背光灯三合一板,主板核心电路采用超级单片6A800HTAB平台,对各种输入信号进行放大处理,显示图像和伴音;开关电源驱动电路采用FAN6755W,输出+65V和+12V电压,为主板和背

康佳LED液晶彩电采用的35018270主板+电源+背光灯三合一板,主板核心电路采用超级单片6A800HTAB平台,对各种输入信号进行放大处理,显示图像和伴音;开关电源驱动电路采用FAN6755W,输出+65V和+12V电压,为主板和背光灯电路供电;LED背光灯驱动电路采用OZ9902A,将+65V电压提升到+105V左右,为两路LED背光灯串供电。应用于康佳LED42M3820AF、LED42M1200AF、LED42M1230AF、LED42M1370AF、LED40M1200AF等液晶彩电中。

康佳35018270三合一板电路原理与维修。

康佳35018270主板+电源+背光灯三合一板实物图解见上图所示。电路组成方框图见上图所示。电路组成方框图见下图所示。

康佳35018270三合一板电路原理与维修。

一.电源电路工作原理

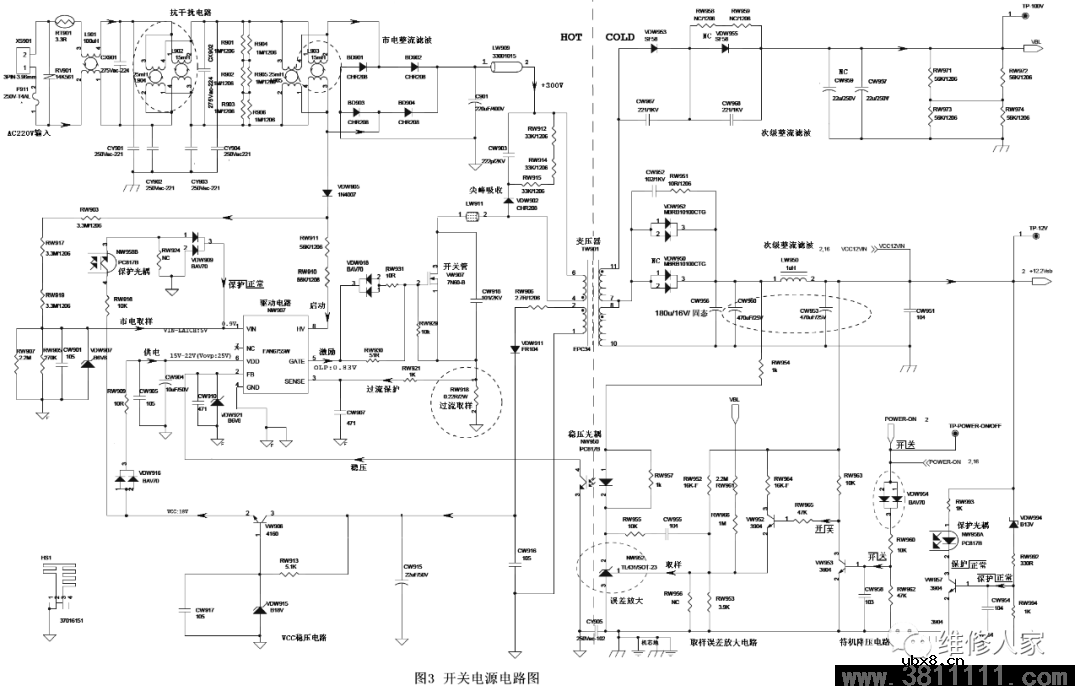
康佳35018270主板+电源+背光灯三合一板的开关电源电路见下图所示,由抗干扰和市电整流滤波电路、开关电源主电路、稳压控制电路、开关机控制电路组成。

康佳35018270三合一板电路原理与维修。

㈠开关电源主电路

开关电源主电路以驱动控制电路FAN6755W(NW907)、大功率MOSFET开关管VW907、变压器TW901、稳压控制电路误差放大器NW952(TL431)、光耦NW950(PC817)为核心组成。输出+12Vsb、+65V电压,+12Vsb电压为主板和背光灯驱动电路供电,+65V电压为背光灯升压电路供电。

1.FAN6755W简介

FAN6755W是高集成绿色电源专用驱动控制电路,内含软启动、时钟发生器、比较器、电压控制、激励放大电路等。固定工作频率65kHz,5ms软启动G极驱动,固定输出电压18V,具有供电欠压保护、开路保护等功能,自适应绿色模式,减少损耗,最小工作频率23 kHz。FAN6755引脚功能见表1所示。

表1FAN6755W引脚功能

康佳35018270三合一板电路原理与维修。

220V交流电压经过抗干扰电路滤除干扰脉冲后,分为两路,一路经全桥BD901-BD904整流、C901(220μF/400V)滤波得到+300V直流电压,经开关变压器TW901的初级6-4脚为MOSFET开关管VW907的D极供电;另一路经VDW905整流、RW911、RW910降压后,为NW907的8脚提供HV启动电压,该电路启动工作,NW907从5脚输出激励脉冲电压,经RW930、VDW918、RW931推动开关管VW907工作于开关状态,VW907产生的脉冲电流在TW901中产生感应电压。其中TW901的热地端1-2绕组上产生的感应电压,经RW906限流、VDW911整流、CW915、CW916滤波后产生的直流电压,再经VW906、VDW915组成的稳压电路稳压后,产生VCC-18V电压,经VDW916、RW909,送到NW907的6脚,取代NW907的8脚内HV启动电压,为启动后的NW907提供稳定的供电。

2.启动工作过程

TW901的冷地端次级10-8绕组产生的感应电压经双二极管VDW952整流,CW956、CW960、LW950、CW953组成的π式电路滤波后,输出+12Vsb电压,为主板和背光灯驱动电路供电;TW901的次级10-8加7-11绕组产生的感应电压经VDW953整流,CW957滤波后,输出+65V电压,为LED背光灯升压电路供电。

3.稳压控制电路

稳压控制电路由取样电路RW952、RW953、RW961、RW966和误差放大器NW952(TL431)、光耦NW950(PC817)为核心组成,对NW907的2脚FB电压进行控制,达到稳压值的目的。

当开关电源输出的+65V和+12Vsb电压升高时,经过取样电路分压,使NW952的采样输入端电压升高,比较放大后NW952的电流增加,经过光电耦合器NW950使NW907的2脚电压降低,NW907输出的脉冲变窄,开关管VW907的导通时间变短,开关电源输出电压降低正常值。当开关电源输出电压降低时,稳压电路向相反的方向变化,输出电压上升到正常值。

4.开关管过流保护电路

NW907的3脚为电感电流检测输入端,通过RW921对大功率开关管VW907的S极电压进行检测,当VW907的电流过大,在S极电阻RW918上产生的电压降增加,通过RW921加到NW907的3脚,经内部检测后,执行保护措施,停止输出激励脉冲。

5.尖峰吸收保护电路

大功率开关管VW907的D极与VDW902、CB903、RW912、RW914、RW915组成的尖峰脉冲吸收电路相连接。当开关管VW907截止时,在TW901的6-4初级绕组产生较高的反峰压,该反峰压经尖峰吸收电路吸收释放,避免开关管截止期间将开关管VW907击穿。

6.市电过压保护电路

该保护电路由驱动电路NW907的1脚内外电路组成。NW907的1脚内设电压检测和保护电路,当1脚电压过高或过低时,保护电路启动,NW907停止工作。市电经VDW905整流,RW903、RW917、RW919与RW905、RW907分压后,送到NW907的1脚。当市电电压过高,输入端1脚电压达到5V时,NW907保护电路启动,开关电源停止工作。

7.输出过压保护电路

过压保护电路由13V稳压管VDW994、检测三极管VW957、光耦NW958为核心组成,对开关电源驱动电路NW907的1脚电压进行控制。

当开关电源输出的+12Vsb电压达到13V以上时,击穿13V稳压管VDW994,经RW992向VW957的b极注入高电平;VW957导通,光耦NW958导通,其内部光敏三极管导通,从3脚输出高电平,经VDW909向NW907的1脚注入高电平,NW907据此进入保护状态,开关电源停止工作。

(二)保护与调整电路

该背光灯驱动电路N701(OZ9902A)具有多种保护功能,当背光灯升压电路和调光电路发生过压、过流、短路、开路故障时,均会进入保护状态,背光灯电路停止工作。

1. ISW升压开关管过流保护

OZ9902A芯片的20脚ISW1和16脚ISW2为过流保护检测输入端,检测电压在芯片内部进行比较,控制升压开关管V711、V708的导通时间。

R723、R724、R749是V711的S极电流检测取样电阻,R733、R734为V708的S极电流检测取样电阻,取样电压分别通过R720、R732送入OZ9902A的20脚和16脚。当升压开关管V711、V708电流过大时,送到OZ9902A的20、16脚过流保护取样电压ISW1或ISW2升高到保护设定值时,OZ9902A内部保护电路启动,OZ9902A停止工作。

2. OVP升压输出过压保护

OZ9902A芯片的19脚OVP1和15脚OVP2为过压保护检测输入端,R746、R753与R745分压对C727两端输出电压进行取样,送到OZ9902A的19脚;R742、R751与R741分压对C7015两端输出电压进行取样,送到OZ9902A的15脚。当升压输出电压过高时,取样电压OVP1或OVP2升高到保护设定值3V时,OZ9902A内部保护电路启动,OZ9902A停止工作。正常工作时该脚电压在0.2V~3V之间。

3. OVP升压输出短路保护

当升压输出电压对地短路时,OVP电压低于0.2V时,OZ9902A保护电路也会关断锁死,短路故障排除后,方能重新启动工作。

4. UVLS供电欠压保护

OZ9902A芯片的1脚UVLS为供电电压检测输入端,内设欠压保护电路。+65V经R707、R713与R706分压取样后送到OZ9902A的1脚,该脚电压高于3V时OZ9902A正常工作;当该脚电压低于3V时,OZ9902A内部保护电路启动,进入锁死保护状态,OZ9902A停止工作。

5.LED灯串短路、开路保护

当LED背光灯串正负极之间短路时,会造成背光灯电流急剧增加,在调光MOSFET开关管V710、V709的S极产生较高的电流取样电压ISEN1、ISEN2,当该取样电压达到保护设计值时,内部保护电路启动,进入保护锁死状态,OZ9902A停止工作。当LED背光灯串开路或电流检测电路对地短路时,反馈电压ISEN1、ISEN2为0时,也会进入保护锁死状态,OZ9902A停止工作。

6.24脚保护电压输出电路

OZ9902A的24脚内设保护输出电路,背光灯电路正常时,24脚输出低电平0V;当背光电路出现故障时,OZ9902A的24脚输出高电平,经VD703送到图4左下角的模拟可控硅保护电路,触发V706、V707导通,将开关机控制POWER-ON开机状态的高电平拉低,迫使开关机控制电路动作,进入待机保护状态,开关电源输出电压降低到正常时的三分之二左右。

7.延时保护电路

开机延时保护电路见图4的右上角所示,开机的瞬间,N701的2脚+12VAA电压经R725、R726为C728充电,为V712提供正向偏置电压,V712导通,将N701的24脚输出的保护电压对地短路;当C728充电结束时,V712截止,对N701的24脚保护电路不产生影响,避免开机瞬间LED未工作,N701进行保护。

开机后的延时保护在OZ9902A内部,由OZ9902A的10脚的内部电路和外接电容C718组成。当各路保护电路送来起控信号时,保护电路不会立即动作,而是先给C718充电。当充电电压达到保护电路的设定阈值时,才输出保护信号。从而避免出现误保护现象,也就是说只有出现持续的保护信号时,保护电路才会动作。

二.电源与背光灯电路维修提示

康佳35018270主板+电源+背光灯三合一板的电源与背光灯电路是该电视机易发故障部位,开关电源电路发生故障,主要引发开机无图像、无伴音、无光栅的三无故障,背光灯电路发生故障,主要引发黑屏幕和开机保护故障。可通过观察待机指示灯是否点亮,测量关键的电压,解除保护的方法进行维修。由于该背光灯电路设有两路相同的升压电路和调光电路,维修时可采用相同部位电压、对地电阻比较的方法,判断故障范围和故障元件。

(一)开机三无,待机指示灯不亮

1.保险丝熔断

测量保险丝F911是否熔断,如果已经熔断,说明开关电源存在严重短路故障,主要对以下电路进行检测。一是检测交流抗干扰电路电容器、压敏电阻RV901和整流滤波BD901~BD904、C901是否击穿漏电。二是检查电源开关管VW907是否击穿。如果击穿,继续查TW901的初级绕组并接的尖峰吸收电路元件是否开路失效,避免二次击穿VW907,检查S极电阻RW918是否连带烧断。

2.保险丝未断

如果测量保险丝F911未断,指示灯不亮,主要是开关电源电路未工作,测量开关电源有无电压输出。如果无电压输出,首先测量大滤波电容C901两端有无+300V直流电压,无电压,检测排除限流电阻RT901、抗干扰电路线圈和市电整流电路BD901-BD904的开路故障。

+300V电压正常,一是测量NW907的8脚有无启动电压,如果无启动电压,检查NW907的8脚外部启动电路RW911、RW910是否开路;二是测量NW907的1脚电压是否正常,该脚电压过高或过低,是VDW905、RW903、RW917、RW919与RW905、RW907组成的市电分压取样检测电路元件变质或开路所致,造成NW907内部保护电路启动;如果NW907的1脚电压偏高,多为由VW957、NW958组成的开关电源过压保护电路启动,常见为稳压管VDW994漏电所致;三是测量NW907的6脚VDD供电,该脚外部VDD供电电路发生故障,特别是CW915容量失效,也会造成6脚电压过低,开关电源不能维持工作。

启动和供电正常,检测NW907的5脚有无激励脉冲输出,无激励脉冲输出为驱动电路NW907及其外部电路故障;有激励脉冲输出则是开关管VW907、变压器TW901及其次级整流滤波电路故障。

(二)开机三无,待机指示灯亮

1.检测POWER-ON电压

指示灯亮,说明开关电源板有电压输出,多为开关电源未进入开机状态。此时遥控开机测电源板POWER-ON是否为高电平,如果是低电平,则是主板故障或未进入开机状态,检查主板的工作状态和开关机控制电路。

2.检查开关机和保护电路

如果POWER-ON电压为高电平,测量电源板输出电压为正常时的三分之一,检查开关机控制电路VW953、VW952;如果POWER-ON电压开机瞬间为高电平,背光灯启动后变为低电平,检测LED背光灯驱动设置的保护电路是否启动,将POWER-ON电压拉低。

(三)背光灯始终不亮

1.检查背光灯电路工作条件

首先检查LED驱动电路工作条件。测LED驱动电路OZ9902A的2脚的+12V供电、3脚点灯控制电压,7、8、9脚的亮度调整电压和1脚的+65V检测取样电压是否正常。供电电压不正常检查相关供电电路;点灯和亮度调整电压不正常,故障在主板控制系统。

2.区分故障范围

LED驱动电路工作条件正常,检查OZ9902A的22、23脚有无激励脉冲输出,无激励脉冲输出,则故障在OZ9902A及其外部电路;否则故障在升压输出电路、调光电路或LED背光灯串。

)、背光灯亮后闪烁


1.引发故障原因

如果开机的瞬间,有伴音,显示屏亮一下就灭,然后LED背光灯闪烁,则是LED驱动保护电路启动所致。OZ9902A内部通过电压反馈OVP、过流保护ISW和电流反馈ISEN,判断输出电压是否正常,LED背光灯电流是否正常,当背光灯电路发生过压、过流、断流故障时,OZ9902A就会从24脚输出高电平保护电压,通过模拟可控硅电路V706、V707将开关机控制电压POWER-ON拉低,迫使开关电源进入待机状态,输出电压降低到正常时的三分之二左右,+65V电压降低到+42V左右,+12Vsb电压降低到+7V左右,按理应进入无光无声的待机状态,但是由于该三合一板设计的原因,控制系统没有关闭BL/ON,仍处于高电平点灯状态,背光灯驱动电路仍在工作,此时由于电源供电电压降低,造成背光灯驱动电路间歇性工作,产生背光闪烁故障,这是该三合一板一个特有的故障现象,应该引起维修同行们的注意。

2.测量关键点电压

发生此类故障,多为背光灯驱动电路、LED背光灯串发生故障所致。可通过测量背光驱动升压电压LED1+、LED2+电压和调流管V710、V709的D极LED1-、LED2-电压进行判断,正常时LED1+、LED2+电压为105V左右,如果高于正常值达到150V,则是相关的LED灯串发生开路故障;如果低于正常值为+65V左右,则是升压电路发生故障;正常时调流管V710、V709的D极LED1-、LED2-电压为6.2V左右,V710、V709的G极电压为9.6V左右,如果D极为0V则是相关LED灯串发生开路故障。

3.解除保护,观察故障现象

解除保护的方法是强行迫使OZ9902A退出保护状态,进入工作状态,但故障元件并未排除,因此解除保护通电试机的时间要短,需要测量电压时提前确定好测试点,连接好电压表,通电时快速测量观察电压,观察电路板器件和背光灯的亮度情况,避免通电时间过长,造成过大损坏。

解除背光灯OZ9902A的24脚外部模拟可控硅保护电路的方法是:一是断开OZ9902A的24脚外部电路;二是将模拟可控硅电路V706的b极对地短路,迫使可控硅电路截止,解除对开关电源电路的控制。

三、维修实例

例1:开机三无,指示灯不亮。

分析与检修:测量大滤波电容C901两端无+300V电压,测量市电输入电路的保险丝F911烧断,说明抗干扰和市电整流滤波电路有开路故障。对抗干扰电路和市电整流滤波电路进行检测,发现全桥整流电路的二极管BD901有漏电现象,正反向电阻均为500欧姆左右。电阻检测其它元件未见异常,更换BD911、F911后,通电试机,彻底排除。

相关热词:#液晶维修