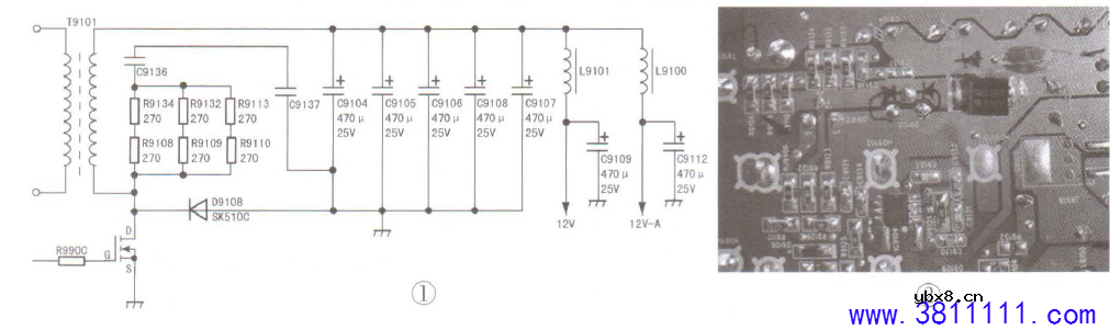
一台飞利浦43PFF5650/T3型液晶彩电,三无。 通电试机,串在市电输入线中的交流电流表指针小幅摆动,说明交流输入电路基本是正常的。 拆机,检测300V电压正常,说明电源初级无短路现象。转向检查12V整流滤波电路,如图1中所示,发现肖特基二极管D910S(SK510C)己短路。 由于笔者手头无此型号二极管,于是用两只MBR5200(200V、15A)并联后代换D910S(见图2)。检查无误后通电试机,故障排除。
|
相关热词:#液晶维修
电场激活原位掺杂平面光伏型胶体量子点红外...
时间:2026-03-09
什么是硅片或者晶圆?一文了解半导体硅晶圆
时间:2026-03-09
集成电路的几纳米代表了什么?
时间:2026-03-09
金刚石基GaN问世 化合物半导体行业进入第三...
时间:2026-03-09
实用模拟电路小常识浅析
时间:2026-03-09
寄存器是什么?怎么操作寄存器点亮LED灯?
时间:2026-03-09
一文详解MOS管驱动电路拓扑的设计
时间:2026-03-09
汽车芯片业应汲取的教训
时间:2026-03-09
半导体光刻工艺 光刻—半导体电路的绘制
时间:2026-03-09
电阻的原理和作用 电阻色环识别图 电路中电...
时间:2026-03-09
豆浆机更换电机全过程
时间:2026-03-09
电信 IPTV 常见故障排除方法与检修实例 (三...
时间:2026-03-08
三相电的相序 怎样才能分辨ABC
时间:2026-03-09
电气电工专业就业前景,如果再给你一次机会...
时间:2026-03-09
TCL王牌 LE50D8810型液晶电视图像抖动故障应...
时间:2026-03-09
采用TP.VST69T.PB901主板的一台长虹LD32U31...
时间:2026-03-09
格兰仕G90F25CN3LV-Q6(GO)变频 微波炉,按启...
时间:2026-03-09
九阳电压力锅维修过程
时间:2026-03-09
美的电磁炉一机多“病”的“医治”
时间:2026-03-09
《洗衣机维修从入门到精通》电子书PPT之三
时间:2026-03-09