微波炉,按启动键后风扇和照明灯工作正常,屏显 从30s开始倒计时,刚过5s屏显"E一1",蜂鸣器报 警。 分析检修:在AC220V供电插座中串入电流 表试机,从电流表读数看,磁控管未工作。启动时 测得变频板己得到AC220V电压,并且电脑板也 已送出启动脉冲到变频板的CON2插座中,看来 故障在变频板上。为便于检修,特实绘出变频升压 电路,如图1所示(控制芯片安装在小板上)。 启动时,变频板得到AC220V电压,经桥堆整 流得到300V电压,经R6、R19、R49、R50降压及 Z2、Z1稳压,输出20V电压,一路供给驱动芯片 U1(1R2103S),另一路由U2(7805)稳压成5V,供 给小板上的控制芯片。电脑板发出的控制信号通 过光捐U3送给小板,小板发出两路驱动信号送 给U1,经U1放大后驱动大功率场效应管Q2, Q4,经开关变压器T1升压后驱动磁控管。 在升压电路正常工作后,Q2的S极和Q1的 D极连接处A点会产生一个高频脉冲,C11和L3 对脉冲降压后,由D4、D3整流、EC1滤波,再经 R18限流后送往Zl稳压,以代替上述启动电源。 Q4 的S 极接一只小阻值电阻R12 ,以检测流 过Q4 的电流。R12 两端的电压通过R20 送往运 放块U5( MCP3158) ,本机只用了U5 中的一个运 放,其放大倍数由R23 和R21 的比值决定,本电 路设计为15 倍。放大信号从①脚输出送往小板, 与电脑板输出的控制信号相比较,以控制开关营 的工作状态。 Q7 和外围元件组成过流保护电路,如果流过 民12 的电流过大, R12 上电压(这是一个脉冲电 压)升高, Q7 导通,小板⑩脚变为低电平,电脑板 收到控制芯片的反馈信号后,输出指令使变频板 停止工作。 提示:EL12 是一只体和、较大的贴片也阻,阻值 为0.0150 。如果R12 阻值增大或引脚接触不良, 会引起过流保护。 Q6 和外围元件组成300V 电压过高保护电 路, R8 、R9 、R13 是300V 电压取样电阻。当300V 电压过高时, Z5 被击穿, Q6 导通,后续控制同过 流保护。 芯片U6 及外围元件组成输出电压过高保护 电路, C21 、R17 、R24 、R40 、R41 组成取样电路,取 样电压{实为脉冲电压)经D 7 整流后,通过R22 送给U6①脚。U6 是一个3 脚贴片元件,丝印为 EBl ,根据电路分析及实测数据,估计该元件是三 端精密稳压器TL431 ,当开关电源输出电压过高 肘, U6③脚变为低电平, Q5 导通,小板③脚变为 高电平,控制芯片发出过压信号,电脑板据此发出 保护信号,变频板停止工作。 另外,靠近开关管的地方安装有一只负温度 系数热敏电阻NTC1 ,当开关管过热时,该电阻阻 值变小,小板⑩脚电压降低,控制芯片让开关电源 停止工作。 对于本机,首先要确定变频板是否工作过?如 果工作过,又是什么原因使变频板进入了保护状 态。测量A 点电压,发现启动时指针万用表(直流 250V 或500V 挡)指针摆动了-下,这说明开关管 导通过;用示波器测量该点,确有高频脉冲。这样 可排除电源电压过高和开关管温度过高保护(或 误保护) ,因为在这两种状态下,控制芯片不会发 出驱动脉冲。接下来判断电路是否过流保护,先将 变频板和磁控管分离开,并拔去磁控管灯丝引脚 连线,用万用表Rx10k 挡测碰控管灯丝和外壳电 阻为∞,由此判断碰控管正常(这里误判了) 。然后 让变频板空载工作,屏仍显"E -l " ,但出现"E -1 " 的时间延长到15s ,这说明问题还是和磁控管有 关。再用自制的1500V 电压表测磁控管灯丝和外 壳之间的电压,发现只有400V ,这肯定不对,因为 正常工作时,灯丝和外壳电压要超过3000V。看来 故障原因应是磁控管灯丝和外壳软击穿,引起变 频板过流保护。 本机磁控管型号是M24FB-710尬,因手头 没有同型号配件,加之以前曾用普通磁控管成功 代换过变频专用碰控营,于是装上型号为 M24FB-6 1OA 的普通磁控管上电试机仍不工作, 但屏显"E 一1"的时间点为倒计时15s 肘。启动时用 试电笔靠近开关变压器,试电笔指示灯亮,这说明 开关电源己输出高压。用4 只lOMO 电阻串联在 指针式万用表表笔中,空载时测得灯丝处的高压 为5800V ,这说明变频板工作正常。难道该机不能 换用通用碰控管? 在检修中因嫌风扇声音太吵,拔了风扇线,连 续多次开机检测关键点的电压波形,突然有一次 碰控管开始工作了,而且加热正常。后来发现,冷 机时多次启动,碰控管会工作起来(热机时能一次 启动成功) 。分析认为可能是冷机时灯丝加热不够 引起碰控不工作呢?用普通微波炉变压器的灯丝 绕组分别给M24FB-710AB 和M24FB-610A 型 磁控管供电,实测其灯丝电流,实测结果见表1 , 可以看出,在同样的灯丝电压下,前者的灯丝 电流要大于后者。既然 如此,如果把灯丝电压 稍微提高一些,后者也 应该能正常工作。 以前在修CRT 电视机显像管老化故障时,用 导线在高压包上穿绕一二臣再串联在原灯丝供电 回路中,这样可以提高灯丝电压。如法炮制,在变 压器磁芯上增加了半臣线,如图2 所示。上电开机 动成功,且无论 冷机、热机功能都 正常,但在一次试 机中,启动约 2min 后,串联在 AC220V 中的电 流表读数突然大幅下降,随即又回升上去,反复两 次后显示"E 一1" 代码。检测后发现碰控管外壳和 灯丝再次软击穿,击穿电压达900V 。 结合两只磁控管损坏的症状,怀疑变频板输 出高压有瞬间过压现象,从而造成磁控管软击穿。 检查过压保护电路中的U6 及其外围元件,都正 常。告知客户变频板和磁控管都需更换,客户嫌费 用太高。能否弃用变频板,改用普通微波炉的变压 器供电呢?考虑到该机电脑板在发出工作信号后, 如没有接收到变频板反馈的正常信号就要停止工 作这一特点,决定把电脑板送往变频板的控制信 号直接作为反馈信号返回给电脑板。拆下变频板, 把电脑板送往变频板CON2 插头的自线(控制信 号)和黄线(反馈信号)用一只1kfl 电阻连接起 来,上电开机,一切正常。 从本次维修过程来看,变频微波炉的磁控营 和普通磁控管各有不同,也有可能是不同机型的 适应性有差别,所以有的机型可以通用,有的则不 行。另外,由于变频磁控管价格是普通管的两三 倍,有不法卖家以普通管混充专用营,这使得能否 通用更难判断。从本例实测数据看,二者的灯丝电 压有些差异,如果换上普通管不工作,则可提高灯 丝电压一试。须注意的是,这种变压器每臣线圈的 感应电压较高(笔者曾在磁芯上绕了一臣,空载时 该臣的感应电压竟高达20Vp -p) ,所以只能增加 半臣,否则有烧断灯丝的危险。 本机最初故障是倒计时5s 时显示" E-l "代 码,实际上在启动3s 后电脑板就切断变频板的 AC220V 供电,而驱动开关营的脉冲只有瞬间出 现,这是因为电路严重过流,电脑板很快作出反 应。在检修中,空载时倒计时15 5 才显示代码,这 是因为变频板启动后,碰控管灯丝加热到额定温 度需要一段时间,在磁控管正常工作前,变频板基 本处于空载状态,所以需要较长时间的延迟c 当变频板进入保护状态后,由于开关电源停 止工作, D3 , D4 等元件组成的辅助电涯无电压输 出,而启动电源的内阻较大, 则z1商更宅压降至 6V ,变频板进入锁定状态,以保护严关管=当然如 果开关电源不正常,辅助电源又能提供足够能量, 变频板也会停止工作。 另外,在变频板启动工作时,巨示主器测桥堆 输出的300V 电压竟然是频率为l lKIHz 约300V 脉冲直流电,这是因为C7 的容量仅为3.9μF , 在 负载电流达数安培的情况下, IJ 容量毛容滤波效 果不大, C7 和L2 的主要作用是~;=关电源产生 的高频脉冲进行滤波。 碰控管损坏后主要表现为灯堂三'.:;11对外壳漏 电或使用曰久后老化。对于仨丝王污、更致击穿的 情况还是第一次碰到,由于软士穿王三去高,用万 用表无法检测,易引起误判, 望专严?三雪工至于为 何会软击穿,是否和变频板室主tF: 妄E洼形不正 常有关,还i青高手指教。 |
长虹55D2000i电视,开机后屏显“系统正在升级...
时间:2026-03-09
长虹58U1型机,黑屏的维修
时间:2026-03-09
长虹58Q2F型机,上电后指示灯闪烁,不开机的...
时间:2026-03-09
长虹55D2000i 型机,开机后一直显示厂标“CH...
时间:2026-03-09
长虹50D2000i型机,不开机的维修
时间:2026-03-09
康佳LC22ES61型液晶彩电,图像彩色异常的维...
时间:2026-03-09
康佳LED32F3300CE型液晶彩电开机后花屏的维...
时间:2026-03-09
康佳LED32HS11液晶电视出现开机LOGO后自动关...
时间:2026-03-09
康佳液晶电视LED32MS92C背光亮无图的维修和...
时间:2026-03-09
康佳LED42IS97N(2BOM)液晶电视开机花屏的...
时间:2026-03-09
电信 IPTV 常见故障排除方法与检修实例 (三...
时间:2026-03-08
分享一下解决TV远程各种问题的工具方法,你...
时间:2026-03-09
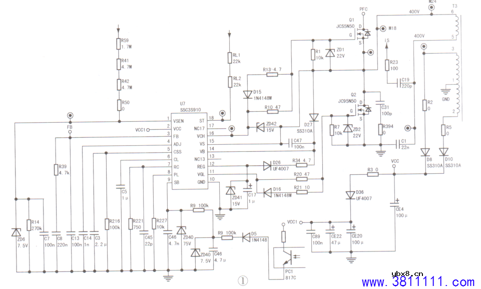
格兰仕G90F25CN3LV-Q6(GO)变频 微波炉,按启...
时间:2026-03-09
《洗衣机维修从入门到精通》电子书PPT之三
时间:2026-03-09
海信TLM32V66A液晶电视不开机的故障维修
时间:2026-03-09
8G29软件工厂调试说明
时间:2026-03-09
TCL王牌 LE50D8810型液晶电视图像抖动故障应...
时间:2026-03-09
创维55F5型机电源板故障维修3例
时间:2026-03-09
TCL L39E5090-3D型液晶电视自动关机故障检修...
时间:2026-03-09
长虹55Q2R型液晶电视,上电后指示灯亮,二次...
时间:2026-03-09