| 同行转修过来,说是死机,按键通通不起作用,按键已全部换新。插电试机,只有肉类按键所对应的指示灯常亮,并伴随蜂鸣器间隔报警声,按键均不起作用。开机维修,测供电5V正常,板子没有晶振,按以往经验,指示灯全部拆下10K挡检测全部正常。维修陷入困境,难道CPU坏了,看型号是S3P9454BZZ-DK94,找来以前换下来的旧板,有两块型号接近,都是S3F9454BZZ-DK94,看着差不多,就装上一块,结果显示屏闪烁,多个指示灯也同时亮起,按键仍不起作用。立马打电话给同行,你的锅子CPU坏了,没货,换万能板板吧。同行说先放你那里,一会过去拿。无聊,在门前转了一圈回来,仍是没事干。打理战场,两块板子撂一边,装机。嗯....会不会是显示屏坏了呢?看着手里的旧板子,思量着。试一下,拆掉原机的一比,原机的要大一号。好在引脚比较长,两边掰了掰,顺利装入,焊接好通电一试,居然正常了,所有功能都正常了,原来真凶竟是他!第一次遇到这样的,特此与大家分享。
|
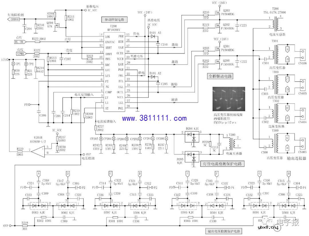
液晶显示器高压板坏的现象及维修思路
时间:2026-03-09
电脑储存器的革命——固态硬盘
时间:2026-03-09
海尔统帅LE42KNH6液晶电视机技改方案
时间:2026-03-09
智能电视到底要不要安装网络机顶盒,为什么...
时间:2026-03-09
创维液晶电视42M11HF电源板的维修
时间:2026-03-09
史上最全电视机维修案例参考资料
时间:2026-03-09
长虹3D32A2000IV液晶电视开机一直卡在长虹L...
时间:2026-03-09
力铭CLV82006.10型IP板电路分析与检修(三)...
时间:2026-03-09
乐视S40机芯_查看打印信息-控制台进入-擦空...
时间:2026-03-09
康佳液晶电视通过串号码查询机器参数方法
时间:2026-03-09
电信 IPTV 常见故障排除方法与检修实例 (三...
时间:2026-03-08
格兰仕G90F25CN3LV-Q6(GO)变频 微波炉,按启...
时间:2026-03-09
《洗衣机维修从入门到精通》电子书PPT之三
时间:2026-03-09
图文解说微波炉的原理知识与维修。
时间:2026-03-08
九阳电压力锅维修过程
时间:2026-03-09
洗衣机出现常见故障知识问答
时间:2026-03-08
电磁炉常见故障检修几例
时间:2026-03-09
豆浆机更换电机全过程
时间:2026-03-09
图解小天鹅全自动洗衣机各零部件及故障维修...
时间:2026-03-08
一台电压力锅死机的原因竟然是显示屏故障
时间:2026-03-08