我国电量的百分之七十以上是火力电,其中火力电中百分之九十以上为动力煤发电,但是由于我国高速的经济发展,供电量还是远远跟不上经济发展的需求,特别是随着5G技术的普及,5G信号的频率远远超于4G,这就导致5G信号的传递范围远远低于4G的传播范围,因此需要建立的基站数量远远高于4G通信的基站数量,随着5G技术在各个领域的普及,我国将在会有更大的电力缺口,为了缓解将来电力能源的危机,新的发电方式必将迎来蓬勃的发展。
在传统的风力发电中,由于风力的不稳定性,因此直接产生的电压不稳定,不能直接被利用,需要进一步的稳压,储能,转化才能实现正常的使用。


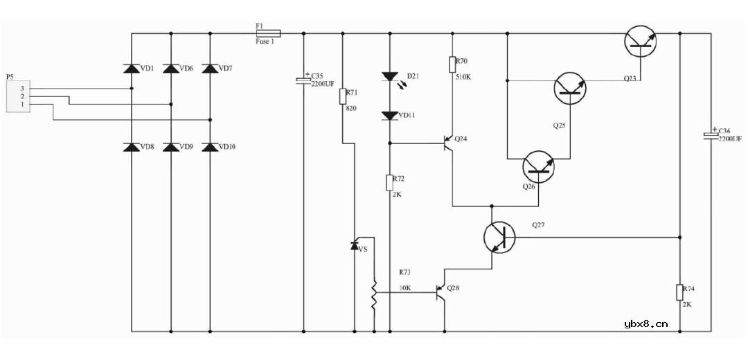
图1 发电电路;

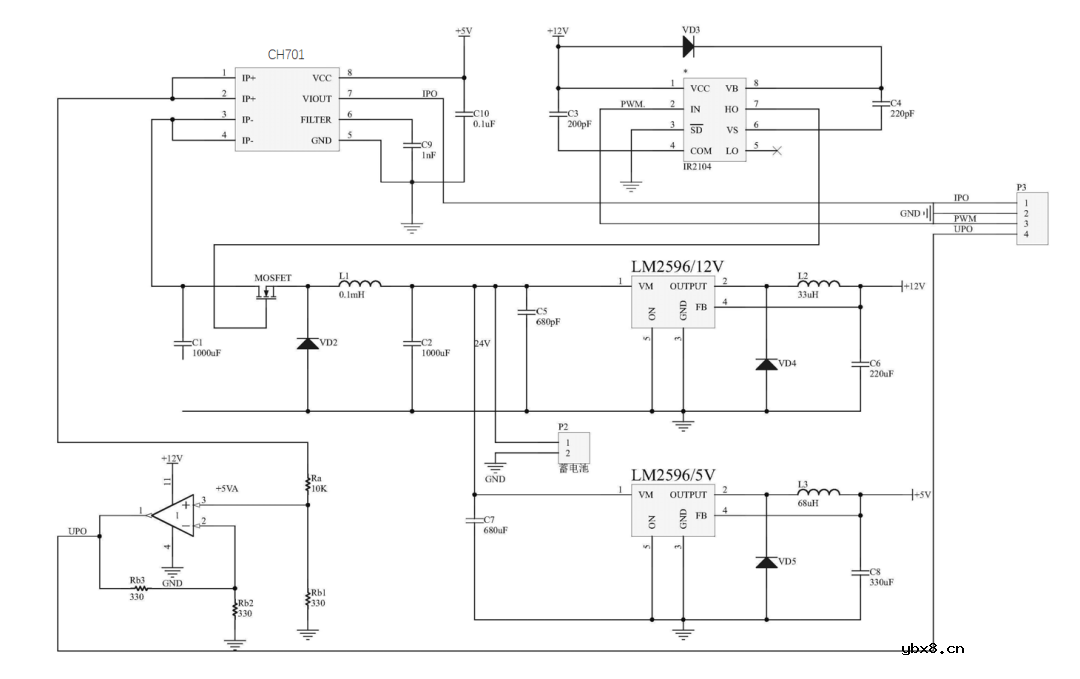
图2 充电电路;

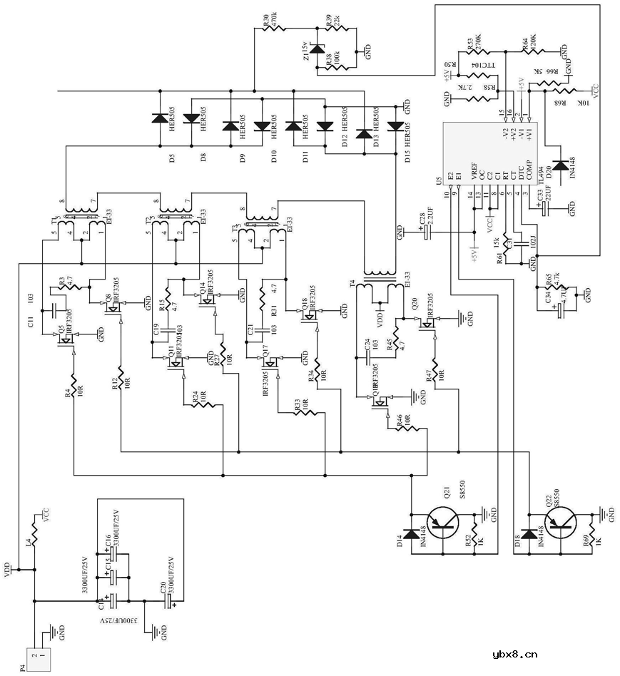
图3 升压电路、整流电路、控制器电路;

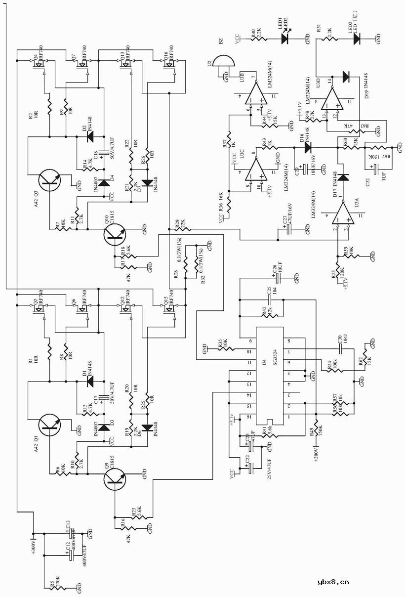
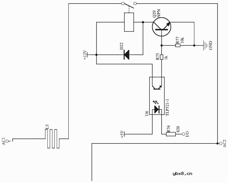
图4 H桥电路、脉宽调制电路、LED显示电路、告警电路;

图5 输出电路;

图6为电路结构图。
工作原理:
本电路通过发电机将机械能转换为电能储存到蓄电池中,蓄电池通过逆变电路将直流电转换为工频交流电,供负载使用,在风能较多的地区可以利用此电路特性将不稳定的风能转变为稳定可控的交流电供负载使用,若电量有剩余,还可以申请并入电网给其他用户提供干净稳定的电能。
电流采用及处理电路采用CH701电流传感器IC,CH701是工业、商业和通信系统交直流传感的精确经济的解决方案,小型封装非常适合空间狭小的应用,由于减少了电路板的面积,还降低了成本,典型应用领域包括电动机控制、载荷检测和管理、开关式电源和过电流故障保护。


CH701产品特点:
1.0.8 mohm初级导体电阻,用于低功率损耗和高浪涌电流耐受能力
2.集成屏蔽实际上消除了从电流导体到芯片的电容耦合,极大地抑制了由于高dv/dt瞬态而产生的输出噪声
3.行业领先的噪声性能,通过专有的放大器和滤波器设计技术大大提高了带宽
4.高带宽120kHz模拟输出,在控制应用中响应时间更快
5.过滤器引脚允许用户在较低的带宽下过滤输出以提高分辨率
6.集成数字温度补偿电路允许在开环传感器中实现近闭环精度
7.适用于空间受限应用的小尺寸、低剖面SOIC8封装
8.滤波器引脚简化了带宽限制,在较低的频率下获得更好的分辨率
9.单电源运行
10.输出电压与交流或直流电流成比例
11.工厂微调灵敏度和静态输出电压
12.提高精确度
13.斩波器稳定导致极稳定的静态输出电压
14.近零磁滞
15.电源电压输出比率
产品应用:
电机控制;
负荷检测与管理;
开关电源;
过电流故障保护;
审核编辑:刘清
相关热词:
回调函数(callback)是什么?回调函数的实现方...
时间:2026-05-08
电压指示测试灯
时间:2026-05-08
PLC自动步程序的7种编程方法
时间:2026-05-08
压力变送器的工作原理
时间:2026-05-08
ipv6和ipv4有什么区别,哪个网速快?
时间:2026-05-08
TFTP简介_TFTP的特点_TFTP的应用
时间:2026-05-08
氩弧焊与电焊的优缺点,哪个更加结实
时间:2026-05-08
使用高压电阻进行设计的 10 个技巧
时间:2026-05-07
数字仪表与模拟仪表:它们有何区别?
时间:2026-05-07
基于半导体的电源模块与分立元件
时间:2026-05-07
基于逻辑门的构成解释如何完成任意逻辑的管...
时间:2026-03-08
彩灯电路
时间:2026-03-05
三相异步电动机原理
时间:2026-03-04
三相异步电动机的拆装详讲
时间:2026-03-04
NE555的有趣电路设计分享
时间:2026-03-08
光耦在电子电路中作用、关键参数详解
时间:2026-03-08
从0学电路,万用表演示测量三极管方法
时间:2026-03-08
电动机单线远程正反转控制电路图
时间:2026-03-04
转角测量电路
时间:2026-03-05
美的电磁炉电路图大全(六款美的电磁炉电路...
时间:2026-03-07