三极管的使用一直是我们在设计电路的时候经常会用到的。今天小编来为大家总结下关于NPN和PNP两种型号三极管的使用和连接方法,这里所说的是分别用于开关状态的电路。 首先来说一下NPN型,这种型号的三极管在用于开关状态时,大都是按图一的接法:发射极接地,集电极接高电平,基极接控制信号。在图一里,当信号Green为高电平时,三极管导通,电流从集电极流向发射极,也就是说从Vcc到地构成一回路,这个时候发光二极管导通发光。其次对于PNP型的三极管,用于开关状态时,一般都是按图二的接法:发射极接高电平,当基极收到低电平信号时,三极管导通,也即电流从发射极流向集电极。

常见的三极管为9012、s8550、9013、s8050.单片机应用电路中三极管主要的作用就是开关作用。其中9012与8550为pnp型三极管,可以通用。其中9013与8050为npn型三极管,可以通用。PNP与NPN两种三极管各引脚的表示:

三极管在我们数字电路和模拟电路中都有大量的应用,在我们开发板上也用了多个三极管。在我们板子上的 LED 小灯部分,就有这个三极管的应用了,图 3-5 的 LED 电路中的 Q16就是一个 PNP 型的三极管。
图 3-5 LED 电路

三极管的初步认识三极管是一种很常用的控制和驱动器件,常用的三极管根据材料分有硅管和锗管两种,原理相同,压降略有不同,硅管用的较普遍,而锗管应用较少,本课程就用硅管的参数来进行讲解。三极管有 2 种类型,分别是 PNP 型和 NPN 型。先来认识一下,如图 3-6。
图 3-6 三极管示意图

三极管一共有 3 个极,从图 3-6 来看,横向左侧的引脚叫做基极(base),中间有一个箭头,一头连接基极,另外一头连接的是发射极 e(emitter),那剩下的一个引脚就是集电极 c(collector)了。这是必须要记住的内容,死记硬背即可,后边慢慢用的多了,每次死记硬背一次,多次以后就会深入脑海了。
三极管的原理三极管有截止、放大、饱和三种工作状态。放大状态主要应用于模拟电路中,且用法和计算方法也比较复杂,我们暂时用不到。而数字电路主要使用的是三极管的开关特性,只用到了截止与饱和两种状态,所以我们也只来讲解这两种用法。三极管的类型和用法我给大家总结了一句口诀,大家要把这句口诀记牢了:箭头朝内 PNP,导通电压顺箭头过,电压导通,电流控制。下面我们一句一句来解析口诀。大家可以看图 3-6,三极管有 2 种类型,箭头朝内就是PNP,那箭头朝外的自然就是 NPN 了,在实际应用中,要根据实际电路的需求来选择到底用哪种类型,大家多用几次也就会了,很简单。三极管的用法特点,关键点在于 b 极(基极)和 e 级(发射极)之间的电压情况,对于PNP 而言,e 极电压只要高于 b 级 0.7V 以上,这个三极管 e 级和 c 级之间就可以顺利导通。也就是说,控制端在 b 和 e 之间,被控制端是 e 和 c 之间。同理,NPN 型三极管的导通电压是 b 极比 e 极高 0.7V,总之是箭头的始端比末端高 0.7V 就可以导通三极管的 e 极和 c 极。这就是关于“导通电压顺箭头过,电压导通”的解释,我们来看图 3-7。
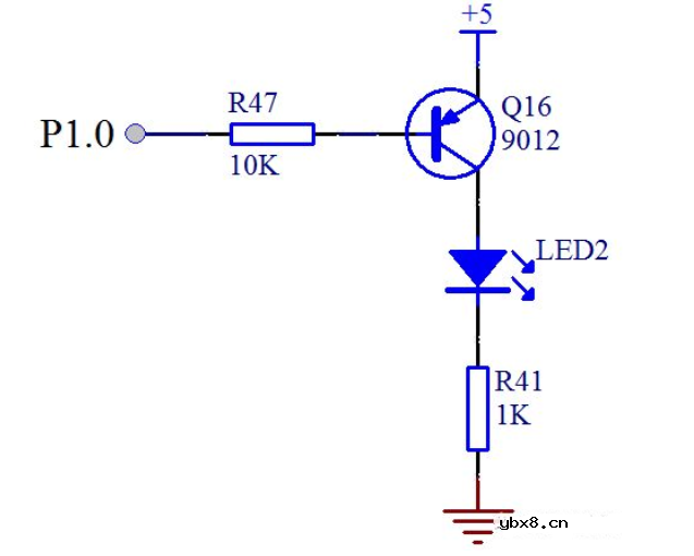
图 3-7 三极管的用法

我们以图 3-7 为例介绍一下。三极管基极通过一个 10K 的电阻接到了单片机的一个 IO口上,假定是 P1.0,发射极直接接到 5V 的电源上,集电极接了一个 LED 小灯,并且串联了一个 1K 的限流电阻最终接到了电源负极 GND 上。如果 P1.0 由我们的程序给一个高电平 1,那么基极 b 和发射极 e 都是 5V,也就是说 e到 b 不会产生一个 0.7V 的压降,这个时候,发射极和集电极也就不会导通,那么竖着看这个电路在三极管处是断开的,没有电流通过,LED2 小灯也就不会亮。如果程序给 P1.0 一个低电平 0,这时 e 极还是 5V,于是 e 和 b 之间产生了压差,三极管 e 和 b 之间也就导通了,三极管 e 和 b 之间大概有 0.7V 的压降,那还有(5-0.7)V 的电压会在电阻 R47 上。
这个时候,e 和 c 之间也会导通了,那么 LED 小灯本身有 2V 的压降,三极管本身 e 和 c 之间大概有 0.2V的压降,我们忽略不计。那么在 R41 上就会有大概 3V 的压降,可以计算出来,这条支路的电流大概是 3mA,可以成功点亮 LED。最后一个概念,电流控制。前边讲过,三极管有截止,放大,饱和三个状态
,截止就不用说了,只要 e 和 b 之间不导通即可。我们要让这个三极管处于饱和状态,就是我们所谓的开关特性,必须要满足一个条件。三极管都有一个放大倍数β,要想处于饱和状态,b 极电流就必须大于 e 和 c 之间电流值除以β。这个β,对于常用的三极管大概可以认为是 100。
那么上边的 R47 的阻值我们必须要来计算一下了。刚才我们算过了,e 和 c 之间的电流是 3mA,那么 b 极电流最小就是 3mA 除以 100 等于30uA,大概有 4.3V 电压会落在基极电阻上,那么基极电阻最大值就是 4.3V/30uA = 143K。电阻值只要比这个值小就可以,当然也不能太小,太小会导致单片机的 IO 口电流过大烧坏三极管或者单片机,STC89C52 的 IO 口输入电流最大理论值是 25mA,我推荐不要超过 6mA,我们用电压和电流算一下,就可以算出来最小电阻值,我们图 3-7 取的是经验值。
影响介电常数的因素有哪些?
时间:2026-04-22
关于电流互感器基础知识介绍
时间:2026-04-22
开关电源的工作原理及特性
时间:2026-04-22
绝缘栅双极型晶体管(IGBT)外形、等效结构与...
时间:2026-04-22
信噪比(SNR)的定义,如何计算信噪比
时间:2026-04-22
波特率是什么意思_怎样计算波特率
时间:2026-04-21
RS485基本知识介绍
时间:2026-04-18
什么是激光雷达?激光雷达的构成与分类
时间:2026-04-18
Excelpoint - 一文了解SiC MOS的应用
时间:2026-04-18
什么是磁电阻器?磁电阻特性及应用
时间:2026-04-18
半导体光刻工艺 光刻—半导体电路的绘制
时间:2026-03-09
石英灯电子变压器电路原理
时间:2026-03-06
什么是室温超导?半导体时代将走向结束?芯...
时间:2026-03-09
什么是硅片或者晶圆?一文了解半导体硅晶圆
时间:2026-03-09
电阻的原理和作用 电阻色环识别图 电路中电...
时间:2026-03-09
北京理工大学实现了光导型向平面光伏型量子...
时间:2026-03-09
HTCC:半导体封装的理想方式
时间:2026-03-06
如何利用可扩展的柔性中间层制备超低模量电...
时间:2026-03-09
NVIDIA CPU+GPU超级芯片大升级!
时间:2026-03-09
光伏控制器简介
时间:2026-03-06