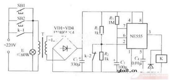
如图是一个以NE555为核心器件组成的延迟灯电路。VD2、VS、C3、C4等组成简单的二极管整流稳压电路,接通电源后,C3两端即输出12V左右直流电压供整个电路用电。NE555时基电路接成单稳态工作模式,平时因C1充满电荷,NE555的阈值端即第⑥脚处于高电平,时基电路处于复位状态,其③脚输出低电平,继电器K不动作,灯E不亮。此时LED点亮发光,用来指示开关位置,便于夜间寻找开关。

如图所示电路,关灯后,电路不再消耗任何电能。继电器K应采用有两组转换触点的小型电磁继电器,如JRX-13F、DC12V型等。

如图所示电路,延迟时间由R3、C3数值决定,按图所示数据,灯点亮时间为150s左右。

如图所示时基电路的延迟灯电路,延迟时间由R3、C2充电时间常数决定,图示数据约为4min左右。

相关热词:#555时基电路
波特率是什么意思_怎样计算波特率
时间:2026-04-21
RS485基本知识介绍
时间:2026-04-18
什么是激光雷达?激光雷达的构成与分类
时间:2026-04-18
Excelpoint - 一文了解SiC MOS的应用
时间:2026-04-18
什么是磁电阻器?磁电阻特性及应用
时间:2026-04-18
什么是电场?电场在电容器中的应用
时间:2026-04-18
什么是ARM64?
时间:2026-04-17
vga和hdmi的区别
时间:2026-04-17
什么是ESD?ESD及TVS的原理和应用
时间:2026-04-17
开关电源原理与维修完整版 (10)_标清视频
时间:2026-04-16
基于逻辑门的构成解释如何完成任意逻辑的管...
时间:2026-03-08
彩灯电路
时间:2026-03-05
NE555的有趣电路设计分享
时间:2026-03-08
三相异步电动机原理
时间:2026-03-04
三相异步电动机的拆装详讲
时间:2026-03-04
从0学电路,万用表演示测量三极管方法
时间:2026-03-08
电动机单线远程正反转控制电路图
时间:2026-03-04
光耦在电子电路中作用、关键参数详解
时间:2026-03-08
H桥电机驱动电路解析
时间:2026-03-08
转角测量电路
时间:2026-03-05