
触摸一下金属片开,SCR1导通,负载得电工作。触摸一下金属片关,SCR2导通,继电器J得电工作,K断开,负载失电,SCR2关断后,电容对继电器J放电,维持继电器吸合约4秒钟,故电路动作较为准确。如果将负载换为继电器,即可控制大电流工作的负载。
触摸式台灯电路原理图
触摸式台灯电路见图,它分四档控制灯泡的亮度。通电后灯泡不亮,第一次轻轻触摸一下灯罩外壳,灯泡便发出低亮度的光,第二次触摸灯泡发出中亮度的光,第三次触摸灯泡变为全亮,第四次触摸灯泡熄灭,依次循环。此电路易出现的故障是双向可控硅97A6坏及灯罩金属外壳与电路触摸输入端子之间接触不良。
小编调试电路时,TT6061用GS6061代替,1N4004用1N4007代替,其余元件与图中相同。经验证,电路工作可靠,能实现方中所述功能。但双向可控硅易损坏,建议读者制作时在可控硅两端并联一电阻电容串联所组成的保护电路。

可控硅交流调压器由可控整流电路和触发电路两部分组成,其电路原理图如下图所示。 从图中可知,二极管D1—D4组成桥式整流电路,双基极二极管T1构成张弛振荡器作为可控硅的同步触发电路。当调压器接上市电后,220V交流电通过负载电阻RL经二极管D1—D4整流,在可控硅SCR的A、K两端形成一个脉动直流电压,该电压由电阻R1降压后作为触发电路的直流电源。在交流电的正半周时,整流电压通过R4、W1对电容C充电。
当充电电压Uc达到T1管的峰值电压Up时,T1管由截止变为导通,于是电容C通过T1管的e、b1结和R2迅速放电,结果在R2上获得一个尖脉冲。这个脉冲作为控制信号送到可控硅SCR的控制极, 使可控硅导通。可控硅导通后的管压降很低,一般小于1V,所以张弛振荡器停止工作。当交流电通过零点时,可控硅自关断。当交流电在负半周时,电容C又从新充电……如此周而复始,便可调整负载RL上的功率了。

一般书刊介绍的大功率可控硅触发电路都比较复杂,而且有些元件难以购买。笔者仅花几元钱制作的触发电路已成功触发100A以上的可控硅模块,用于工业淬火炉上调节380V电压,又装一套用于大功率鼓风机作无级调速用,效果非常好。本电路也可用作调节220V交流供电的用电器。
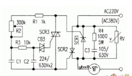
电路见图。将两只单向可控硅SCRl、SCR2反向并联.再将控制板与本触发电路连接,就组成了一个简单实用的大功率无级调速电路。这个电路的独特之处在于可控硅控制极不需外加电源,只要将负载与本电路串联后接通电源,两个控制极与各自的阴极之间便有5V~8V脉动直流电压产生,调节电位器R2即可改变两只可控硅的导通角,增大R2的阻值到一定程度,便可使两个主可控硅阻断,因此R2还可起开关的作用。
该电路的另一个特点是两只主可控硅交替导通,一个的正向压降就是另一个的反向压降,因此不存在反向击穿问题。但当外加电压瞬时超过阻断电压时,SCR1、SCR2会误导通,导通程度由电位器R2决定。SCR3与周围元件构成普通移相触发电路,其原理这里从略。
SCR1、SCR2笔者选用的是封装好的可控硅模块(110A/1000V),SCR3选用BTl36,即600V的双向可控硅。本电路如用于感性负载,应增加R4,C3阻容吸收电路及压敏电阻RV作过压保护,防止负载断开和接通瞬间产生很高的感应电压损坏可控硅。

相关热词:#单向可控硅
影响介电常数的因素有哪些?
时间:2026-04-22
关于电流互感器基础知识介绍
时间:2026-04-22
开关电源的工作原理及特性
时间:2026-04-22
绝缘栅双极型晶体管(IGBT)外形、等效结构与...
时间:2026-04-22
信噪比(SNR)的定义,如何计算信噪比
时间:2026-04-22
波特率是什么意思_怎样计算波特率
时间:2026-04-21
RS485基本知识介绍
时间:2026-04-18
什么是激光雷达?激光雷达的构成与分类
时间:2026-04-18
Excelpoint - 一文了解SiC MOS的应用
时间:2026-04-18
什么是磁电阻器?磁电阻特性及应用
时间:2026-04-18
基于逻辑门的构成解释如何完成任意逻辑的管...
时间:2026-03-08
彩灯电路
时间:2026-03-05
NE555的有趣电路设计分享
时间:2026-03-08
三相异步电动机原理
时间:2026-03-04
光耦在电子电路中作用、关键参数详解
时间:2026-03-08
三相异步电动机的拆装详讲
时间:2026-03-04
从0学电路,万用表演示测量三极管方法
时间:2026-03-08
电动机单线远程正反转控制电路图
时间:2026-03-04
H桥电机驱动电路解析
时间:2026-03-08
转角测量电路
时间:2026-03-05