一个实际的光发射机电路中除了调制电路和光源这两个部分外,还应包括码型变换电路和许多辅助电路,因比,实际的光发射机电路是十分复杂的,不便列出.下面,仅给出一个较简单的电路,这个电路是用在光中继器上的,如图3-37所示.
图中包括了激光器和它的调制电路,以及正向偏置控制电路,控制电路是根据PIN管从LD得到的背向散射光来实现对LD的控制.图中没有画出码型变换电路及其他辅助电路.

光发射机是在发射端将电信号转换成适合于在光纤中传输的光信号。光源是光发射机的主要器件,但仅有光源是不能构成发射机的,光发射机还包括输入接口、激光二极管(LD)驱动电路、自动功率控制(APC)电路、自动温度控制(ATC)电路、慢启动与限流保护电路、光源与光纤的耦合等,其组成框图如图1所示。
输入电路将输入的PCM脉冲信号进行整形,变换成NRZ/RZ码后通过驱动电路调制光源(直接调制)或送到光调制器调制光源,输出连续光波(外调制)。驱动电路给光源一个预偏置电流。为稳定输出的平均光功率和工作温度,通常设置一个自动功率控制及自动温度控制电路。光发射机中的报警电路是对光源寿命及工作状态进行监测与报警。LD的温控电路用于稳定平均功率和工作温度。

驱动电路将电信号转化成光信号,将要传输的电信号调制到光源的输出。LED的驱动电路比较简单,而在较高速率下采用LD驱动电路可能变得相当复杂。无论是LED还是LD,一般都需要在一定的注入电流下进行调制,因此驱动电路应该能对光源同时提供偏置电流和随信号变化的调制电流。
常用的LD驱动电路可分为单管集电极和射级耦合2种驱动电路。这里采用一种简单的,但可实际应用的射级耦合LD驱动电路,如图2所示。

图2中,通过偏置电路,使LD的偏置电流在其阈值附近,晶体管VBG3构成一个恒流源,向LD提供调制电流,晶体管VBG1和VBG2构成对LD调制电流的开关电路,VBG2的基极加有固定的参考电压VBB,当输入为“0”码时,VBG1的基极电位比VBB低,因此VBG1截止而VBG2导通,是恒流源通过VBG2流过LD而发射出光脉冲;反之,当输入信号为“1”码时,VBG1的基极电位比VBB高,因此VBG1导通而VBG2截止,不发出光脉冲,如果在信号输入VBG1之前加一个反相器,则可以在LD上得到与电信号脉冲一致的光脉冲输出。
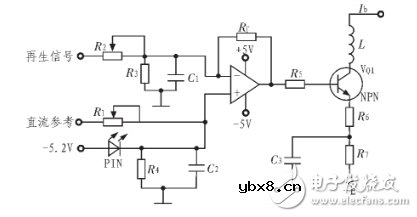
为了稳定激光器的输出功率,需要在发射机中具有自动功率控制(APC)电路,APC电路一般利用与LD封装在一起的PIN二极管检测LD后向输出的光信号,根据PIN输出的大小而自动改变对LD的偏置电流,使其输出功率保持恒定。可能引起激光输出功率变化的因素是芯片温度变化和激光器老化效应。
图3给出APC电路原理图,PIN二极管检测到的信号与直流参考电压进行比较后,送到集成运算放大器的反向输入端,另一方面再生信号电压通过调节R2后送到集成运算放大器的同相输入端,集成运算放大器和晶体管VQ1组成可自动调节的恒流源向LD提供直流偏置,偏流的大小可由直流参考电压的调整而进行预置。该APC电路可以保证在输入信号为“1”码时,激光器发出强度恒定的“1”码;而当输入信号为“0”码时,激光器工作在阈值附近。

导体激光器的输出特性受温度影响很大,当温度发生变化(包括环境温度变化和注入电流引起的温度变化)时,LD的P-I特性和光谱特性都要发生变化,因此在光发射机中需要有自动温度控制电路,以保证激光器在恒定温度下工作。一般说来,在实用的半导体激光器封装中,都带有一个半导体致冷器和一只能够检测激光器芯片温度变化的热敏电阻,可采用图4的ATC电路实现对激光器工作温度的稳定。

相关热词:#发射机
影响介电常数的因素有哪些?
时间:2026-04-22
关于电流互感器基础知识介绍
时间:2026-04-22
开关电源的工作原理及特性
时间:2026-04-22
绝缘栅双极型晶体管(IGBT)外形、等效结构与...
时间:2026-04-22
信噪比(SNR)的定义,如何计算信噪比
时间:2026-04-22
波特率是什么意思_怎样计算波特率
时间:2026-04-21
RS485基本知识介绍
时间:2026-04-18
什么是激光雷达?激光雷达的构成与分类
时间:2026-04-18
Excelpoint - 一文了解SiC MOS的应用
时间:2026-04-18
什么是磁电阻器?磁电阻特性及应用
时间:2026-04-18
基于逻辑门的构成解释如何完成任意逻辑的管...
时间:2026-03-08
彩灯电路
时间:2026-03-05
NE555的有趣电路设计分享
时间:2026-03-08
三相异步电动机原理
时间:2026-03-04
三相异步电动机的拆装详讲
时间:2026-03-04
从0学电路,万用表演示测量三极管方法
时间:2026-03-08
电动机单线远程正反转控制电路图
时间:2026-03-04
光耦在电子电路中作用、关键参数详解
时间:2026-03-08
H桥电机驱动电路解析
时间:2026-03-08
转角测量电路
时间:2026-03-05