今天讲一下二极管,网上关于二极管的文章很多,希望我的这篇文章能够帮助大家更好地理解二极管。
什么是二极管?
根据百科上的定义:"二极管最常见的功能是允许电流沿一个方向,也就是二极管的正向通过,同时阻止相反方向的电流。因此,二极管可以被视作是止回阀的电子版本。"

二极管图
那什么是止回阀?
用简单一点的话来讲,可以把它想象成一个乒乓球笼呼吸管,当乒乓球笼高于水面时,乒乓球在笼底,可以通过呼吸管呼吸,随着笼子移动到水下面,乒乓球浮起来,直到它堵住通气管的开口,阻止任何水进入通气管。
就像乒乓球充当止回阀以防止水进入通气管一样,二极管充当止回阀以阻止电压反向流动。

二极管单向导通图
二极管怎么工作?
二极管最主要的一个能力就是可以控制电路中电流流动的能力,也就是单向导通性。与通过抵抗或存储的无源器件不同,二极管在电流流经设备时主动地深入了解电流的涨落。下面有两种方法可以展示二极管中电流的流动情况。
(a)前向偏置:将电池正确插入电流时,将允许电流流过二极管。
(b)反向偏置:将电池反向通过电路,二极管将阻止任何电流的流动

二极管原理图
可能这两个术语看起来比较复杂,通俗点就是将二极管看作开关,要么关闭(打开)电流可以通过,要么打开(关闭)电流不能通过。
二极管有哪些作用?
二极管主要有以下几个作用:
01整流
一般电源中的交流电,电流的反向总是在改变,而二极管具有只允许电流沿某个方向流动的特性,因此只能从交流电流中提取正向电流,这就是二极管的整流作用。
半波整流:半波整流电路中的一个二极管,用于截断交流信号的负端。

半波整流图
这个转化只需要一个二极管,如果将交流信号发送到电路中,电路中唯一的二极管将剪掉信号的负部分,只留下正输入作为直流波。
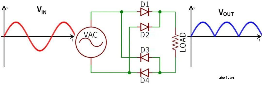
全波桥式整流:将整个交流电的正负信号转换为直流电
这个转化过程需要四个二极管,实际上是将交流信号中的所有负波转化为正波,用于直流信号。

全波整流图
02无线电波检测
二极管在从无线电波中提取音频信号方面发挥着作用,这称为检测波。无限电波是通过将用于通信的高频信号与诸如语音的低频信号相结合而产生的。
03电压控制
一般来说,二极管只承载一定方向的电流,但是当相反方向的电压超过一定值时,电压就会开始流动。
但是当反向电压超过一定值时,电压开始流动,电压开始流动,即使电流增加,电压也不会改变,这种称为击穿现象,发生击穿现象的电压称为“击穿电压”或“齐纳电压”。
屈服现象用于二极管电压控制,以这种方式使用的二极管称为齐纳二极管。
04电流转化
当光线照射到PN结时,靠近结的N侧的电子移动。因此,只要有光亮,电流就会移动。这就是太阳能电池的组成部分。
当没有从外部施加电压时,二级管充当电池,当施加电压时,就是充当二极管。
一些二极管对可见光有响应,而对不可见光有响应的二极管则用于红外遥控器的光接收部分等应用。
05控制电压尖峰
二极管可以应用在出现意外电压尖峰的应用中,这些应用中的二极管可以通过吸收落在二极管击穿电压范围内的任何电压来限制可能对设备造成的任何损坏。
06保护电路
二极管可以用于保护敏感电路,通过将二极管与电源的正负极串联,可以保证电流仅沿正确的方向流动。
举个简单的例子,如下图所示,将二极管与LED灯串联,LED对反向电流非常敏感,如果LED两端有足够的反向电压下降,LED将击穿并允许电流反向流过,这可能导致LED永久损坏。

二极管保护电路图
如果用户将电池放在电路中的错误方向,电流将流过二极管,然后流过电阻或流向LED的阳极,绕过LED的阴极,这就意味着高反向电流流过电路时,LED不会损坏。

二极管保护电路图
其实二极管的作用远不止这些,以上只是我个人的一些见解。
波特率是什么意思_怎样计算波特率
时间:2026-04-21
RS485基本知识介绍
时间:2026-04-18
什么是激光雷达?激光雷达的构成与分类
时间:2026-04-18
Excelpoint - 一文了解SiC MOS的应用
时间:2026-04-18
什么是磁电阻器?磁电阻特性及应用
时间:2026-04-18
什么是电场?电场在电容器中的应用
时间:2026-04-18
什么是ARM64?
时间:2026-04-17
vga和hdmi的区别
时间:2026-04-17
什么是ESD?ESD及TVS的原理和应用
时间:2026-04-17
开关电源原理与维修完整版 (10)_标清视频
时间:2026-04-16
半导体光刻工艺 光刻—半导体电路的绘制
时间:2026-03-09
石英灯电子变压器电路原理
时间:2026-03-06
什么是室温超导?半导体时代将走向结束?芯...
时间:2026-03-09
什么是硅片或者晶圆?一文了解半导体硅晶圆
时间:2026-03-09
电阻的原理和作用 电阻色环识别图 电路中电...
时间:2026-03-09
北京理工大学实现了光导型向平面光伏型量子...
时间:2026-03-09
HTCC:半导体封装的理想方式
时间:2026-03-06
如何利用可扩展的柔性中间层制备超低模量电...
时间:2026-03-09
NVIDIA CPU+GPU超级芯片大升级!
时间:2026-03-09
光伏控制器简介
时间:2026-03-06