变容二极管(Varactor Diodes)又称“可变电抗二极管”,是利用pN结反偏时结电容大小随外加电压而变化的特性制成的。反偏电压增大时结电容减小、反之结电容增大,变容二极管的电容量一般较小,其最大值为几十皮法到几百皮法,最大区容与最小电容之比约为5:1。它主要在高频电路中用作自动调谐、调频、调相等、例如在电视接收机的调谐回路中作可变电容。
1、变容二极管的作用是利用PN结之间电容可变的原理制成的半导体器件,在高频调谐、通信等电路中作可变电容器使用。
变容二极管属于反偏压二极管,改变其PN结上的反向偏压,即可改变PN结电容量。反向偏压越高,结电容则越少,反向偏压与结电容之间的关系是非线性的,如右图所示。

变容二极管与反向偏压
2、变容二极管的电容值与反向偏压值的关系图解:
(a) 反向偏压增加,造成电容减少;
(b) 反向偏压减少,造成电容增加。
电容误差范围是一个规定的变容二极管的电容量范围。数据表将显示最小值、标称值及最大值,这些经常绘在图上。
变容二极管又称“可变电抗二极管”。所用材料多为硅或砷化镓单晶,并采用外延工艺技术。反偏电压愈大,则结电容愈小。变容二极管具有与衬底材料电阻率有关的串联电阻。

图 是变容二极管的电路图形符号。
变容二极管属于反偏压二极管,改变其PN结上的反向偏压,即可改变PN结电容量。反向偏压越高,结电容则越少,反向偏压与结电容之间的关系是非线性的。
变容二极管有玻璃外壳封装(玻封)、塑料封装(塑封)、金属外壳封装(金封)和无引线表面封装等多种封装形式、如图所示。通常,中小功率的变容二极管采用玻封、塑封或表面封装,而功率较大的变容二极管多采用金封。


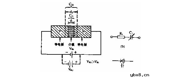
图1 变容二极管的构造原理、简化等效电路及电路符号
参见图1(a)。从本质上讲,它属于反偏压的二极管,其结电容就是耗尽层的电容。可近似反耗尽层视为平行板电容器,两个导电板之间有介质。因此,结电容C1的容量与耗尽层的宽度d成反比,有公式C1∝1/d,又因为d与反向偏压VR的n次方成正比(n是与掺杂浓度有关的常数),故C1∝1/VRn,因此,反向偏压愈高,耗尽区就愈宽,而结电容量愈小。反之亦然。(a)图中,VR1>VR2,故d2>d1,Cj2<Cj1。
变容二极管的简化等效电路及电路符号分别如图1(b)、(c)所示。图中用一只可变电容来表示结电容。R2是半导体材料的电阻。
选择500型万用表的R×1k档。首先将红表笔接一端,黑表笔接另一端,若测得电阻值为6.5kΩ,与此同时记下表针倒数偏转格数n′≈19.7格。然后交换管脚位置后重新测量,电阻值变成无穷大。由此判定第一次为正向接法,正向电阻为6.5kΩ,正向导通电压VF=0.03V/格×9.7格=0.59V。第二次则属于反向接法。该管子具有单向导电性,并且靠近红色环的管脚为正极。欲测量变容二极管的结电容,可选用100pF量程的线性电容表。
①最高反向工作电压VR:是指加在变容二极管两端的反向电压不能超过的电压允许值。
②反向击穿电压VB。:在施加反向电压的情况下,使变容二极管击穿的电压。
③结电容C:它是指在一特定的反偏压下,变容二极管内部PN结的电容。
④结电容变化范围:在工作电压范围内结电容的变化范围。
⑤电容比:是指结电容变化范围内的最大电容与最小电容之比。
⑥Q值:是变容二极管的品质因数,它反映了对回路能量的损耗。
变容二极管发生故障,主要表现为漏电或性能变差:
(1)发生漏电现象时,高频调制电路将不工作或调制性能变差。
(2)变容性能变差时,高频调制电路的工作不稳定,使调制后的高频信号发送到对方被对方接收后产生失真。
出现上述情况之一时,就应该更换同型号的变容二极管。
TVS二极管IV曲线的特征以及钳位电气模型
时间:2026-03-07
新型光电二极管为可穿戴设备生命体征监测应...
时间:2026-03-07
InGaAs单光子雪崩焦平面研究进展
时间:2026-03-07
二极管型非制冷红外焦平面中二极管结构优化...
时间:2026-03-07
艾迈斯欧司朗发布高性价比塑料封装的75W边发...
时间:2026-03-07
如何选择能代换FGH60N60SMD的型号参数的IGB...
时间:2026-03-07
CAN总线浪涌保护设计的重要性与方法
时间:2026-03-07
不间断电源的工频逆变电路IGBT选择
时间:2026-03-07
FHA60T65A型号户外储能电源IGBT介绍
时间:2026-03-07
混合硅基光电探测器的各项性能研究
时间:2026-03-07
玻璃釉电容器的结构与特点
时间:2026-03-05
电容器入门教程
时间:2026-03-05
关于STM32WL LSE 添加反馈电阻后无法起振的...
时间:2026-03-05
暑期买元器件下单立减还送华为P30pro
时间:2026-03-05
电阻的标称阻值和允许偏差
时间:2026-03-05
使用过滤器电容器和诱导器来抑制受辐射的EM...
时间:2026-03-05
LED固晶机龙头直面“寒冬”
时间:2026-03-05
浅谈高压贴片电容分类与性能参数
时间:2026-03-05
聚四氟乙烯电容器的结构与特点
时间:2026-03-05
漆膜电容器的结构与特点
时间:2026-03-05