照相机辅助闪光装置
本电路利用光敏管和普通可控硅组合成光开关,灵敏度大为提高,而且动作稳定。

相关热词:#照相机
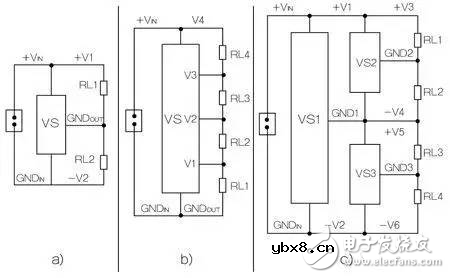
三种主要电压分割器架构及应用电路设计剖析
时间:2026-03-07
新手必读:555芯片工作原理、发展历史及其工...
时间:2026-03-07
详解555引脚图与内部功能结构
时间:2026-03-07
基于555的“生日快乐”电子蜡烛电路图
时间:2026-03-07
基于555的应用典型电路图及深度解析系列(一...
时间:2026-03-07
基于555定时器的多谐振荡器电路图
时间:2026-03-07
直流电动机的常见故障及故障排除方法
时间:2026-03-07
TLV3501比较器电路原理图、参数封装与应用
时间:2026-03-07
TLV3501应用电路及其电路图
时间:2026-03-07
TLV3501怎么做比较器,TLV3501比较器电路设计...
时间:2026-03-07
彩灯电路
时间:2026-03-05
三相异步电动机原理
时间:2026-03-04
三相异步电动机的七种调速方式
时间:2026-03-04
转角测量电路
时间:2026-03-05
经典的正弦波发生电路
时间:2026-03-05
电动机单线远程正反转控制电路图
时间:2026-03-04
USB转232电路图
时间:2026-03-04
电度表的工作原理
时间:2026-03-04
电风扇红外遥控器2
时间:2026-03-04
三相异步电动机的拆装详讲
时间:2026-03-04