正余弦旋转变压器与线性旋转变压器基本结构和原理
旋转变压器是输出电压与转子转角成一定函数关系的特种电机,其一、二次侧绕组分别放在定、转子上,一次侧绕组与二次侧绕组之间的电磁耦合程度与转子的转角密切相关。从原理上看,旋转变压器相当于一台可以转动的变压器;从结构上看,旋转变压器相当于一台两相的绕线转子异步电动机。 按照输出电压与转子转角间的函数关系,旋转变压器可以分为正余弦旋转变压器、线性旋转变压器、特种函数旋转变压器等。正余弦旋转变压器的输出电压与转子转角成正余弦函数关系,而线性旋转变压器的输出电压在一定转角范围内与转子转角成正比。可见,旋转变压器是将角度信号转换成与其成某种函数关系的电压信号,其主要用途就是进行三角函数计算、坐标变换和角度数据传输等。
一、基本结构

二、工作原理
1. 空载运行分析

与普通变压器类似,可以忽略定子励磁绕组的漏阻抗压降,空载时转子输出绕组的感应电动势在数值上就等于输出电压,所以

上式表明,旋转变压器空载时其输出电压分别是转角的余弦函数和正弦函数,这样转子绕组R1-R2就称为余弦输出绕组,而绕组R3-R4称为正弦输出绕组
2. 负载运行分析
当输出绕组接了负载以后,其输出电压便不再是转角的正、余弦函数。例如在图1-2中,正弦输出绕组R3-R4接有负载,其输出电压如图1-3所示,它偏离了期望的正弦值,这种现象称为输出特性的畸变。
畸变是必须消除的,下面首先分析畸变产生的原因,然后介绍消除畸变的措施。


为了消除畸变,就必须设法消除交轴磁通的影响。消除的方法有两种,即一次侧补偿和二次侧补偿。
《!--[if !ppt]--》《!--[endif]--》
3. 畸变补偿
(1) 一次侧补偿


线性旋转变压器结构原理
按照旋转变压器的副边输出和原边输入的关系,可以分为:正余弦旋转变压器、线性旋转变压器、比例式旋转变压器以及特殊函数旋转变压器等四类。其中最为常见、应用最为广的是正余弦旋转变压器。
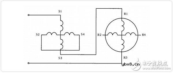
事实上,线性旋转变压器是正余弦旋转变压器的特殊形式。将正余弦旋转变压器的线路进行改接即可实现:一次励磁绕组S1S3与二次绕组(余弦绕 组)R1R3串联后施加额定励磁电压US1R3,将一次侧的交轴绕组S2S4短接起原边补偿作用,二次侧的正弦绕组R2R4作为输出,如图1所示。

图1 线性旋转变压器电气原理图
线性旋转变压器的输出绕组方程式:

其中:θ为转子转过的角度;K为变压比。
2、线性旋转变压器的特性
线性旋转变压器要保持输出电压与转子转角呈线性关系,其变压比K与转子转角θ有着特殊性。
对输出绕组方程式中K分别取0.14,0.46,0.52,0.67,0.95;输入励磁电压幅值为 5V,θ从-180°到180°变化时,作输出电压幅值的变化曲线,如图2所示。

图2 θ从-180°到180°时的输出电压
从图上可以看出:变压比K=0.52至0.67,转子转角θ在-60°至60°时,线性旋转变压器的输出电压与转子转角呈线性函数关系。
所以,市面上的线性旋转变压器的变压比,规定的转子转动角度,都在这两个范围内。
微软硬件发布2012年度中国市场新鼠标
时间:2026-03-06
世上最古老的鼠标长这样 如今已48岁
时间:2026-03-06
雷神猎兵M3鼠标评测:只为游戏而生,你值得...
时间:2026-03-06
空中鼠标原理及问题
时间:2026-03-06
鼠标的分类_鼠标的工作原理是什么
时间:2026-03-06
权威媒体纷纷好评 冰豹多款产品斩获媒体201...
时间:2026-03-06
双十二买什么智能语音鼠标?看完这篇你就懂...
时间:2026-03-06
鼠标按键的“灵动”用法
时间:2026-03-06
爱德CFXB系列直筒型双灯保温式自动电饭锅电...
时间:2026-03-06
爱华CFXB型保温式自动电饭锅电路图
时间:2026-03-06
玻璃釉电容器的结构与特点
时间:2026-03-05
关于STM32WL LSE 添加反馈电阻后无法起振的...
时间:2026-03-05
电阻的标称阻值和允许偏差
时间:2026-03-05
使用过滤器电容器和诱导器来抑制受辐射的EM...
时间:2026-03-05
瓷片电容的意义以及电容抗扰电路设计与分析
时间:2026-03-05
电容电感区别在哪里?特性差异是什么?可编...
时间:2026-03-05
浅谈高压贴片电容分类与性能参数
时间:2026-03-05
聚四氟乙烯电容器的结构与特点
时间:2026-03-05
漆膜电容器的结构与特点
时间:2026-03-05
复合介质电容器的结构与特点
时间:2026-03-05