变压器的工作原理示意图如图1所示。变压器的初级绕组和次级绕组相当于两个电感器,当交流电压加到初级绕组上时,在初级绕组上就形成了电动势,产生出交变的磁场,次级绕组受到初级绕组的作用,也产生与初级绕组磁场变化规律相同的感应电动势(电压),于是次级绕组输出交流电压,这就是变压器的变压过程。

图1变压器的工作原理示意图
变压器的输出电压和绕组的匝数有关,一般输出电压与输入电压之比等于次级绕组的匝数N2与初级绕组的匝数N1之比,即U2/U1=N2/N1;变压器的输出电流与输出电压成反比(I2/I1=U1/U2),通常降压变压器输出的电压降低,但输出的电流增大了,具有输出强电流的能力。
变压器的空载运行是指变压器的一-次绕组接入电源,二次绕组开路的工作状态。此时,一次绕组中的电流称为变压器的空载电流。空载电流产生空载磁场。在主磁场(即同时交联一、二绕组的磁场)作用下,一、二次绕组中便感应出电动势。变压器空载运行时,虽然二次侧没有功率输出,但一次侧仍然从电网吸取一部分的有功功率,来补偿因为磁通饱和,在铁芯内弓|起的磁滞损耗和涡流损耗简称铁耗。磁滞损耗的大小取决于电源的频率和铁芯材料磁滞回线的面积;涡流损耗与最大磁通密度和频率的平方成正比。另外还存在空载电流引起的铜耗。对于不同容量的变压器,空载电流和空载损耗的大小是不同的。

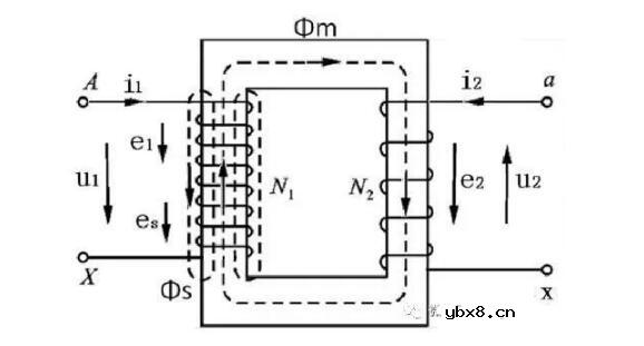
1.主磁通:ɸm漏磁通ɸs
2.自感电动势e1、es
3.互感电动势e2
4.I1=i0i2=0u1=-e1u2=u20=e2
空载运行时,主磁场由原边电流产生。当原边绕组加额定电压时,副边绕组空载电压即为副边额定电压。
主要用来产生主磁场,因此也称为励磁电流;同时也为变压器产生损耗,称为空载损耗。
变压器空载时,原边侧从电源吸收少量的有功功率,用来供给铁损和原边绕组铜损。由于空载电流和原边绕组铜损均很小,所以空载损耗近似等于铁损。
变压器的负载运行是指原绕组接入电源电压,副绕租接负载时的工作状况。这时变压器的副边也有电流流通,原变的接入电路与空载相比相应增大,副边端电压将受到负载的影响而发生变化。
1. 主磁通ɸm由原、副边电流i1、i2共同产生。
2. 漏磁通ɸ1s由原边电流i1产生。
3. 漏磁通ɸ2s由副边电流i2产生。
4. e1、e2:自感+互感;e1s、e2s:自感。
变压器负载运行时,主磁场由原、副边电流共同产生。
变压器负载运行时,原副边电流可以分为两个量,一个为励磁分量,一个为负载分量。
电磁关系将原、副边联系起来,副边电流的变化都会引起原边电流的变化。
铁损PFE空载运行与负载运行时,基本不变。
原、副边绕组铜损:Pcu1=I12R1 Pcu2=I22R2 ;原、副边绕组铜损与原、副边电流的平方成正比,所以是可变损耗。
1、变压器在额定使用条件下,全年可按额定电流运行。
2、变压器允许在平均相对老化率小于或等于1的情况下,周期性地超额定电流运行。
3、当变压器有较严重的缺陷(如冷却系统不正常、严重漏油、有局部过热现象、油中溶解气体分析结果异常等)或绝缘有弱点时,不宜超额定电流运行。
4、正常周期性负载运行方式下,超额定电流运行时,允许的负载系数K2和时间,可按负载导则的方法之一确定。
常用变压器损耗参照表1

常用变压器损耗参照表2

变压器空载运行与负载运行的主要区别主要体现在次级线国中,变压器负载运行次级线圈接负载,产生功率大,空载运行次级线国开路;产生微功率。
变压器利用电磁感应的原理来改变交流电压的装置,主要构件是初级线圈、次级线圈和铁心(磁芯)。在电器设备和无线电路中常用作升降电压、匹配阻抗,安全隔离等。变压器空载运行时;只消耗空载损耗,即铁损和杂散,它是总容量的6%,负载运行时是空载损耗+负载损耗,即铜损,就是变压器的总消耗。
RS485基本知识介绍
时间:2026-04-18
什么是激光雷达?激光雷达的构成与分类
时间:2026-04-18
Excelpoint - 一文了解SiC MOS的应用
时间:2026-04-18
什么是磁电阻器?磁电阻特性及应用
时间:2026-04-18
什么是电场?电场在电容器中的应用
时间:2026-04-18
什么是ARM64?
时间:2026-04-17
vga和hdmi的区别
时间:2026-04-17
什么是ESD?ESD及TVS的原理和应用
时间:2026-04-17
开关电源原理与维修完整版 (10)_标清视频
时间:2026-04-16
开关电源原理与维修完整版 (11)_标清视频
时间:2026-04-16
半导体光刻工艺 光刻—半导体电路的绘制
时间:2026-03-09
石英灯电子变压器电路原理
时间:2026-03-06
什么是硅片或者晶圆?一文了解半导体硅晶圆
时间:2026-03-09
什么是室温超导?半导体时代将走向结束?芯...
时间:2026-03-09
北京理工大学实现了光导型向平面光伏型量子...
时间:2026-03-09
HTCC:半导体封装的理想方式
时间:2026-03-06
如何利用可扩展的柔性中间层制备超低模量电...
时间:2026-03-09
光伏控制器简介
时间:2026-03-06
电阻的原理和作用 电阻色环识别图 电路中电...
时间:2026-03-09
NVIDIA CPU+GPU超级芯片大升级!
时间:2026-03-09