电工问答2026-03-06
什么是HiperLAN/2 术语名称:HiperLAN/2 术语解释:HiperLAN的变种,在HiperLAN/1相同的无线频段上提供最高54Mbps的数据传输率。
mos管开关电路图大全(八款mos管开关电路设...
时间:2026-03-07
TTL反相器的基本电路(六款TTL反相器的基本...
时间:2026-03-07
无线遥控车电路图大全(四款无线遥控车电路...
时间:2026-03-07
九阳电磁炉电路图大全(三款九阳电磁炉电路...
时间:2026-03-07
美的电磁炉电路图大全(六款美的电磁炉电路...
时间:2026-03-07
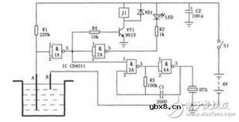
高低水位控制电路图大全(六款高低水位控制...
时间:2026-03-07
常见光电隔离电路图大全(七款常见光电隔离...
时间:2026-03-07
晶闸管调速电路图大全(包括LM324\晶闸...
时间:2026-03-07
1000米无线发射电路图大全(单管振荡C8050/...
时间:2026-03-07
电子管发射机电路图大全(6Pl电子管/调频发...
时间:2026-03-07
什么是追踪缓存/转接卡?
时间:2026-03-06
瞬间抑制二极管(TVS)/瞬间抑制二极管(TVS)是...
时间:2026-03-04
什么是EPIC
时间:2026-03-06
什么是联合并行处理二级缓存?
时间:2026-03-06
什么是Speculative execution/SQRT?
时间:2026-03-06
什么是霍尔传感器
时间:2026-03-05
双向二极管起什么作用?
时间:2026-03-04
半导体材料的主要种类有哪些?
时间:2026-03-04
高级封装,高级封装是什么意思
时间:2026-03-04
数字比较器,数字比较器是什么意思
时间:2026-03-04