汽车点火线圈故障现象_点火线圈老化的表现
电工问答2026-03-07
前言 点火线圈在点火系统的地位很关键,如果点火线圈出现故障,会对整个点火系统带来很多不利影响。进而影响车身健康,并带来不少安全隐患。如果对点火线圈常见的故障表现能有一定了解的话,就能及早判断出哪里
电工问答2026-03-07
涡轮增压发动机指的是配备涡轮增压器的发动机。涡轮增压器实际上是一种空气压缩机,通过压缩空气来增加进气量。它是利用发动机排出的废气惯性冲力来推动涡轮室内的涡轮,涡轮又带动同轴的叶轮,叶轮压送由空气滤
点火线圈的功用是什么_点火线圈对温度有什么要求_汽车点火线圈多久换一次
电工问答2026-03-07
点火线圈的功用是什么? 根据磁路不同点火线圈分哪两类?结构有什么不同?工作原理是什么?
电工问答2026-03-07
在这个追求效率的时代,涡轮增压已经成为高效、科技的象征。大众率先在中国市场推出了TSI技术,接着通用的Turbo技术也被引入中国,越来越多的汽车生产商推出了增压车型。先进的涡轮增压发动机技术,通过提高进入
检测点火线圈的几种方法_怎样维护点火线圈?
电工问答2026-03-07
检测点火线圈的几种方法 耗电量检测法检测点火线圈 耗电量检测法检测点火线圈的方法是:将充足电的蓄电池电流表 与低压线圈组成一个串联的检验电路,如图所示。当接通电路 后,如为6V的点火线圈
电工问答2026-03-07
前些年,欧洲各大车厂纷纷涡轮增压以后,日本车厂却不为所动,依然潜心在搞自己的自然吸气,最终被认定为“技术落后”。而当现在市场上满是涡轮增压,人们的谈论点已经从“有没有涡轮”转移到“有没有烧机油”时
涡轮增压器叶片振动特性分析
电工问答2026-03-07
0、涡轮增压器简介 涡轮增压器实际上是一种空气压缩机,通过压缩空气来增加进气量。它是利用发动机排出的废气惯性冲力来推动涡轮室内的涡轮,涡轮又带动同轴的叶轮,叶轮压送由空气滤清器管道送来的空
6at变速箱工作原理详解
电工问答2026-03-07
自动变速箱6档指的是自动挡变速箱前进档位下有6个传动比,就是6个前进挡。手自一体只是在自动挡的基础上增加了人为换挡的功能,其本质还是自动挡,手自一体变速箱可以使自动挡驾驶起来有那么一点乐趣。
aux接口怎么用_aux接口可以作为输出吗
电工问答2026-03-07
aux接口,就模拟音源设备的输入接口,一般是输入的单端信号(左、右声道),以区别数字输入的(opt————光纤、coax————同轴)等可以从包括mp3在内的电子声频设备输出音频。那么问题来了,aux接口可以
电工问答2026-03-07
随着人们生活水平的提高,很多家庭已经有了私家车。如果车上只有aux接口没有usb接口,想用优盘听歌,怎么通过aux接口使用优盘?本文主要介绍aux接口如何用u盘听歌及宝马AUX正确使用方法及如何正确连接,使用
毫米波雷达的工作原理及优缺点介绍
电工问答2026-03-07
毫米波雷达概念 所谓的毫米波是无线电波中的一段,我们把波长为1~10毫米的电磁波称毫米波,它位于微波与远红外波相交叠的波长范围,因而兼有两种波谱的特点。毫米波的理论和技术分别是微波向高频的延
一文读懂毫米波雷达测方位原理及优势
电工问答2026-03-07
汽车毫米波雷达基本原理 毫米波是指波长在1-10mm的电磁波,其带宽大,分辨率高,天线部件尺寸小,能适应恶劣环境。车用毫米波雷达,通常采用结构简单成本较低,适合近距离探测的FMCW(调频连续波)雷达
激光雷达和毫米波雷达的区别介绍
电工问答2026-03-07
什么是激光雷达 激光雷达,是以发射激光束探测目标的位置、速度等特征量的雷达系统。其工作原理是向目标发射探测信号(激光束),然后将接收到的从目标反射回来的信号(目标回波)与发射信号进行比较,
电工问答2026-03-07
米波雷达概述 米波雷达,其频段30~300MHz,波长为1m~10m,米波雷达属于长波雷达,它带有自己的发射机,主要用于长距离探测,对战机的威胁相对较小。对于隐形飞行器的探测是通过多批次连续开机扫描来完
aux接口怎么连接手机_aux接口连接手机步骤教程
电工问答2026-03-07
手机与AUX接口连接,就可以把手机声音通过汽车音响外放,不紧可以用免提打电话用,还可以听手机上面的MP3。
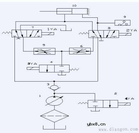
液压系统最简单原理图及常见故障分析
电工问答2026-03-07
液压系统简介 液压系统的作用为通过改变压强增大作用力。一个完整的液压系统由五个部分组成,即动力元件、执行元件、控制元件、辅助元件(附件)和液压油。液压系统可分为两类:液压传动系统和液压控制
短路开关工作原理
时间:2026-03-07
场效应晶体管开关电路
时间:2026-03-07
J-FET开关电路工作原理
时间:2026-03-07
MOS-FET开关电路
时间:2026-03-07
CMOS双向开关工作原理
时间:2026-03-07
振幅调制的传输方式
时间:2026-03-07
调幅信号的性质
时间:2026-03-07
调幅电路工作原理--高电平调幅电路
时间:2026-03-07
调幅电路工作原理--低电平调幅电路
时间:2026-03-07
检波的基本概念
时间:2026-03-07
什么是追踪缓存/转接卡?
时间:2026-03-06
瞬间抑制二极管(TVS)/瞬间抑制二极管(TVS)是...
时间:2026-03-04
什么是EPIC
时间:2026-03-06
什么是联合并行处理二级缓存?
时间:2026-03-06
什么是Speculative execution/SQRT?
时间:2026-03-06
什么是霍尔传感器
时间:2026-03-05
双向二极管起什么作用?
时间:2026-03-04
半导体材料的主要种类有哪些?
时间:2026-03-04
高级封装,高级封装是什么意思
时间:2026-03-04
数字比较器,数字比较器是什么意思
时间:2026-03-04