
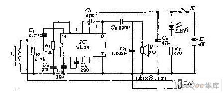
电话增音器电路
如图为电话增音器电路。电话增音器是利用电磁感应原理,能将微弱的电话声音放大,声音响亮清晰。使用电话增音器对提高长途电话,农村电话的通话质量有特别明显的效果,它还能适用于小型电话会议,便于电话记录。增音器还设置了录音插孔,便于录音机记录电话内容。
相关热词:#其它电路图
“ins”是什么意思?深入了解Instagram(ins...
时间:2026-03-15
什么是antd?antd的优势和特点
时间:2026-03-15
KDS都有哪些含义?KDS的不同含义
时间:2026-03-15
什么是NFC功能?2023年手机NFC功能的含义与...
时间:2026-03-15
Tektronix - 电驱逆变器测试 - 从电池到电驱...
时间:2026-03-15
什么是电解电容器?电解电容定义
时间:2026-03-15
信噪比是什么_深入解析信噪比
时间:2026-03-15
什么是上位机_上位机的工作原理_上位机的作...
时间:2026-03-15
oem和odm的区别
时间:2026-03-15
什么是继电保护?继电保护的原理和分类
时间:2026-03-15
彩灯电路
时间:2026-03-05
三相异步电动机的拆装详讲
时间:2026-03-04
基于逻辑门的构成解释如何完成任意逻辑的管...
时间:2026-03-08
三相异步电动机原理
时间:2026-03-04
电动机单线远程正反转控制电路图
时间:2026-03-04
转角测量电路
时间:2026-03-05
NE555的有趣电路设计分享
时间:2026-03-08
经典的正弦波发生电路
时间:2026-03-05
光耦在电子电路中作用、关键参数详解
时间:2026-03-08
从0学电路,万用表演示测量三极管方法
时间:2026-03-08