当前位置:首页 > 维修 > 正文

相电压(火线与零线之间)、线电压(火线之间)相电压是220V,线电压为什么是380V?

来源:网络  发布者:电工基础  发布时间:2026-03-10 12:41
相电压(火线与零线之间)、线电压(火线之间)相电压是220V,线电压为什么是380V?“ 我们先说明一下什么是线电压,什么是相电压:线电压是指多相供电系统中两线之间的电压,对于三相电就是三相引出线的相间电压,

相电压(火线与零线之间)、线电压(火线之间)相电压是220V,线电压为什么是380V?

“ 我们先说明一下什么是线电压,什么是相电压:

线电压是指多相供电系统中两线之间的电压,对于三相电就是三相引出线的相间电压,这三相引出线就是题主说的火线,任意两根火线之间的电压是380V。
相电压是指任意一相(火线)与零线之间的电压,为220V,也就是题主说的一根火线也零线之间的电压。
虽然三相电压任意一相(火线)与零线之间的电压为220V,但是任意两相之间的相位差为120度,下图就是相电压的矢量图,UAN,UBN,UCN分别是相电压,可以理解为线段AN,BN,CN的长度为220。

相电压(火线与零线之间)、线电压(火线之间)相电压是220V,线电压为什么是380V?


根据上文中线电压的定义,线电压是任意两相之间的电压,即UAB,UBC,UCA分别是线电压
UAB=UBN-UAN
UBC=UCN-UBN
UCA=UAN-UCN
矢量图可以标示为如下图,线电压的大小可以理解为线段BA,CB,AC的长度。

相电压(火线与零线之间)、线电压(火线之间)相电压是220V,线电压为什么是380V?


有了以上的说明,线电压与相电压的大小关系就可以转化为上图的几何关系,由于A, B, C之间相差120度,因此三角形ABN为顶角为120度的等腰三角形。根据几何关系,线段AB的长度为线段AN的1.732倍(根号3倍),即
相电压(火线与零线之间)为220V时,线电压(两根火线之间)为220V*1.732=381V(约等于380V)。”
对于以上内容有网友提到三相电源的三个绕组有两种连接方式:星形连接和三角形连接。记得上学时的确有说到这两种连接,但因于本人并不是电工,因此我不确定在我国的三相电网是不是这两种连接的电源都有?(如果有人清楚的话欢迎给我普及一下)对于这个问题,我在网上也查了一下,说法是“我国低压配电系统中,大都采用三相四线制,线电压为380V,相电压为220V,标注为380/220V”,也就是星形连接(如果是三角形连接的话线电压等于相电压)。在我们公司我接触到的三相电源线电压也是380V,相电压为220V,因此以下说明中还是以星形连接的三相电源为例,从三角函数的角度进行解释和说明。至于为相电压是220V(不包括船用或其它特殊情况),这个我认为是国家规定的,不同国家的电压是不同的,这里不作讨论。这里只讨论我国低压配电系统中的三相四线制电源中相电压是220V时,为什么线电压是380V?
由于我国的三相电源中每一相电源的电压有效值为220V,频率为50Hz,相位差为120度(2pi / 3),所以三个相电源的电压UAN, UBN, UCN用三角函数公式分别表示为:

相电压(火线与零线之间)、线电压(火线之间)相电压是220V,线电压为什么是380V?


根据上文中线电压的定义,线电压(火线之间)是任意两相之间的电压,即UAB,UBC,UCA:

相电压(火线与零线之间)、线电压(火线之间)相电压是220V,线电压为什么是380V?


上式整理后为:

相电压(火线与零线之间)、线电压(火线之间)相电压是220V,线电压为什么是380V?


从以上线电压(火线之间)的三角函数公式中可以看出,线电压的有效值为220(相电压)的根号3倍,即220*1.732=381V(约等于380V)。
222222222222222222222222222222

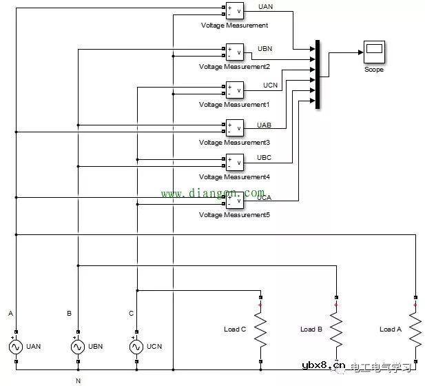
以下是用Simulink仿真的结果,与以上理解分析是一致的
相电压(火线与零线之间)仿真:

相电压(火线与零线之间)、线电压(火线之间)相电压是220V,线电压为什么是380V?


相电压(火线与零线之间)波形:

相电压(火线与零线之间)、线电压(火线之间)相电压是220V,线电压为什么是380V?


相电压(火线与零线之间)、线电压(火线之间)仿真:

相电压(火线与零线之间)、线电压(火线之间)相电压是220V,线电压为什么是380V?


相电压(火线与零线之间)、线电压(火线之间)波形:

相电压(火线与零线之间)、线电压(火线之间)相电压是220V,线电压为什么是380V?


相关热词:#电工论坛

最新文章
什么是PCA?何时应该使用PCA?什么是PCA?何时应该使用PCA?

时间:2026-04-28

仪表放大器放大倍数分析仪表放大器放大倍数分析

时间:2026-04-28

射频微波设计入门射频微波设计入门

时间:2026-04-28

变压器结构变压器结构

时间:2026-04-28

8种进行简单线性回归的方法分析与讨论8种进行简单线性回归的方法分析与讨论

时间:2026-04-28

什么是RS485通信接口什么是RS485通信接口

时间:2026-04-28

简单的上色装置简单的上色装置

时间:2026-04-26

液晶屏对比度温度补偿液晶屏对比度温度补偿

时间:2026-04-26

双输入视频多路复用的电缆驱动器双输入视频多路复用的电缆驱动器

时间:2026-04-26

带有75Ω负载的抗阻匹配线路驱动器带有75Ω负载的抗阻匹配线路驱动器

时间:2026-04-26