升压电路是电子工程师日常工作中经常会要的基本电路,在这里我们给大家带来一些升压电路资料。
比如boost升压电路是六种基本斩波电路之一,是一种开关直流升压电路,它可以使输出电压比输入电压高。主要应用于直流电动机传动、单相功率因数校正(PFC)电路及其他交直流电源中。
直流升压器
如图所示是一种构造很简单的小型直流升压器,可用来取代15V的叠层电池。电路的核心元件一变压器T使用的是袖珍验钞器的专用变压器。电路耗电约40mA,输出电压为15V。如果万用表15V电池的正极与1.5V电池的负极相接,只需将图7—70中VD1(C1、VDZ的极性调过来,这样将输出一个-15V电压)

六种常见的DC-DC升压电路
https://www.elecfans.com/article/83/2022/202212281967625.html
12v升压电路图
12v转15V、16V、18V、20V、22V、24V可调升压电路图
改变一下电阻,即可改变成15V、16V、18V、20V、22V、24V等不同类型电压值。
L1用直径2cm的磁环,1.7的聚酯漆包线紧密穿绕35匝,然后用硅橡胶密封,否则容易产生滋滋声。
同时还要注意线路的走向,否则也会产生滋滋声和因走线产生的自激引起场效应管发热和损坏,有条件的可以用UC3843的贴片元件。
L2可用废旧的节能灯上的磁环紧密绕制,无特殊要求。
MOS1可用75NF75、60N06、IRF2807(电瓶车控制器里面的功率管)。
此电路可在15--24V之间任意选择,如走线合理,元器件选择合理一般无须调试即可正常工作。

12v升压电路图汇总
https://www.elecfans.com/article/83/147/2018/20180207631432.html
Boost升压型DC-DC转换器
DC-DC转换器分为三类:Boost升压型DC-DC转换器、BUCK降压型DC-DC转换器以及 Boost-BUCK升降压型DC-DC转换器三种,如果电路低压采用DC-DC转换电路,应该是Boost升压型DC-DC转换电路,并且输入电压、输出电压都是直流电压,而且输入电压比输出电压低,基本拓扑结构如图

https://www.elecfans.com/dianlutu/dianyuandianlu/202309192250886.html
直流升压电路
直流升压就是将电池提供的较低的直流电压,提升到需要的电压值,其基本的工作过程都是:高频振荡产生低压脉冲——脉冲变压器升压到预定电压值——脉冲整流获得高压直流电,因此直流升压电路属于DC/DC电路的一种类型。
https://www.elecfans.com/soft/70/2016/20160114399444.html
Ti Boost升压电路技术资料
https://www.elecfans.com/soft/70/2017/20170915549216.html
太阳能电池升压电路的设计与仿真
https://www.elecfans.com/soft/432/2017/20170117475263.html
DC-DC升压电路的原理与应用
https://www.elecfans.com/soft/70/2018/20181207828404.html
基于MAX15258的可堆叠和交错的多相高压反相降压-升压控制器设计
https://www.elecfans.com/d/6489643.html
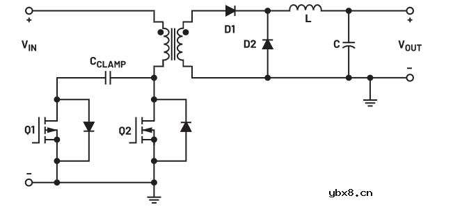
业界常用的将-48 VDC转换为正电压的PoL拓扑之一。许多电信PoL设计人员使用有源钳位正激式转换器来实现反相降压-升压设计。此外也使用其他电路形式,例如推挽式、半桥式或全桥式转换器。好处是变压器泄漏的大部分能量可以通过其近乎无损的回收方法回收。对于PoL设计人员而言,首先了解有源钳位复位固有的基本时序是非常重要的。事实上,钳位电容的尺寸选择不当可能会导致PoL占空比增加,进而造成变压器饱和,并对主开关的长期可靠性造成影响。图2显示了传统的低侧变压器复位有源钳位正激式转换器电路设计。变压器复位机制包括CCLAMP和Q1。

图2.传统的低侧变压器复位钳位有源正激设计
与有源钳位相关的一些缺点包括需要准确地确定钳位电容的大小。电容值越大,产生的电压纹波越小,但会带来瞬态响应限制。有源钳位正激拓扑需要使用先进的控制技术,以实现有源钳位和主开关栅极驱动之间的延迟时序同步。与有源钳位相关的另一个缺点是,如果未能钳位到某个最大值,增大的占空比可能会导致变压器饱和,或给主开关带来额外的电压应力,这可能造成灾难性后果。最后,有源钳位正激式转换器是单级DC-DC转换器。随着功率水平的提高(例如,5G系统中800 W设备正在成为常态),多相设计将为这些高耗电应用带来更多优势。单相转换器无法提供使用多相交错操作带来的任何收益。此外,有源钳位正激设计无法将较低输出功率设计类似的结果扩展到更高输出功率。下一节将介绍反相降压-升压转换器 MAX15258 。图3为5G宏基站或毫微微基站的RRU板电源的典型简化框图。热插拔控制器几乎普遍放在-48 VDC转换器的前面。全功能-48 VDC热插拔电源管理器的示例包括 ADM1073 和 LTC4284,都非常适合这些应用。

图3.5G宏基站电源框图
降压斩波电路+升压斩波电路详细课件
基本斩波电路主要分析降压斩波电路、升压斩波电路、升降压斩波电路、Cuk斩波电路、Sepic斩波电路和Zeta斩波电路,其中降压斩波和升压斩波是学习重点。掌握电路的结构和工作原理,能够推导出电路中的基本数量关系。
https://www.elecfans.com/d/2318302.html
UC3845搭建的升压充电泵电路
https://www.elecfans.com/dianlutu/187/202309212254000.html
解析比亚迪驱动复用升压充电原理
https://www.elecfans.com/dianlutu/187/202305312094385.html
相关热词:
电感器设计流程和见解
时间:2026-05-01
什么是触发器?触发器的作用是什么?
时间:2026-05-01
什么是电源?电源是如何进行分类的?
时间:2026-05-01
电驱动NVH的特点和结构
时间:2026-05-01
什么是霍尔传感器?
时间:2026-05-01
电负性的计算方法
时间:2026-04-30
电导的定义_电导的单位_电导怎么算
时间:2026-04-30
什么是计数器_计数器的作用
时间:2026-04-30
什么是欧姆定律_欧姆定律公式
时间:2026-04-30
RAID是什么?RAID有哪些?
时间:2026-04-30
基于逻辑门的构成解释如何完成任意逻辑的管...
时间:2026-03-08
彩灯电路
时间:2026-03-05
三相异步电动机原理
时间:2026-03-04
三相异步电动机的拆装详讲
时间:2026-03-04
NE555的有趣电路设计分享
时间:2026-03-08
光耦在电子电路中作用、关键参数详解
时间:2026-03-08
从0学电路,万用表演示测量三极管方法
时间:2026-03-08
电动机单线远程正反转控制电路图
时间:2026-03-04
转角测量电路
时间:2026-03-05
H桥电机驱动电路解析
时间:2026-03-08