今天重点就讲讲稳压管吧,这也是个非常重要的元器件,它既是二极管,还能稳压。研究它重点掌握两个部分,一是电路元件确定下如何分析稳压管电路,二是要设计一个稳压管电路时,如何合理选择电路元件。
重点 稳压管电路的分析
稳压管的伏安特性与普通二极管相类似,正向特性为指数曲线,当外加反向电压的数值大于一定程度时则击穿,击穿区的曲线很陡,几乎平行于纵轴,表现其稳压特性。只要控制反向电流不超过一定值,管子就不会过热而损坏。

对于含有稳压管的电路的分析类似于前面对二极管电路的分析。首先应该确定二极管的工作状态,然后用一个合适的模型代替原来的电路,并求出其他未知量。下图给出稳压管在不同区域的等效电路,第一象限也可以看成导线(如果稳压管看成理想)。

结合下面这张PPT,领会上图的应用吧

举两个栗子再消化一下:
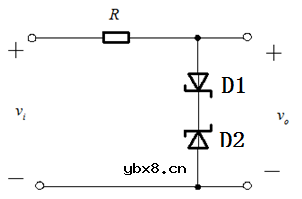
例1


分析:
观察电路,先分析输入为正半周,当D2要达到稳压时,D1肯定导通了,导通后等效于0.7V的电源,那么输入信号需要达到Vz+0.7V后,D2才稳压,稳压后输出端就等于Vz+0.7V。
那么还没达到VZ+0.7V,D2截止,因为D1和D2是串联,所以也只能是断路,输出就是输入信号。
至于负半周,那就是D1管施展稳压特性的时候了,分析和正半周一样,就不赘述了。
于是结果就有了:
例2

分析:这道题绝对是稳压管电路分析的plus版,稍不注意就会绕糊涂了。注意稳压管加正向电压时需要考虑导通和截止的临界电压,而加反向电压时需要考虑稳压和截止的临界电压。
思路:当输入为正半周时,D1有可能会导通,D2有可能会稳压,看谁先了。D1导通需要VA>4.7V,但D2稳压只需VA>3V。看来D2先稳压,等效于5V的电源,于是Vo=3V,而D1只能处于截止,不管vi如何变大。
而当输入为负半周时,D1有可能会稳压,D2有可能会导通,又要看谁先了。D1稳压需要VA<-1,D2导通则需要VA<-2.7,于是D1先出现稳压,等效于5V的电源,于是Vo=-1,那D2就导通不了,只能一直处于截止。
于是得到最终波形:

难点 稳压电路的参数选择
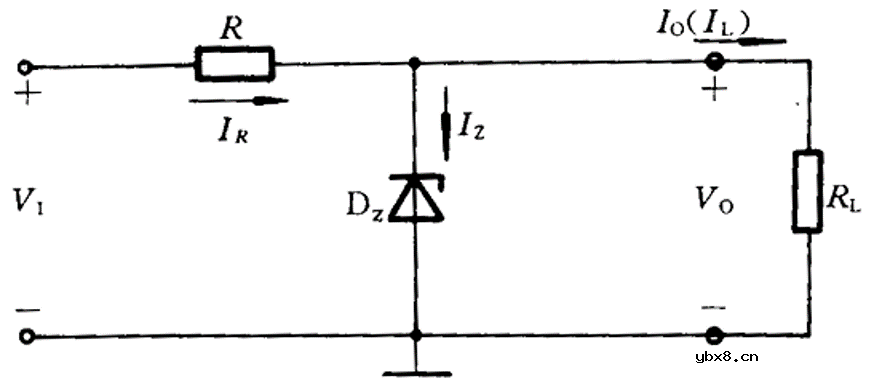
设计一个稳压管稳压电路,就是要合理的选择电路元件的有关参数,使得稳压二极管能正常工作,即稳压管的电流要在最小工作电流Izmin和最大工作电流Izmax之间,因为小于Izmin稳压管不起稳压作用,而大于Izmax稳压管可能会烧毁。并且稳压管的管耗也要保证小于最大耗散功率。

上图是典型的稳压管电路,要求在输入信号可能存在波动、或是负载电阻有变化、又或是限流电阻只能在某个范围内选择,各种变化下都要求稳压电路要正常工作。稳压电路的正常工作就是要求稳压管工作在安全工作范围内。因此需要着眼于稳压管的电流:
上面三个式子并不难理解,它涉及到输入信号、负载电阻、限流电阻和稳压管,做题时常出现(2)(3)式子中已知其中三个量,需要我们选择剩余的那个。这时可能就会有些混乱。
比如上课讲的例子

听课时觉得很有道理,但爱动脑筋的小伙伴们在下课后纷纷小窗老师,表示数学学霸不认同。理由是要求限流电阻的范围,很自然将上面的三个式子演化成如下三个式子。

怎么看都有些别扭,限流电阻最小不是应该
这样才更小吗?一开心求出了R最小是200欧姆。若是按这思路,最大还能求出1.2千欧呢,但是小电想问,既然这是你的选择,那么咱就按照题意:RL取600欧,输入电压取20V,限流电阻选200欧,数学好的小伙伴们可以求一下,这时稳压管上流过的电流是60mA,稳压管烧了。
问题出在哪里呢?数学好还有错啦?
其实问题就出在研究对象搞错了,稳压电路稳压管是主角,一切的选择得保护稳压管。
排除掉疑惑后,就可以理解这次作业题中为何求限流电阻最小值,会取负载开路的时候了,因为既然没有限制负载范围,那么完全可以取无穷大,这样IL彻底最小了呀。^_^
增加道例题练练手吧( ̄▽ ̄)~*

轻松得到答案:

该抢答题出场了
已知稳压管稳压值为6V,最小稳定电流为5mA,最大稳定电流为25mA。
问:当UI为9V,15V和35V时,输出电压为多少V?

tip: 这电路元件全都选择好的,别想复杂喽( ^▽^ )。
5v太阳能路灯电路图大全(四款5v太阳能路灯...
时间:2026-03-07
双向可控硅调光电路图大全(四款模拟电路设...
时间:2026-03-07
太阳能路灯电路设计与仿真
时间:2026-03-07
30w太阳能路灯设计方案汇总(六款太阳能路灯...
时间:2026-03-07
ne555调光电路图大全(五款模拟电路设计原理...
时间:2026-03-07
60w太阳能路灯设计方案汇总(四款模拟电路设...
时间:2026-03-07
220v双向可控硅电路图大全(八款模拟电路设...
时间:2026-03-07
单向可控硅光控电路图大全(四款模拟电路设...
时间:2026-03-07
可控硅调压器电路图大全(八款模拟电路设计...
时间:2026-03-07
单向可控硅最筒单电路图大全(四款模拟电路...
时间:2026-03-07
玻璃釉电容器的结构与特点
时间:2026-03-05
电容器入门教程
时间:2026-03-05
关于STM32WL LSE 添加反馈电阻后无法起振的...
时间:2026-03-05
暑期买元器件下单立减还送华为P30pro
时间:2026-03-05
电阻的标称阻值和允许偏差
时间:2026-03-05
使用过滤器电容器和诱导器来抑制受辐射的EM...
时间:2026-03-05
LED固晶机龙头直面“寒冬”
时间:2026-03-05
浅谈高压贴片电容分类与性能参数
时间:2026-03-05
聚四氟乙烯电容器的结构与特点
时间:2026-03-05
漆膜电容器的结构与特点
时间:2026-03-05