光敏二极管也叫光电二极管。光敏二极管与半导体二极管在结构上是类似的,其管芯是一个具有光敏特征的PN结,具有单向导电性,因此工作时需加上反向电压。无光照时,有很小的饱和反向漏电流,即暗电流,此时光敏二极管截止。当受到光照时,饱和反向漏电流大大增加,形成光电流,它随入射光强度的变化而变化。当光线照射PN结时,可以使PN结中产生电子一空穴对,使少数载流子的密度增加。这些载流子在反向电压下漂移,使反向电流增加。因此可以利用光照强弱来改变电路中的电流。常见的有2CU、2DU等系列。
首先将万用表置于R×1k档,测量红外光敏二极管的正、反向电阻值。正常时,正向电阻值(黑表笔所接引脚为正极)为3~10 kΩ左右,反向电阻值为500 kΩ以上。若测得其正、反向电阻值均为0或均为无穷大,则说明该光敏二极管已击穿或开路损坏。
万用表又称为复用表、多用表、三用表、繁用表等,是电力电子等部门不可缺少的测量仪表,一般以测量电压、电流和电阻为主要目的。万用表按显示方式分为指针万用表和数字万用表。是一种多功能、多量程的测量仪表,一般万用表可测量直流电流、直流电压、交流电流、交流电压、电阻和音频电平等,有的还可以测交流电流、电容量、电感量及半导体的一些参数(如β)等。

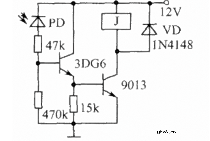
光敏二极管的应用电路



光敏接收二极管黑色3mm(红外接收二极管)
型号:PH302
红外发射光电二极管
红外发射光电二极管型号
MYS-1018
MYS-3018
光电晶体管和普通晶体管类似,也有电流放大作用。只是它的集电极电流不只是受基极电路的电流控制,也可以受光的控制。
· 光电晶体管的外形,有光窗、集电极引出线、发射极引出线和基极引出线(有的没有)。
· 制作材料一般为半导体硅,管型为NPN型,
· 国产器件称为3DU系列。
· 光电晶体管的灵敏度比光电二极管高,输出电流也比光电二极管大,多为毫安级。
· 但它的光电特性不如光电二极管好,在较强的光照下,光电流与照度不成线性关系。
· 所以光电晶体管多用来作光电开关元件或光电逻辑元件。
· 正常运用时,集电极加正电压。因此,集电结为反偏置,发射结为正偏置,集电结为光电结。
· 当光照到集电结上时,集电结即产生光电流Ip向基区注入,同时在集电极电路即产生了一个被放大的电流Ic(=Ie=(1+β)Ip)β为电流放大倍数。
因此,光电晶体管的电流放大作用与普通晶体管在上偏流电路中接一个光电二极管的作用是完全相同的。
(1)电阻测量法(指针式万用表1kΩ挡)。黑表笔接c极,红表笔接e极,无光照时指针微动(接近∞),随着光照的增强电阻变小,光线较强时其阻值可降到几kΩ~1kΩ以下。再将黑表笔接e极,红表笔接c极,有无光照指针均为∞(或微动),这管子就是好的。
(2)测电流法。工作电压5V,电流表串接在电路中,c极接正,e极接负,。无光照时小于0?3μA;光照增加时电流增加,可达2~5mA。
若用数字式万用表20kΩ挡测试,红表笔接c极,黑表笔接e极,完全黑暗时显示1,光线增强时阻值随之降低,最小可达1kΩ左右。
光敏二极管是一种能把光照强弱变化转换成电信号的半导体器件。
(1)光敏二极管的顶端有一个能射人光线的窗口.光线通过窗口照射到管芯上,在光的激发下,光敏二极管内产生大量的光电粒子.其导电能力大大增强,使内阻减小。
(2)光敏二极管和稳压二极管类似,也是工作在反向状态.须加反向电压。
(3)光敏二极管的正向电阻不随光的变化而变化,约为几千欧。其反向阻值在无光照时较大,受到光照时,其反向阻值变小,光照越强,反向电阻越小,甚至仅几百欧。去除光照条件,反向电阻立即恢复到原阻值。
(4)根据上述原理,用万用表测光敏二极管的反向电阻,边测边改变光的强弱.观察光敏二极管的反向电阻的变化。如在有光和无光时.反向电阻无变化或变化极小.说明该管已经失效。

同类库存产品有以下:
国产器件称为3DU系列
MYS-28A
MYS-28D
MYS-28F
SD1410-003L
SD1420-002L
SD1440-002L
SD1440-003
SD1440-003L
SD1440-004L
SD2410-003
SD2420-002
SD2440-002
SD2440-003
SD3410-003
SD3421-002
SD3443-002
SD3443-003
SD5410-002
SD5410-003
SD5421-002
SD5443-002
SD5443-003
SD5600-001
SD5610-001
SDP8106-001
SDP8276-001
SDP8314-301
SDP8371-001
SDP8405-002
SDP8406-003
SDP8436-002
SDP8436-003
SDP8475-201
二极管的电容效应和等效电路
时间:2026-03-07
IGBT芯片互连常用键合线材料特性
时间:2026-03-07
碲镉汞光子计数型线性雪崩探测器
时间:2026-03-07
有哪些国产优质IGBT型号可以用于高频车载正...
时间:2026-03-07
BGH75N120HF1在工商业储能PCS变流器中的应用
时间:2026-03-07
全球首款搭载320万像素SPAD传感器的超高灵敏...
时间:2026-03-07
重塑医疗保健行业的可穿戴生物传感器
时间:2026-03-07
打印机用激光二极管市场的布局与优势
时间:2026-03-07
ESD静电防护二极管你会选吗?一张表格分分钟...
时间:2026-03-07
FHA60T65A IGBT单管为何是后极逆变电路中的...
时间:2026-03-07
玻璃釉电容器的结构与特点
时间:2026-03-05
电容器入门教程
时间:2026-03-05
关于STM32WL LSE 添加反馈电阻后无法起振的...
时间:2026-03-05
暑期买元器件下单立减还送华为P30pro
时间:2026-03-05
电阻的标称阻值和允许偏差
时间:2026-03-05
使用过滤器电容器和诱导器来抑制受辐射的EM...
时间:2026-03-05
LED固晶机龙头直面“寒冬”
时间:2026-03-05
浅谈高压贴片电容分类与性能参数
时间:2026-03-05
聚四氟乙烯电容器的结构与特点
时间:2026-03-05
漆膜电容器的结构与特点
时间:2026-03-05