所谓安全继电器,并不是没有故障的继电器,而是发生故障时做出有规则动作,它具有强制导向接点结构,万一发生接点熔接现象也能确保安全,这一点与一般继电器不同。
一般什么时候会使用安全继电器呢?
1、在紧急停止解除时,机器不能出现突然再启动
2、万一机器安全电路发生故障时,可以停止机器动力电源
3、安全电路发生故障时,机器不能再启动
与普通继电器相比,安全继电器能在接点熔接时确保安全,此功能是通过安全继电器独有的强制导向接点结构来做到的。普通继电器在发生熔接的情况下,会发生a,b接点同时接通的情况。
安全继电器为了避免这种情况,在两接点下加了横轴的联动机构,可以做到当a接点发生熔接,b接点也保持0.5mm间隙,避免a,b接点同时导通的可能性,这种安全继电器都有固定的认定品标记。

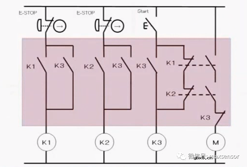
安全继电器的电路如下所示:

安全继电器选型时,需要考虑以下因素:线圈电压、接点容量、接点个数、操作频率、安装方式和外形尺寸。
线圈电压也叫额定电压,是指施加于线圈上的电压。接点容量,也可理解为继电器的开关容量,此时需要和客户确认接入的负载是阻性负载还是感性负载。最大开关频率是继电器一小时内动作的次数。接点容量对于感性负载和阻性负载是不同的。
我们介绍下感性负载和阻性负载的差异。
阻性负载:即和电源相比当负载电流负载电压没有相位差时负载为阻性(如负载为白炽灯、电炉等)。通俗一点讲,仅是通过电阻类的元件进行工作的纯阻性负载称为阻性负载。
感性负载:一般把带有电感参数的负载称之为感性负载。确切讲,应该是负载电流滞后负载电压一个相位差特性的为感性负载,如变压器,电动机等负载,称为感性负载。


安装方式有插座安装和背面安装,主要取决于插座的选择。

安全继电器种类如下:

波特率是什么意思_怎样计算波特率
时间:2026-04-21
RS485基本知识介绍
时间:2026-04-18
什么是激光雷达?激光雷达的构成与分类
时间:2026-04-18
Excelpoint - 一文了解SiC MOS的应用
时间:2026-04-18
什么是磁电阻器?磁电阻特性及应用
时间:2026-04-18
什么是电场?电场在电容器中的应用
时间:2026-04-18
什么是ARM64?
时间:2026-04-17
vga和hdmi的区别
时间:2026-04-17
什么是ESD?ESD及TVS的原理和应用
时间:2026-04-17
开关电源原理与维修完整版 (10)_标清视频
时间:2026-04-16
半导体光刻工艺 光刻—半导体电路的绘制
时间:2026-03-09
石英灯电子变压器电路原理
时间:2026-03-06
什么是室温超导?半导体时代将走向结束?芯...
时间:2026-03-09
什么是硅片或者晶圆?一文了解半导体硅晶圆
时间:2026-03-09
北京理工大学实现了光导型向平面光伏型量子...
时间:2026-03-09
HTCC:半导体封装的理想方式
时间:2026-03-06
如何利用可扩展的柔性中间层制备超低模量电...
时间:2026-03-09
NVIDIA CPU+GPU超级芯片大升级!
时间:2026-03-09
光伏控制器简介
时间:2026-03-06
电阻的原理和作用 电阻色环识别图 电路中电...
时间:2026-03-09