液位继电器可以控制水泵实现自动排水和供水,所以应用的非常广泛,今天我们就来聊一下液位继电器的接线。
每款液位继电器上都有接线图,不同品牌的液位继电器接线图稍有不同。但是原理都是一样的,2个触点对应继电器的线圈,3个触点对应液位继电器的3个液位探头,然后一组继电器输出,包含一组常开一组常闭。

我们以这两个电路为例,220伏电路和380伏电路接法是一样的。一个是单相电机一个是三相电机,所以液位继电器的线圈电压一个是220伏一个是380伏。如图所示1和8是液位继电器的线圈,5、6、7是液位继电器的高中低3个液位探头,2和3是一组常开点,4和3是一组常闭点。

供水接线
供水接线需要用到液位继电器的2和3这组常开点,当水位下降到探头低时,2和3就会导通水泵开始抽水。当水位达到探头高时,2和3复位断开电机停止,所以可以把2和3理解为一组开关。

排水电路
排水电路需要用到液位继电器的3和4这组常闭点,当水位排到探头低时,3和4这组常闭点就会断开,水泵就会停止排水。当水位升到探头高时,3和4复位闭合水泵开始排水,如此循环重复。

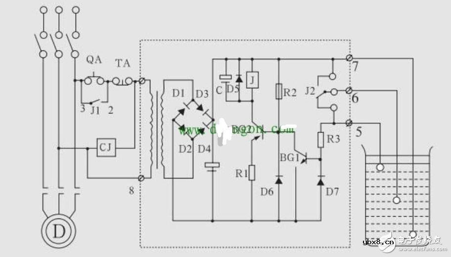
液位继电器
液位继电器的触点一般可承受5A左右的电流,如果水泵的功率低于1000瓦,也可以省去交流接触器,直接如图所示连接。

液位继电器内部电路图
总结:如果我们想接供水电路,就用液位继电器的常开点,如果我们想接排水电路,就用液位继电器的常闭点。
继电器是根据某种输入信号来接通或断开小电流控制电路,实现远距离控和保护的自动控制电器。其输入量可以是电流、电压等电量,也可以是温度、时间、速度、压力等非电量,而输出则是触头的动作或者是电路参数的变化。下面就分享一个液位继电器原理图,简单说明一下液位继电器的原理。

继电器的种类很多,按输入信号的性质分为:电压继电器、电流继电器、时间继电器、温度继电器、速度继电器、压力继电器等。按工作原理分为:电磁式继电器、感应式继电器、电动式继电器、热继电器和电子继电器等。按输出形式分为:有触点和无触点两类。按用途分为:控制用和保护用继电器等。 液位继电器是控制液面的继电器。这是一个继电器内部有电子线路。利用液体的导电性。当液面达到一定高度时继电器就会动作切断电源。液面低于一定位置时接通电源使水泵工作。达到自动控制的作用。 自动控制由传感器和控制执行机构组成。液位控制器的传感器一般是导线。利用水的导电性。水的导电性较差,不能直接驱动继电器。所以要有电子线路将电流放大,以推动继电器工作。继电器就是执行机构。
液位继电器原理图脚定义如下:2脚为供电 L ; 7脚为供电 N ;3脚为液位探针高点;1脚为液位探针低点; 5脚和8脚为液位报警输出的常闭触点。 工作原理:5脚和8脚为液位报警输出的常闭触点,当外部信号输入时,通过plc控制泵取水,通过液位判断,,当液位达到3脚时候,常闭触点打开,通过仪器分析进行取水样。当液位没有达到3引脚的时候,5引脚和8引脚液位报警输出,仪器通过信号分析,再次启动水泵取样,当连续取三次水样后,如果还没有达到3引脚液位,液位报警输出。即仪器会报警为预处理无样品。
波特率是什么意思_怎样计算波特率
时间:2026-04-21
RS485基本知识介绍
时间:2026-04-18
什么是激光雷达?激光雷达的构成与分类
时间:2026-04-18
Excelpoint - 一文了解SiC MOS的应用
时间:2026-04-18
什么是磁电阻器?磁电阻特性及应用
时间:2026-04-18
什么是电场?电场在电容器中的应用
时间:2026-04-18
什么是ARM64?
时间:2026-04-17
vga和hdmi的区别
时间:2026-04-17
什么是ESD?ESD及TVS的原理和应用
时间:2026-04-17
开关电源原理与维修完整版 (10)_标清视频
时间:2026-04-16
半导体光刻工艺 光刻—半导体电路的绘制
时间:2026-03-09
石英灯电子变压器电路原理
时间:2026-03-06
什么是室温超导?半导体时代将走向结束?芯...
时间:2026-03-09
什么是硅片或者晶圆?一文了解半导体硅晶圆
时间:2026-03-09
北京理工大学实现了光导型向平面光伏型量子...
时间:2026-03-09
HTCC:半导体封装的理想方式
时间:2026-03-06
如何利用可扩展的柔性中间层制备超低模量电...
时间:2026-03-09
NVIDIA CPU+GPU超级芯片大升级!
时间:2026-03-09
光伏控制器简介
时间:2026-03-06
电阻的原理和作用 电阻色环识别图 电路中电...
时间:2026-03-09