引言
时间继电器隶属低压电器范畴,如按分类应归入低压电器机电式控制电器类,是自动控制系统中常用的一种机床电器。就其发展史可追溯到70年代,由原传统的电动式时间继电器或用RC充电电路以及单结晶体管所完成的延时触发时间控制电路,至今已发展到广泛使用通用的CMOS集成电路以及用专用延时集成芯片组成的多延时功能(通电延时、接通延时、断电延时、断开延时、往复延时、间隔定时等)、多设定方式(电位器设定、数字拨码开关、按键等)、多时基选择(0.01s、1s、1m、1h等)、多工作模式、LED显示的时间继电器。由于其具有延时精度高、延时范围广、在延时过程中延时显示直观等诸多优点,是传统时间继电器所不能比拟的,故在现今自动控制领域里已基本取代传统的时间继电器。
国内虽然时间控制器起步较晚,但在时间继电器领域也有了长足的发展,近几年随着我国电子技术的不断发展和国内专用时间继电器芯片的大量研发及应用,在很大程度上使国内的时间继电器无论外观以及产品性能上都有较大的发展。尤其在专用芯片的基础上又采用了芯片掩膜技术,将继电器的核心部分掩膜在印制电路板上,使时间继电器从LED数码显示改为LCD液晶显示,再加上普遍采用SMD贴片电子元器件,使产品外观体积更趋小型化,产品性能更加稳定,用户在使用时可通过面板外设的拨码或功能按键进行时间或控制方式的预置,从具体使用上有些产品基本上可与国外产品进行等同互换。
典型时间继电器线路
该延时电路的核心IC是由14位二进制串行计数器/分频器构成,IC内部由振荡器和14级分频器组成,振荡器部分可由电阻Rt和电容Cr构成振荡器,产生固定的振荡频率,主振产生的矩形波可进入14级分频器,并通过10个输出端得到不同的分频系数(分频最小可得到16分频Q4,最大可得到16384分频Q14),便可得到所需的定时控制。待分频延时到达后,输出端的高电平使驱动电路三极管导通工作,从而使执行继电器工作,相应的延时触点对所需外围线路进行定时控制,IC振荡也随输出的高电平经V6使之停振。发光管V1也随继电器同时工作,起到延时到达指示。

图1 通用CMOS电路构成的电路
集成的公共清零端Cr在电路上电的同时由C4、R3组成的 微分电路上产生瞬间尖脉冲,使计数器的输出端复位清零,并同时使振荡停振。待上电瞬间结束后,振荡器开始振荡工作,电路即进入分频延时工作状态。
振荡频率f 与RC有以下近似关系f=1/2.2Rt·Cr(Vdd=10V)。如考虑振荡器的稳定性,减少由于器件参数的差异而引起的振荡周期的变化Rs>Rt(Rs=10Rt时,振荡周期基本上不随Vdd的变化而变化)为保证振荡能可靠起振。在选择Rt与Ct时应注意其条件,Rt>1KΩ,Cr>1000pf,否则很难保证振荡电路可靠起振。
在实际使用的时间继电器,往往需要控制时间连续可调,为保证时间可调,则振荡回路Rt可选择线性较好X型可调电位器。延时电容可选择稳定性好的CBB聚丙烯电容,时间继电器标牌延时刻度可根据所选择的可调电位器机械行程的偏转角度来定,从而使设定时间值(标牌刻度示值)与实际延时值相吻合,以减少设定误差。
譬如要设置10s,可将Rt选择1MΩ可调电位器,Ct可选择104 pF,输出分频端从Q10引出,则最大延时值为11S,因集成是在时钟脉冲下降沿的作用下作增量计数,则最大延时时间Tmax=2 n-1 · t= 2 10-1 ·2·2· RtCt= 2 9 ·2·2· 106×104×10-12 =11s。
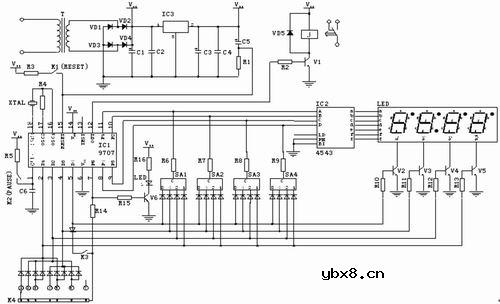
该专用芯片采用CMOS工艺,具有微功耗,抗干扰能力强(内部采用硬件编程),外配石英振荡器,多种时基选择,具有通电延时和间隔定时两种工作模式。4位延时设定,具有BCD码输出,可配译码器LED数码管驱动显示延时时间。具有延时精度高、显示直观、延时设定方便等优点。现有逐步替代常规的CMOS计时分频集成电路的趋势。

图2 时间专用芯片构成的电路
图3 Y-△电动机控制线路
在专用芯片OSC1、OSC2、OSC3外接晶振以及电阻构成并联晶体振荡器产生32768Hz主脉冲,主脉冲分别进入芯片内置的时序电路和分频器时基选择电路,使之产生时序脉冲,并在P1、P2、P3、P4输出BCD码,P5产生相应的秒脉冲。P5产生的秒脉冲在配相应的元器件后可反映时间继电器的工作状态,当延时来到时,秒脉冲可使线路的LED发光管处于闪烁状态,待延时到达后,LED为常亮状态,而在此时,D1、D2、D3、D4产生位置显示扫描脉冲以及时基脉冲。
时间设置可通过SA1、SA2、SA3、SA4拨码开关进行个、十、百、千的“8、4、2、1”设定至芯片寄存器中,以备在芯片内部比较电路中进行比较。K3与K4分别可设定工作模式和时基选择,并将设定输入到芯片内部工作模式寄存器和时基寄存器中,在芯片外部配相应的电源和7段锁存译码驱动器,则可显示延时值。当延时显示值与拨码设定值相吻合后,芯片内部所设定的比较电路工作使芯片OUT输出高电平来驱动三极管V1导通,从而使执行继电器吸合工作,延时触头对外围线路进行控制。
另外,该专用芯片有7种时基供选择,分别由D1、D2、D3与P5构成相应的二进制码来进行设定。设定选择时基可用符合下述二进制码的特制拨码开关完成,以方便用户的时基选择。如用户有特殊需求,片1 GATE还具有累加计时功能,在低电平时分频器连续工作,当接入高电平时计数器分频器暂停工作。当外接变成低电平后,计时显示又可在原计时显示基础上累加计时,从而可实现累加计时功能。图2中开关K2可实现此功能。
K3为工作模式选择,当K3接通时,时间继电器的工作模式为间隔定时,也就是当时间继电器接通工作电源后,芯片OUT输出端先输出高电平,致使内部执行继电器工作,待所设定的延时到达后OUT无高电平输出,执行继电器释放;如K3不接通,时间继电器为常规的通电延时型,工作状态与间隔定时相反。
总之,针对时间继电器的工作特点而研制的时间专用芯片有其多时基选择、时间预置方便、显示直观、时间整定误差小等优点,是常规的CMOS计数分频集成电路无法来实现的。
典型应用控制线路分析
在常规Y-△的电动机控制线路(图3)中,时间继电器的延时控制使电机在Y形启动切换至△形运行起到有效的控制。
按下Y-△控制回路启动按钮SB2,时间继电器KT得电,在得电的同时KT的瞬动触点对SB2形成自锁,KM3接触器线圈得电,KM3主触头闭合,其常开辅助触头闭合,主回路KM1接触器得电,主回路接通;KM3常闭辅助触头断开,确保接触器KM3工作时,KM2不能投入工作,此时电动机处于Y形启动状态。
当时间继电器KT延时到达后(KT的时间设置可根据所控制Y-△启动电动机的功率来设定)。时间继电器的延时常开和延时常闭触头转换,致使交流接触器KM3线圈失电,主触头断开,交流接触器KM2得电,其辅助触头对KM1、KT触点进行自锁,保证交流接触器KM2吸合工作,使电机在△形运行。
时间继电器电磁兼容性
时间继电器作为自动控制器件应用较广泛,尤其是在涉及低压电器控制网络中有较多电器设备环境中使用时电磁干扰问题更趋于严重。组成时间继电器的内部元器件的损坏这时已不是引起时间继电器故障(失效)的主要原因,而在于应用场合中的各种干扰通过电磁耦合、电容耦合直接进入时间继电器,干扰其正常的延时控制。时间继电器在此干扰环境下能否正常工作往往会影响到整个自动控制系统的正常逻辑功能,甚至还可能造成大的质量事故和经济损失。所以时间继电器在各种恶劣环境都应有较高的可靠性和抗干扰能力,也就是说时间继电器必须有良好的电磁兼容性能,只有这样才能完善其产品质量,提高自身的市场竞争能力。
在实际工作使用中,一般采用下述方法来进行抑制电磁干扰,提高其产品的抗干扰能力。采用隔离变压器,选择合适的压敏电阻,在供电输出口加高频旁路电容等方法提高产品的抗干扰能力。
当执行继电器的绕组(感性负载)被接通和断开时。线圈中会产生一连串上升速度快,频率和幅度都相当高的尖峰脉冲电磁振荡辐射,对直流继电器绕组通常采用以下方法来减少干扰:在线圈两端反并二极管或RC器件,如控制触点对交流感性负载的控制,也可考虑在触点并接RC 器件,从而能对触点在通断时产生的干扰进行有效的吸收。
屏蔽能有效地抑制通过空间传播的电磁干扰,一则可限制内部产生的电磁能辐射出去;二则可防止外来 辐射进入,在对内部电子线路采用整体屏蔽措施,也可对内部信号线采用屏蔽线,增强其抗干扰能力。
结语
时间继电器的发展,由最早的分离器件来完成的延时,现在已有专用的CMOS时间继电器芯片来替代,无论从时间精度,延时方式都有了较大的发展,尤其近几年可编程控制器(PLC)以其通用性强、灵活性好、硬件配套齐全、编程方法简单易学及可靠性高,广泛地应用自动时间控制领域,而这种PLC的使用对现有时间继电器市场已占有了相应的市场份额,而这种趋势还有逐步扩大的势态,可能在不久的将来,PLC会在自动控制领域中起到更重要的作用。
RS485基本知识介绍
时间:2026-04-18
什么是激光雷达?激光雷达的构成与分类
时间:2026-04-18
Excelpoint - 一文了解SiC MOS的应用
时间:2026-04-18
什么是磁电阻器?磁电阻特性及应用
时间:2026-04-18
什么是电场?电场在电容器中的应用
时间:2026-04-18
什么是ARM64?
时间:2026-04-17
vga和hdmi的区别
时间:2026-04-17
什么是ESD?ESD及TVS的原理和应用
时间:2026-04-17
开关电源原理与维修完整版 (10)_标清视频
时间:2026-04-16
开关电源原理与维修完整版 (11)_标清视频
时间:2026-04-16
半导体光刻工艺 光刻—半导体电路的绘制
时间:2026-03-09
石英灯电子变压器电路原理
时间:2026-03-06
什么是室温超导?半导体时代将走向结束?芯...
时间:2026-03-09
什么是硅片或者晶圆?一文了解半导体硅晶圆
时间:2026-03-09
北京理工大学实现了光导型向平面光伏型量子...
时间:2026-03-09
HTCC:半导体封装的理想方式
时间:2026-03-06
如何利用可扩展的柔性中间层制备超低模量电...
时间:2026-03-09
光伏控制器简介
时间:2026-03-06
电阻的原理和作用 电阻色环识别图 电路中电...
时间:2026-03-09
NVIDIA CPU+GPU超级芯片大升级!
时间:2026-03-09