磁饱和变压器的工作特点
1)优点:
(1)结构简单,可靠性高。
(2)电压稳定度高,稳压范围宽。在额定负载的情况下,当输入电压在额定值的±20%的范围内变化时,输出电压稳压精度可限制在±1%范围内,特别值得注意的是磁饱和变压器的稳压范围与输出负荷量有关,当输出负荷减少时,稳定范围可相应加宽, 磁饱和变压器的稳定范围与负荷量有关,这一特点是其他形式的电子稳压器所不具备的,这使得它更适用于电网电压波动大的场合,比如户外,农村山区,工矿等。
(3)磁饱和变压器具有较强的抗干扰的能力,磁饱和变压器的电路形式实际上相当于LC谐振滤波器,具有低通滤波器的特性,可以抵抗几百到几万赫兹频率的干扰。另一方面由于电源中总是含有一定的直流分量,会引起普通变压器饱和,出现涡流损耗,而设计带有磁分路气隙的电容谐振磁饱和变压器,可以最大可能降低这一危害,这点在环形变压器使用中,尤其要注意。
(4)具有普通变压器的功能。磁饱和变压器与普通降压变压器一样, 具有初级和次级隔离、变压、多路电压输出等。
(5)输出功率保护。当磁饱和变压器的输出功率超出设计功率时,其输出电压就失去稳压功能,开始出现电压跌落。与此同时输入功率并不增加,但输出短路时,输出电压为零,输出电流小于额定输出电流的1.5-2倍,而输入电流不增加,磁饱和变压器长期短路不会烧毁。这是其最重要的突出特点之一。因此得以在广播电视发射机的灯丝供电广泛应用。
2)缺点:
(1)批量产品一致性差。
(2)输出频率特性差。
(3)输出波形不好,接近方波。
(4)温升高、噪音大。
从磁化机理去认识什么是变压器的饱和
就目前的开关电源来说,磁性元器件是电源中不可或缺的器件,磁性材料的应用是为了实现用较小的元器件尺寸产生足够的磁场(电源中的通常是软磁材料——励磁和退磁较容易,如常用的硅钢片、非晶、纳米晶和铁氧体或者磁粉芯系列材料),那么磁性材料是如何表现出磁性的呢?下面描述磁性材料的磁化过程。
开关电源中‘规则磁’的便利性:
再次强调一下,我们之前提到的‘规则磁’概念,开关电源无论变压器或者电感,磁路都是被磁性材料限制的一个闭合回路,以铁磁性材料做成的电感说明,磁通或磁力线被限制在低磁阻的磁芯中,这为我们用法拉第定律或安培环路定理的计算提供了诸多便利(前几节我们推导电感公式和气隙均用到安培环路定理),如下图是环形电感中磁力线(虚线)在磁芯中分布的示意图,其中圆圈‘X’表示电流流进线圈,圆圈‘·’表示电流流出线圈,磁力线方向用右手螺旋定则可以判断。


用较小的磁化电流‘I’就可以产生相比空心电感大的多的磁通量,那么磁性材料为何有如此功效即产生磁场的能力能够大大增强,从而为减小磁性元器件的体积做出巨大贡献(试想一个空心电感如要做到微亨或毫亨,体积是可想而知),所以我们很有必要知道铁磁材料的磁化原理。
铁磁性:某些材料的磁矩的净效应远大于顺磁性或抗磁性的情况,这种现象称为铁磁性,在顺磁性或抗磁性材料中,感生或感应(磁化后)磁矩往往很微弱,无需考虑这类材料产生的附加场,对铁磁性材料来说,由外加磁场所感生或感应的磁矩会非常大,对场起着支配作用。
磁性材料的磁化:一般而言物质的磁化需要外磁场,被磁化的物质称为磁介质,前面我们提到的铁磁物质,将这类物质放置在外磁场中,感生或感应磁场会显著增强,磁场使得铁磁物质呈现磁性的现象称为铁磁物质的磁化,铁磁物质之所以能够被磁化,是因为这类物质相比于非磁性物质,在其内部存在许多自发磁化的区域(具有单一磁化方向的区域)——‘磁畴’。磁化前,如下图各个磁畴内部磁场方向,磁畴的磁场方向杂乱无章,磁畴之间的磁场是相互抵消的,对外表现不表现磁性。

磁化后,若将磁性材料放置在磁场中,我们还是用一个环形磁芯电感来举例,经过外加磁场的作用,内部各磁畴顺着磁场方向转动,加强了内部磁场或感生或感应磁场,随着磁场外磁场的增强,同外磁场方向一致的磁畴会越来越多,磁感应强度会越来越强,磁性材料对外表现了磁性,这就是磁化的过程。
极限磁化即磁化饱和:什么是极限磁化,如下图,当外部磁场增大到一定程度,铁磁材料中各个磁畴方向和外部磁场完全保持一致,所有的磁畴随着外磁场的增加已经无法在转动表现出多余的感生磁场了,这就是极限磁化,我们在变压器或电感中通常称为磁芯饱和,这里的饱和很好理解吧,其含义就是磁化达到极限的意思。如铁氧体,磁通极限或饱和密度Bs通常在0.3T~0.4T之间,这是铁氧体材料特性决定的,饱和后电感量会迅速减小,也意味着没有再产生多余感生磁场的能力了。

上面就是铁磁物质(磁性物质或良导磁材料)的磁化原理,铁磁材料或磁性材料的内部磁畴是理解磁化的关键,再者要清楚磁性材料的饱和或极限磁化,这是我们工程应用中经常碰到的问题,理解它,你才能更好地理解磁性元器件的工作状态。
接着我们再通过磁化曲线的方式来说明磁化过程中磁畴的‘转动’情况以及外磁场H和感生或感应磁场B的曲线关系。
上面我们已经提到了铁磁物质磁畴的概念,下图依然是磁畴的示意图,磁场方向杂乱无章,对外并不表现磁性。

磁性材料的磁化过程曲线描述:若将一块完全未被磁化的铁磁物质放置在磁场中,磁场强度(H)从零逐渐连续增大,测量铁磁物质的磁感应强度(B),得到磁感应强度(B)和磁场强度(H)之间的关系,并用B-H两个量绘制曲线,该曲线就称为磁化曲线,从零磁化状态到饱和的磁化曲线也称为初始磁化曲线。

如下图示是未被磁化的铁磁材料,即当外加激励磁场H=0时,铁磁材料的磁畴内部杂乱无章,对外并不表现磁性。

如下图示,当外加激励磁场H逐渐增大时,首先和外加磁场方向相近的磁畴发生‘转动’,铁磁材料表现出磁性;

如果外加磁场H继续加强,铁磁材料中与外磁场方向不同的磁畴继续‘转动’,铁磁材料表现出更强的磁性,磁畴基本都同外磁场‘趋于’相同。

随着外加磁场H的进一步加强,铁磁材料的磁畴方向和外加磁场外加完全一致,铁磁材料达到最大磁通,出现‘极限磁化’即磁芯饱和,这时候外加磁场进一步加强,但铁磁材料的磁通不会再增加,磁通密度达到最大值Bs。

以上就是铁磁材料的磁化机理表示法,弄清楚磁化机理对我们理解电感和变压器都有巨大的帮助,尤其是我们常常碰到的电感和变压器饱和问题,为什么对它们俩禁止出现饱和,这是因为饱和后,没有可转动的磁畴,磁通密度达到某种铁磁材料的最大值,如果再增大外加磁场激励,电感已经没有产生更大磁通密度的能力,也就没有阻碍电流的能力了,因此就是一条导线,这对于变压器是相当危险的一件事。
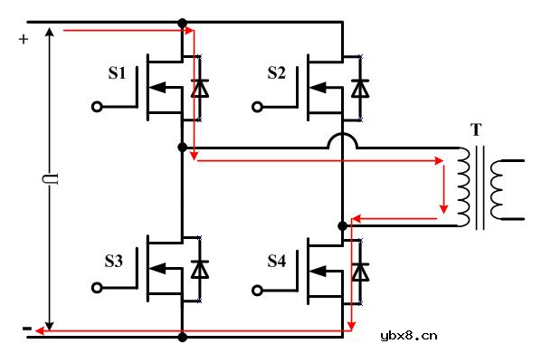
饱和举例:如下图是全桥拓扑,如‘红线’路径,假如变压器饱和,那么母线‘U’就会被短路,这时候如果没有保护措施或者保护响应时间不够,包括电路中的功率开关管、变压器线圈等会一并烧毁。

脉宽调制PWM情况下,变压器饱和导致的变压器励磁电流‘i’出现非线性增长,如图红色‘冒尖’即电流出现短路式增长。

更为严重的是,随着饱和问题的加重,红色冒尖部分会更大,随着时间的累积,功率开关如场效应管MOSFET以及变压器原边线圈(最后会因热传导伤及副边线圈)会损坏和烧毁。
所以对磁性元器件来说,不允许出现极限磁化,以防止变压器等磁性元器件出现饱和问题。
爱德CFXB系列直筒型双灯保温式自动电饭锅电...
时间:2026-03-06
爱华CFXB型保温式自动电饭锅电路图
时间:2026-03-06
半球Ⅰ型 Ⅱ型 Ⅲ型自动电饭锅电路图
时间:2026-03-06
格兰仕CFXB50-70B多功能自动电饭锅电路图
时间:2026-03-06
格兰仕CFXB50-70B豪华型多功能电饭锅电路图
时间:2026-03-06
华丰CFXB40-650B CFXB40-650C豪华西施电
时间:2026-03-06
华丰CFXB40-650D电脑式电饭锅电路图
时间:2026-03-06
乐宝、富豪CFXB4系列 CFXB-1H系列保温式自动...
时间:2026-03-06
乐宝CFXB15-6 CFXB40-6 CFXB40-2HD
时间:2026-03-06
乐宝CFXB45-6 CFXB80-6 CFXB45-2HD
时间:2026-03-06
玻璃釉电容器的结构与特点
时间:2026-03-05
关于STM32WL LSE 添加反馈电阻后无法起振的...
时间:2026-03-05
电阻的标称阻值和允许偏差
时间:2026-03-05
使用过滤器电容器和诱导器来抑制受辐射的EM...
时间:2026-03-05
瓷片电容的意义以及电容抗扰电路设计与分析
时间:2026-03-05
电容电感区别在哪里?特性差异是什么?可编...
时间:2026-03-05
浅谈高压贴片电容分类与性能参数
时间:2026-03-05
聚四氟乙烯电容器的结构与特点
时间:2026-03-05
漆膜电容器的结构与特点
时间:2026-03-05
复合介质电容器的结构与特点
时间:2026-03-05