开关变压器或储能电感线圈的极限伏秒容量VTmax参数,其实与晶体管的最大集电极电压BVceo参数一样重要。在晶体管放大电路中,当晶体管集电极与发射极两端的电压超过最大集电极电压BVceo时,晶体管就会被击穿损坏。同样,在开关电源中,当施加于开关变压器的伏秒容量(电压幅度与时间长度)超过极限伏秒容量VTmax时,开关变压器也要损坏,并且还会损坏电源开关管,及其它电路元件。
开关变压器伏秒容量的意义相当于图2-56中斜线为界的矩形面积,决定面积大小的两条边分别由开关变压器的工作电压(直流脉冲幅度)V和持续通电时间T(脉冲宽度)的乘积组成。其极限伏秒容量VTmax相当于以Vmax为一条边与τmax为另一条边所构成的面积,灰色区域部分相当于开关变压器正常工作时伏秒容量的面积。
不过这里还应强调指出,只要伏秒容量的面积没有超出极限伏秒容量的面积,V或T任何一条边分别都可以超出图2-56中所示的V或T边上的Vmax和τmax的长度。
结合图2-55和图2-56,我们可以看出,使用开关变压器时,最好让流过开关变压器线圈的最大工作电流约等于图2-55中 ,或者让开关脉冲的宽度约等于 。

当流过开关变压器线圈的最大工作电流等于图2-55中Ib 时,开关变压器线圈的电感量为最大值Lmax ;在此种情况下,开关变压器的工作效率最高,因为,此时开关变压器铁芯损耗与开关变压器线圈损耗的乘积最小(磁滞损耗与励磁电流的大小成正比,还与磁感应强度增量的平方成正比;涡流损耗与磁感应强度增量的平方成正比;铜阻的损耗与导线的长度成正比);并且,开关变压器的伏秒容量VTb与极限伏秒容量VTmax还有很大的安全距离。
目前,一般开关变压器都大量选用铁氧体磁芯为铁芯材料,这种铁氧体磁芯的磁饱和磁感应强度Bs一般为4500~5000高斯,因此,由图2-55可以看出,开关变压器铁芯的最佳磁感应强度Bb大约为磁饱和磁感应强度Bs的一半左右,即:Bb = 2300~2500高斯。因此,当使用(4)式对开关变压器初级线圈进行计算的时候,公式中最大磁感应强度Bm的取值,最好不要超过2500高斯。
由于开关变压器铁芯磁饱和磁感应强度Bs参数的分散性,用什么方法,我们才能知道开关变压器的铁芯正好就工作于最佳磁感应强度Bb的位置上呢?或者我们拿到一个开关变压器,到底应该取多大的脉冲宽度,以及占空比,或者工作频率,才合理呢?
这个必须通过对开关变压器伏秒容量的测量,才能最后作出决定,同时还可以检查开关变压器铁芯气隙长度留得是否合适。接下来随小编详细了解开关变压器伏秒容量测量方面的知识。
伏秒容量是开关变压器的一个极其重要的参数,但很多人在设计开关变压器的时候都把这个重要参数忽视了。很多人在设计开关变压器的时候,都是根据开关电源的工作频率和输出功率来计算开关变压器的初级线圈电感量,而在实际应用中,这种方法有很大的局限性,因为变压器铁心的导磁率并不是一个常数,它的初始导磁率和有效导磁率相差非常大,即变压器线圈的静态电感量和动态电感量相差很大。如图1所示,图中,B为变压器铁心的初始磁化曲线,为导磁率变化曲线,为励磁电流。
另外,单端磁化开关电源变压器一般都需要留气隙,气隙的大小对变压器线圈的电感量影响非常大,因此,有人通过调整气隙的长度来调整变压器线圈的电感量,显然这中方法是错误的。用这种方法设计出来的开关变压器,不是容易出现磁饱和就是初、次级线圈漏感过大,使开关管过流或过压损坏,并且还容易产生EMI干扰和降低工作效率。

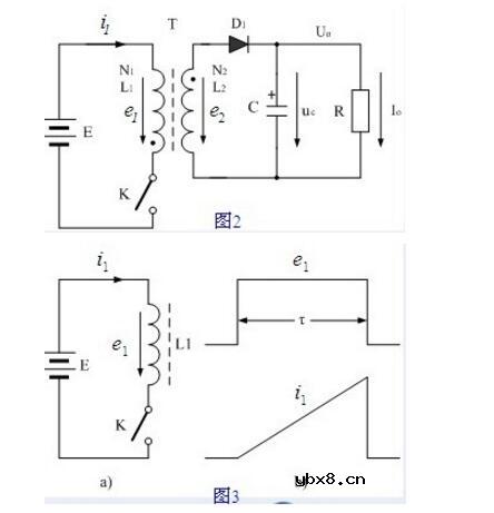
图2反激式开关电源变压器的工作原理图,由于反激式开关电源在开关接通期间,变压器只存储能量,不输出功率,因此,在开关接通期间,图2电路可以等效成图3电路。
在图3电路中,当开关接通时,电源E对电感L1进行充磁,并产生励磁电流i1,如果把L1看成是一个常数,则i1由下式表示:

很多人就是根据(2)式和(3)式来确定开关变压器初级线圈的电感量的。


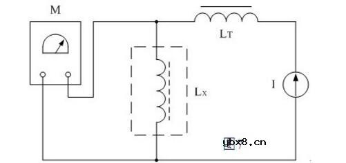
图中,M为电感测试仪,LT为隔离电感,I为电流源,LX为待测开关变压器初级线圈。LT的电感量必须远远大于被测开关变压器初级线圈的电感量,但如果电流源I是一个理想的恒流源,那么隔离电感LT可以省去。
开关变压器的伏秒容量可以用直流迭加法来测量,图7是一个对开关变压器进行伏秒容量进行测试的原理图。
电流迭加法就是在开关变压器线圈中迭加一直流电流,让开关变压器铁芯进行磁化,然后,对开关变压器的电感量进行测量,从而间接测量开关变压器线圈的最大伏秒容量VTm。VTm的定义是,当迭加直流I使电感LX的电感量减小到初始值L0的0.9倍时,开关电源变压器所对应的伏秒容量VT值。
开关变压器的最大伏秒容量VTm由下面公式求得:

式中:Im为使电感LX的电感量减小到初始值L0的0.9倍时迭加直流的对应值。
知道了开关变压器的最大伏秒容量,就可以确定变压器的最高工作电压Vm和最大脉冲宽度Ton。
从(10)式还可以看出,由于Im与Lx的值都与变压器铁芯的气隙长度有关,因此,它们三者之间必然有一个最佳值。这个最佳值我们通过测试几个样品很容易就知道。
此测试方法有一定的正交性质,因此,相对来说,试验结果会更准确和更科学。正交性就是所得结论和试验是沿着两个不同方向进行。

(9)式中E可取输入电压的最大值,τ取值可根据输入电压为最大值时对应的最小占空比Dmin和工作频率F求得。求最大伏秒容量VTm时,应把τ值换成τx,一般取τx = 1.43τ。
图9是测试最大伏秒容量时,迭加直流Im,与平均工作电流Ia、半波平均电流Iaτ1、半波最大电流Imτ1各者之间的关系。
从图中可以看出,当D=0.5时,迭加直流Im是平均工作电流Ia的5.4倍,如果在此工作状态下,初级线圈的电流密度为3A/mm2,则测试电流的密度为16.2A/mm2,因此,在测试过程中变压器初级线圈一般都发热,这正好也是校验初级线圈电流密度取得是否合适的方法。

RS485基本知识介绍
时间:2026-04-18
什么是激光雷达?激光雷达的构成与分类
时间:2026-04-18
Excelpoint - 一文了解SiC MOS的应用
时间:2026-04-18
什么是磁电阻器?磁电阻特性及应用
时间:2026-04-18
什么是电场?电场在电容器中的应用
时间:2026-04-18
什么是ARM64?
时间:2026-04-17
vga和hdmi的区别
时间:2026-04-17
什么是ESD?ESD及TVS的原理和应用
时间:2026-04-17
开关电源原理与维修完整版 (10)_标清视频
时间:2026-04-16
开关电源原理与维修完整版 (11)_标清视频
时间:2026-04-16
半导体光刻工艺 光刻—半导体电路的绘制
时间:2026-03-09
石英灯电子变压器电路原理
时间:2026-03-06
什么是硅片或者晶圆?一文了解半导体硅晶圆
时间:2026-03-09
什么是室温超导?半导体时代将走向结束?芯...
时间:2026-03-09
北京理工大学实现了光导型向平面光伏型量子...
时间:2026-03-09
HTCC:半导体封装的理想方式
时间:2026-03-06
如何利用可扩展的柔性中间层制备超低模量电...
时间:2026-03-09
光伏控制器简介
时间:2026-03-06
电阻的原理和作用 电阻色环识别图 电路中电...
时间:2026-03-09
NVIDIA CPU+GPU超级芯片大升级!
时间:2026-03-09