双变流器补偿式UPS控制研究
1 引 言
现代工业的发展对电能质量的要求越来越高,如何为电力用户提供安全可靠的“绿色”电源是目前电源研究领域的热点。随着工业的发展,电力用户对电能质量提出了更高的要求,UPS作为一种不间断供电设备,是改善电能质量的重要措施之一,也是关键设备得以正常运行的重要保证。为适应发展的要求,近年来其也在不断地进行完善和改进。先后出现了后备式、在线式、三端口在线互动式及双变流器串并联补偿式等几种结构类型的UPS。其中由Kamran和Silva提出的双变流器串并联补偿式UPS,既可以补偿非线性负载中的无功电流及谐波电流,同时还可以补偿电源电压的谐波及基波偏差,较传统双变换在线式UPS而言,输入功率因数高,输出能力强,具有综合的电能质量调节能力,是一种值得推广应用的新型UPS。目前国外UPS厂家只有美国APC公司拥有此项专利技术,在市场上已经推出Silcon DP300E系列大功率UPS;国内则刚刚处在研究的初始阶段,还有许多研究工作需要进行。
本文介绍了双变流器串并联补偿式UPS的工作原理,在此基础上讨论了此类UPS基于同步旋转坐标系下PI加重复控制的系统控制方案,实现了双变流器串并联补偿式UPS的全部控制功能。
2 系统工作原理
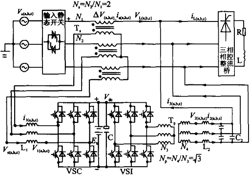
图1示出双变流器串并联补偿式UPS的工作原理图。图中变流器Ⅰ和Ⅱ都是双向AC←→DCSPWM变流器,其直流侧接蓄电池Eb(其内阻等效为理想的恒定电阻Rb)和电容C。变流器I经电感L1和变压器T输出电压Δv串接在电源电压vs和负载电压vL之间,称之为串联补偿变流器。其输出的补偿电压由两部分组成:
Δvh为谐波补偿电压,它与交流电源中的谐波电压vsh大小相等,但方向相反;Δvl为基波电压补偿量,补偿电源电压基波Δvsl与负载电压额定值vR的偏差。所以变流器I提供的补偿电压Δv既抵消vs中的谐波vsh,又补偿基波电压vsl,使负载电压vL成为与电源基波电压vsl同相的正弦波额定电压vR。
变流器Ⅱ经L2、C2滤波后并接在负载两端,称之为并联补偿变流器。若负载为非线性负载,则负载电流iL由基波有功电流iLP、基波无功电流iLQ和谐波电流iLh3部分组成。对变流器Ⅱ进行实时控制,可使它输出至负载的电压为正弦波额定电压vR,并向负载输出电流i3=iLQ+iLh+(iLP-is)。其中iLQ、iLh补偿负载无功和谐波电流,使电源仅向负载输出基波有功电流is,而负载的有功电流iLP则由交流电源(is)和变流器Ⅱ(i2d)共同提供。

由上述分析可知,在非线性负载、电源电压高于或低于额定值vR且含有谐波电压时,这种UPS通过串、并联补偿变流器的共同作用,可使负载电压vL补偿到与电源电压同相的额定正弦电压vR,避免了网侧谐波电压对负载的影响;同时电源仅输入基波有功电流is,功率因数近乎为1,克服了传统双变换在线式UPS因输入整流部分所带来的输入功率因数较低的缺点。通常电源基波电压偏离额定值小于±15%,因此变流器Ⅰ仅补偿Δv ≤±15%的额定电压,其容量仅为系统容量的20%左右。正常时,市电与双变流器共同对负载供电,两变流器的最大功率强度只有负载功率的20%,相对始终在100%负载功率下工作的传统双变换在线式UPS而言,不仅整机效率高,功率器件损耗小,寿命长,可靠性高,而且有足够的功率裕量去应付特殊的负载(冲击负载、瞬间过载等),因此输出能力得到很大的增强,相同容量的造价也降低了。一旦市电停电,变流器Ⅱ从蓄电池获取电能继续不间断的对负载供电;当电网正常后,重新恢复市电与双变流器共同对负载供电,在正确的控制策略作用下,可以实现输出电压无间隙、无突变。
3 系统的控制
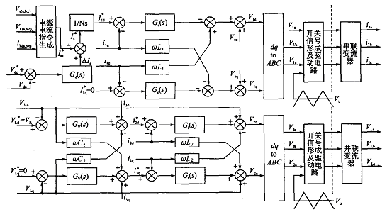
对于图1所示的双变流器串并联补偿式UPS应使得市电输入电流is是与电源基波电压vsl同相的正弦有功电流,电源供电的功率因数为1;同时负载电压vL为基波正弦电压,且vL=vR(额定值)并与vsl同相。为实现此控制目标,采用图2所示的基于同步旋转坐标系下的控制系统。
3.1、电网输入电流的控制
控制串联变流器VSC作为基波正弦电流源运行,使其桥端输出电流il为纯正弦波,则串联变流器就可以实现通过串联变压器向电网串联注入基波正弦电流is且is与isl同相,使交流电源电流中无谐波电流,无无功电流,供电功率因数为1,其控制框图如图2所示。

由于串联变流器受控为基波正弦电流源,因此,可以采用基于同步旋转坐标系下的高频PWM整流器直接电流控制方案。图3为双变流器串并联补偿式UPS控制系统电路结构,由图3可得串联变流器输入电流满足下式 (忽略电感电阻):

式中,i1d,i1q为变流器桥端输出电流i1(a,b,c)在同步旋转坐标系下的d、q轴分量,同理Vcd,Vcq为变流器电网输入电压Vc(a,b,c)的d、q分量,V1d,V1q则为控制量(即变流器桥端输出电压)。可见串联变流器桥端输出d、q轴电流除受控制量V1d,V1q的影响外,还受解耦电压ωL1i1q,ωL1i1d和串联变流器输入电网电压Vcd,Vcq的扰动影响。因此,在控制系统中引入解耦电压反馈和输入电网电压前馈,以消除它们对系统的扰动影响。
根据式(1)、式(2)可以构成如图2所示的电网输入电流控制系统。检测三相ABC系统的负载电压VL(a,b,c)、负载电流iL(a,b,c)和电源电压Vs(a,b,c),作为电源电流指令生成模块的输入。经三相静止到两相同步旋转坐标变换(ABC/dq)和低通滤波器LPF后得到与基波交流分量对应的直流分量VLd,VLq,Ilq,Isd,Vsd,Vsq。
忽略电池充电功率和系统中电感、电容、开关器件的功率损耗,由系统功率平衡可知:
则有:
式中:Psdc为交流电源输入功率;PLdc为负载有功功率;V s1为输入电源电压的基波幅值,
若考虑系统中的功率损耗,则需在I* s1中附加一增量ΔIs,其由直流母线电压调节器Gd(s)产生。指令电流I* s1反映了负载所需有功功率的大小,此值除以串联变压器变比Ns后作为串联变流器VSC的d轴电流控制指令。由于不希望电网电流中包含无功分量,因此q轴电流控制指令I* 1q=0。电流调节器Gc(s)的输出结合解耦电压反馈和电网电压前馈合成控制量V1d,V1q经两相同步旋转到三相静止坐标变换(dq/ABC)后生成三相调制电压V1a,V1b,V1c。分别与三角载波Vtr进行比较,以获得串联变流器的PWM开关控制信号,使电源电流is跟踪i*s,则可实现作为正弦电流源的串联变流器对电源电流的控制功能。
区别于高频PWM整流器,由于串联变流器的输入电网电压考虑了较大的谐波成分,因此框图中的电流调节器Gc(s)采用PID控制器。加入微分作用从而允许系统具有较高的开环增益,以提高系统的相应带宽和相角裕度,从而增进系统的稳态精度和动态响应。
3.2、输出电压的控制
控制并联变流器VSI作为基波正弦电压源运行,输出与Vs1同相的额定值正弦波电压VR,则可以实现负载电压的要求。其控制框图如图2所示,采用基于同步旋转坐标系下的电压电流双环控制方案。令并联变流器VSI经并联变压器TP后的输出电压、输出电流为V2(a,b,c),i:。。,i2(a,b,c),负载电压为VL(a,b,c),输出补偿电流为i3(a,b,c),则由图3可得到三相静止ABC系统电压、电流平衡方程式为:
利用三相静止到两相同步旋转坐标变换关系,可得到两相旋转坐标系电压、电流方程式:
由式(6)、式(7)、式(8)、式(9)可以构成如图2所示的并联变流器电压电流双环控制系统。其中电压外环指令V* Ld=VR,V* Lq=0,而内环电流指令i* 2d,i* 2q取自电压调节器Gv(s)输出、补偿电流前馈及电容电流交叉解耦电流之和,经电流调节Gi(s)作用后,结合负载电压前馈及电感电压交叉解耦电压输出并联变流器控制量V2d和V2q。控制量V2d、V2q经(dq/ABC)变换后生成三相调制电压V2a,V2b,V2c,分别与三角载波Vtr进行比较,以获得并联变流器的PWM开关控制信号,使负载电压VL跟踪V* Ld,则可实现作为正弦电压源的并联变流器对输出电压的控制功能。
根据以上控制策略,由于串联变流器受控为基波正弦电流源,电源电流is为与电源基波电压同相的正弦有功电流,从而使得非线性负载中的无功和谐波电流经并联变流器得到补偿。同时,并联变流器受控为基波正弦电压源,使负载输入电压VL为与电源基波电压Vs1,同相的正弦波额定电压VR,从而使得电源电压中的谐波与基波偏差经串联变流器得到补偿(或隔离)。
3.3、重复控制的加入
众所周知,重复控制理论是根据生产过程控制的实际需要而提出来的控制系统设计理论。由于重复控制将上一个基波周期前的误差用于当前控制量的合成,对周期性扰动具有良好的抑制能力,逐周期减小了误差,使得逆变器的输出电压逐周期地得到修正,稳态时具有很好的波形质量。所以我们在并联变流器的控制中采用了电压电流PI双环加上重复控制来控制并联变流器输出电压的波形质量。控制策略框图如图4示。
这样,系统在加入重复控制器下动态响应会比原来直接用双环PI控制慢一点,但是对整个UPS输出电压的波形质量有了大大的改善。因此我们在采取加入重复控制后,对系统进行仿真。结果证明重复控制对UPS输出电压波形确实有大大的改善,特别是对非线性负载,效果更明显。
4 系统特性仿真结果
基于上述控制方案,在MATLAB SIMULINK环境下建立了系统的数字化仿真模型,并对其工作特性进行了仿真。图1中交流电源电压Vs的基波Vs1在其额定值VR(线电压380 V/相电压220 V)的±15%范围变化。Vs中的5次谐波电压V5,7次谐波电压V7各为基波电压值的5%。负载为三相相控桥整流装置,R=9.86Ω,L=50mH,相控角α=30º,直流负载功率20kW。直流端蓄电池Eb=440V,直流电容C=3300μF。串联变压器变比Ns=2,并联变压器变比Np=3½。滤波电感L1=7mH,L2=0.3mH,滤波电容C2=70μF。系统采样频率为10 kHz,三角载波频率(开关频率)为10 kHz。
仿真结果证实:所提出的控制方案可以较好地实现双变流器串并联补偿式UPS的功能。非线性负载对负载电流iL的波形畸变及输出电压波形畸变的影响是明显的。非线性负载越重,则影响也越突出,带滤波电容的不控整流负载情况最为严重。
5 结束语
通过比较并联变流器在不同控制策略下输出电压的控制效果,显然非线性负载下,单电压环控制对于输出电压波形的控制能力是有限的;若电压环结合重复控制,利用重复控制对周期性干扰的周期性调节能力,可以有效的改善输出电压波形,其控制效果基本上和电压电流双环控制相当;而当系统采用电压电流双环再加上重复控制时,则输出电压的控制效果最好。
RS485基本知识介绍
时间:2026-04-18
什么是激光雷达?激光雷达的构成与分类
时间:2026-04-18
Excelpoint - 一文了解SiC MOS的应用
时间:2026-04-18
什么是磁电阻器?磁电阻特性及应用
时间:2026-04-18
什么是电场?电场在电容器中的应用
时间:2026-04-18
什么是ARM64?
时间:2026-04-17
vga和hdmi的区别
时间:2026-04-17
什么是ESD?ESD及TVS的原理和应用
时间:2026-04-17
开关电源原理与维修完整版 (10)_标清视频
时间:2026-04-16
开关电源原理与维修完整版 (11)_标清视频
时间:2026-04-16
半导体光刻工艺 光刻—半导体电路的绘制
时间:2026-03-09
石英灯电子变压器电路原理
时间:2026-03-06
什么是硅片或者晶圆?一文了解半导体硅晶圆
时间:2026-03-09
什么是室温超导?半导体时代将走向结束?芯...
时间:2026-03-09
北京理工大学实现了光导型向平面光伏型量子...
时间:2026-03-09
HTCC:半导体封装的理想方式
时间:2026-03-06
如何利用可扩展的柔性中间层制备超低模量电...
时间:2026-03-09
光伏控制器简介
时间:2026-03-06
电阻的原理和作用 电阻色环识别图 电路中电...
时间:2026-03-09
NVIDIA CPU+GPU超级芯片大升级!
时间:2026-03-09