多年运行经验证明,风冷变压器每年都有一定数量的风扇电动机被烧毁。除少数是机械故障原因外,多数均是因三相电源长时间缺相运行或缺相起动所致,而缺相其中绝大部分是断一相保险,或保险松动、接触不良所致。这利。情况发生无任何信号,只有巡视发现电机停转,但此时已太晚,电机已烧毁,损失已造成。故想在电机刚断相时,就能及时发出信号,就可避免烧坏电机。
电机缺相保护种类很多,但多数为单机或多机有中点出线的保护。另序保护应用最普遍,且简单可靠,但需每台电机有另相引出线。而我们做风扇电机一般无中点引出线,如每台均装一套保护,既浪费又没必要,只能在每组主变风扇总电源回路上想办法,又故因为风扇电机运行中缺相其总电流变化量很小;难以检测出来,只得从质的方面想办法。故采用负序电流检测法。为了保证足够的灵敏度,采用了晶体管放大环节,为了有一定的抗干扰能力加了延时电路,最后用开关电路动作驱动继电器。
电路工作原理
1、方根图(图1):

2、电路分析:
①负序电流滤波器(图2):
当电机正常运行时,仅有正序电流,交流输出电压UMN=UA+UC=0
当有不平衡故障(例如断相)产生时,在三相交流供电系统中除了有正序分量外,还存在负序电流分量,负序电流分量使负序电流滤波器的m、n两点有电压输出。UMN=UA+UC>O,单台电机缺相所产生的负序电流比全部电机的工作电流小得多,但是仍可检出这个负序分量。


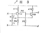
②交流放大器(图3):
因负序滤波器检出的负序电压很微弱,且代负荷能力差故增加了射极跟随器和交流放大器,将信号放到足够大,进行倍压整流滤波后送到下级的门槛电路。

③施密特电路(图4):
当有断相故障时,倍压条流电路输出位流电压高到一定程度,施密特触发器动作输出高电平,给R一C延时电路,注:W、Wl为调整定值用。

. ④延时开关电路(图5);
R一C组成延时元件起抗干扰作用。当C两端电压充至G5导通时,G6相继导通,J动作发出信号。

D为装置复归时放电二极管。
本装置安装后实验情况;
地点:牛栏山1号Tr主变风冷胜电机为对象。此主变并有散热器七组,每组内有风扇两台共14台,每台电机0.15KW。正常运行中不平衡电流造成的负序输出不大于85MV。在运行中一台电视断相,负序输出不小160MV。动作信号电压定在120MV。在启动电机时缺相负厅输出不小于250MV。
装置和可调整范围:80~250MV,
装置电源用直流12V,所内流电阻分压取得。
传动内容
1、风扇投入时装置不误动。各点电位正常,继电器吸合。
2、风扇停下,取下一台电视的一相保险,而后投入风扇电源,装置可靠动作。经6S继电器释放,其常闭接点闭合发出信号。
3、风扇运行中取了一台风扇的一保险,装置可靠动作,经6秒延时后继电器释放,继电器常闭接点法通发出信号(用常闭接点有监视装置电源作用)
4、风扇及装置正常运行中有三相电机(4。5KW)起动停止,有电焊机连续和断续焊接,装置无误动作情况。
团试验工作仓猝,电路也无反复推敲,还可待找出负序滤波器的各元件最佳数值。电路也应进一步改进,使之能达到继相下启动能自动切开电源。
另外,此种装置的也可用于其他类型的单电机或电机群上。对电机发生的不对称故障都能发出信号,起保护作用。
全图见图6。
RS485基本知识介绍
时间:2026-04-18
什么是激光雷达?激光雷达的构成与分类
时间:2026-04-18
Excelpoint - 一文了解SiC MOS的应用
时间:2026-04-18
什么是磁电阻器?磁电阻特性及应用
时间:2026-04-18
什么是电场?电场在电容器中的应用
时间:2026-04-18
什么是ARM64?
时间:2026-04-17
vga和hdmi的区别
时间:2026-04-17
什么是ESD?ESD及TVS的原理和应用
时间:2026-04-17
开关电源原理与维修完整版 (10)_标清视频
时间:2026-04-16
开关电源原理与维修完整版 (11)_标清视频
时间:2026-04-16
半导体光刻工艺 光刻—半导体电路的绘制
时间:2026-03-09
石英灯电子变压器电路原理
时间:2026-03-06
什么是硅片或者晶圆?一文了解半导体硅晶圆
时间:2026-03-09
什么是室温超导?半导体时代将走向结束?芯...
时间:2026-03-09
北京理工大学实现了光导型向平面光伏型量子...
时间:2026-03-09
HTCC:半导体封装的理想方式
时间:2026-03-06
如何利用可扩展的柔性中间层制备超低模量电...
时间:2026-03-09
光伏控制器简介
时间:2026-03-06
电阻的原理和作用 电阻色环识别图 电路中电...
时间:2026-03-09
NVIDIA CPU+GPU超级芯片大升级!
时间:2026-03-09