1 问题的提出
微机比率制动式差动保护作为变压器的主保护,能反映变压器内部相间短路故障,高压侧单相接地短路及匝间层间短路故障,它较常规保护具有灵敏度高,选择性强,接线简单等优点。因此得到广泛应用。但是,由于运行经验不足,接线错误等原因,使差动保护投入运行后又误动,严重影响了变电站安全运行。笔者曾多次参加过误动分析和处理工作,现将自己的一些经验体会与同行共享。
2 TA极性接线错误
2.1 10kV侧TA极性接错
图1错误接线如下:

图1 35kV和10kV侧TA、电流变换器T1减极性接线
差动保护电流回路接线,要求变压器35kV侧TA为减极性接线: TA一次和二次侧同极性两个线头排在同一面的接线。而变压器10kV侧TA为加极性接线; 把TA一次和二次不同极性的两个线头排在同一面的接线。
图1把变压器35kV侧TA和10kV侧TA极性都接成减极性接线。变压器在正常负荷和差动保护范围以外发生短路故障时,流进差动保护内A相、B相、C相的电流方向相同,差流为两侧TA电流之和。当差电流值大于差动保护定值时,必然引起差动保护误动作,使变压器两侧开关跳闸。
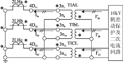
将10kV侧TA改为加极性接线见图2:

图2 10kV侧TA和电流变换器加极性接线
主变35kV侧TA为减极性接线,10kV侧TA为加极性接线。在变压器正常负荷和差保范围外发生短路故障时,流进差动保护的电流为两侧TA A相、B相、C相电流之差,差电流为不平衡电流,小于差动保护定值,所以差保不会发生误动作。只有当变压器内部和两侧TA范围以内发生短路故障时,差动保护才会有选择性动作,跳开变压器两侧开关。
2.2 TA和电流变换器T1极性接线不对应主变35kV侧TA和差保电流变换器T1极性接线都为减极性,而10kV侧TA为加极性接线,但差保电流变换器却为减极性接线,由于两者极性不对应,如图3所示。
图3接线,在变压器正常负荷和差动保护范围以外发生开路时,流进差动保护的三相电流与35kV侧TA三相电流方向相同。差电流为二者之和,当电流大于差动保护定值时,就会引起差动保护误动作。将10kV侧差保内的电流变换器按图2加极性接线,使流进差动保护的两侧电流方向相反为二者之差,使保护达到有选择性动作。
图3 10kV TA和电流变换器极性不对应接线
3 TA的误差
用于差动保护的TA,应保证在变压器正常负荷和差动保护范围以外发生短路时,TA变比误差、角差符合要求,使流进保护的差电流近似为零。但实际上甚至选用相同型号的TA,其特性曲线也总是存在某种程度的差异。这是由于钢导磁体特性不同及装配的情况不同所致。因此,使导磁体的磁阻改变,并使励磁电流改变,这就出现了TA的电流比误差和角差。选用不同型号不同容量的TA,在二次负载Z和磁饱和程度不同时,对TA误差影响更大。
当35kV侧TA选用LR-35型100/5变比的套管变流器,10kV侧也选用LR-10型200~300/5变比的套管变流时,由于套管变流器容量为15VA,在正常负荷工作状态下,TA误差较小,但在保护范围以外发生短路时,由于铁芯在已磁饱和状态下,TA误差增加,两侧TA流进差动保护的电流就相差很大,二者不平衡的电流I1p就大大增加,当差动保护定值避不开这个不平衡电流时,就会引起差动保护误动作。
差动保护应选用TA的准确等级为D级(具有较大的铁芯截面)35kV侧TA选用LRD-35型。变比为150/5或以上时,每只可单独使用。变比在100/5或以下时,可将两只串联使用。串联时,变比不变,每个线圈通过全部二次电流,其磁势等于F=2(I2W),可以增大TA的输出容量。10kV侧TA,套管变流器容量较小,伏安特性很低,应选用外附的TA。TA在投入运行前,应作极性和伏安特性变比试验,变比误差不超过10%,角差为7o,并按10%误差特性条件进行校验。
4 二次线安装质量
二次线安装质量较差。差动保护电流回路二次线在电流端子、设备端子处接触不良,差动保护在投入运行前没有认真检查。差动保护投入运行后,差动电流突变大时,造成TA二次回路断线,闭锁功能退出时,造成差动保护误动。
5 调试工作质量
5.1未进行变压器35kV侧TA相位差与平衡补偿。Y、d-II组变压器,Y侧TA电流都需要校正相位。常规接线中,35kV侧TA二次线接成d型进行校正相位,当接成人型时,应投入Y/d软件功能进行平衡补偿,但未进行。投入运行后,使差流过大,造成保护误动作。
5.2保护元件损坏,产品出厂时,全部经过严格测试,进行“老化”试验。安装后厂家应做好通电前检查工作,对差动保护功能进行传动试验,发现保护元件损坏或接线错误,必须进行更换,改成正确接线。
6 结论
对发生变压器微机差动保护误动的变电站,经厂家和运行单位按上述情况处理后,经测试运行数据准确,保护性能可靠。在以后的运行中,再未发生过差动保护误动作。
RS485基本知识介绍
时间:2026-04-18
什么是激光雷达?激光雷达的构成与分类
时间:2026-04-18
Excelpoint - 一文了解SiC MOS的应用
时间:2026-04-18
什么是磁电阻器?磁电阻特性及应用
时间:2026-04-18
什么是电场?电场在电容器中的应用
时间:2026-04-18
什么是ARM64?
时间:2026-04-17
vga和hdmi的区别
时间:2026-04-17
什么是ESD?ESD及TVS的原理和应用
时间:2026-04-17
开关电源原理与维修完整版 (10)_标清视频
时间:2026-04-16
开关电源原理与维修完整版 (11)_标清视频
时间:2026-04-16
半导体光刻工艺 光刻—半导体电路的绘制
时间:2026-03-09
石英灯电子变压器电路原理
时间:2026-03-06
什么是硅片或者晶圆?一文了解半导体硅晶圆
时间:2026-03-09
什么是室温超导?半导体时代将走向结束?芯...
时间:2026-03-09
北京理工大学实现了光导型向平面光伏型量子...
时间:2026-03-09
HTCC:半导体封装的理想方式
时间:2026-03-06
如何利用可扩展的柔性中间层制备超低模量电...
时间:2026-03-09
光伏控制器简介
时间:2026-03-06
电阻的原理和作用 电阻色环识别图 电路中电...
时间:2026-03-09
NVIDIA CPU+GPU超级芯片大升级!
时间:2026-03-09