近期,有位老哥提到电流互感器接线的问题,其实,关于电流互感器接线,前篇当中有过介绍,介绍了互感器的几种典型接线,包括三相完全星形和两相不完全星形,还有两相差动接线和三相角形接线。




想看看的朋友,可以往前翻翻,不过,也可以百度一下视频,类似的视频多的是。
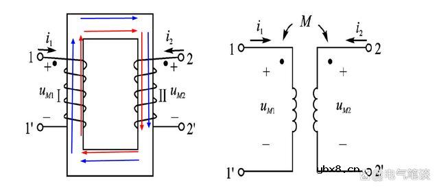
一组电流互感器,就两组线圈,四个头,一次俩,二次俩,一次的两个头叫P1、P2,也有的叫L1、L2,二次的两个头叫s1、s2,也有的叫k1、k2,就像一个人有两个名,一个大名,一个小名,如此而已,别把它搞复杂了。

要弄明白电流互感器如何接线,首先得理解一个名词,就是同名端,这之前也提过,今天再拿出来提一下。所谓同名端,是指当两个互感线圈通入电流,所产生的磁通方向相同时,两个线圈的电流流入端称为同名端,反之为异名端。
举个例子,有两个磁通相交链的线圈,分别通以交变电流i1、i2,在某一时刻,它们的方向如图上图。此时,1端子为电流i1流入端,根据右手螺旋定则,此时线圈L1产生的磁通方向向上;同时,2端子为电流i2流入端,根据右手螺旋定则,此时线圈L2产生的磁通方向向下。所以,1和2是一对同名端。

在交变电流中,大小与方向随时变化的,某一时刻,一、二次线圈必定会出现同时为高电位或低电位的两个端头,同为高电位或低电位的对应端就是同名端,这也是引入同名端这个名词的原因。
通常情况下,P1与s1,P2与s2就是一对同名端。某一时刻,电流由P1端流入,P2端流出,二次侧电流从s1端流出,接入负载,再由负载返回至s2端,s2端接地。

那么,再考虑一下非通常情况下的情况,从P2进,P1出,是不是可行哪?不可否认,当然是可行的了,只不过,二次侧也要做出对等的转变,从s2进负载,再由负载回至s1,s1接地。这种情况,适合于下进线的电源,也就是由电源流向母线。
怎么办?恶意Word文档病毒开始蔓延到MacBoo...
时间:2026-03-06
无边框设计!苹果最新版iPad Pro又将打造何...
时间:2026-03-06
亲民新品炫龙1050ti游戏本 学生党最爱的本本
时间:2026-03-06
苹果新一代MacBook Pro曝光!将有三款MacBo...
时间:2026-03-06
苹果最新一代MacBook Pro升级机型信息曝光 ...
时间:2026-03-06
全新ThinkPad P51、P51s和P71三机同发:配置...
时间:2026-03-06
2017最值得入手的商务笔记本全新Air Book颜...
时间:2026-03-06
4K屏降临!惠普旗舰超极本幽灵系列Spectre ...
时间:2026-03-06
笔记本电脑什么牌子好?联想ThinkPad最实用...
时间:2026-03-06
商用笔记本Air Book, 职场必备。
时间:2026-03-06
玻璃釉电容器的结构与特点
时间:2026-03-05
关于STM32WL LSE 添加反馈电阻后无法起振的...
时间:2026-03-05
电阻的标称阻值和允许偏差
时间:2026-03-05
浅谈高压贴片电容分类与性能参数
时间:2026-03-05
聚四氟乙烯电容器的结构与特点
时间:2026-03-05
漆膜电容器的结构与特点
时间:2026-03-05
复合介质电容器的结构与特点
时间:2026-03-05
瓷介电容器的结构与特点
时间:2026-03-05
电解电容器的结构与特点
时间:2026-03-05
电解电容的型号
时间:2026-03-05