电工问答2026-03-06
什么是File 英文原义:File Protocol 中文释义:本地文件传输协议 注 解:File协议主要用于访问本地计算机中的文件,就如同在Windows资源管理器中打开文件一样。
嵌入式MCU电路设计详解 —电路图天天读(20...
时间:2026-03-07
嵌入式无线监测仪系统电路设计详解 —电路图...
时间:2026-03-07
解读三种嵌入式系统控制电路设计 —电路图天...
时间:2026-03-07
嵌入式数据采集与终端电路设计详解 —电路图...
时间:2026-03-07
驱动与耦合电子电路设计详解 —电路图天天读...
时间:2026-03-07
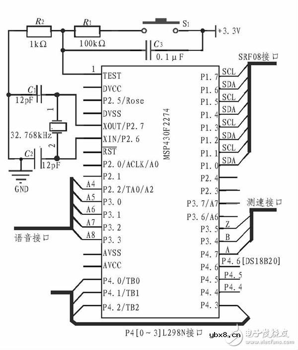
智能小车主控系统电路设计图剖析 —电路图天...
时间:2026-03-07
CAN总线与MSP430红外检测系统电路
时间:2026-03-07
汽车电子电路设计图集锦 —电路图天天读(2...
时间:2026-03-07
智能电表硬件电路设计图详解 —电路图天天读...
时间:2026-03-07
智能语音播报系统电路设计详解 —电路图天天...
时间:2026-03-07
什么是追踪缓存/转接卡?
时间:2026-03-06
瞬间抑制二极管(TVS)/瞬间抑制二极管(TVS)是...
时间:2026-03-04
什么是EPIC
时间:2026-03-06
什么是联合并行处理二级缓存?
时间:2026-03-06
什么是Speculative execution/SQRT?
时间:2026-03-06
什么是霍尔传感器
时间:2026-03-05
双向二极管起什么作用?
时间:2026-03-04
半导体材料的主要种类有哪些?
时间:2026-03-04
高级封装,高级封装是什么意思
时间:2026-03-04
数字比较器,数字比较器是什么意思
时间:2026-03-04