电工问答2026-03-06
富士通今年五月份展示的TH40D平板即将在日本发布,时间是7月22日,售价大约1000美元。这是一款10.1英寸的产品,厚度为17.4mm,重1.1kg,有一个滑盖QWERTY键盘,这让它看上去像一台上网本。
XJ3系列断相与相序保护继电器型号及含义
时间:2026-03-06
热过载继电器型号含义
时间:2026-03-06
闪光继电器工作原理_闪光继电器怎么接线
时间:2026-03-06
24v继电器工作原理
时间:2026-03-06
时间继电器符号及含义
时间:2026-03-06
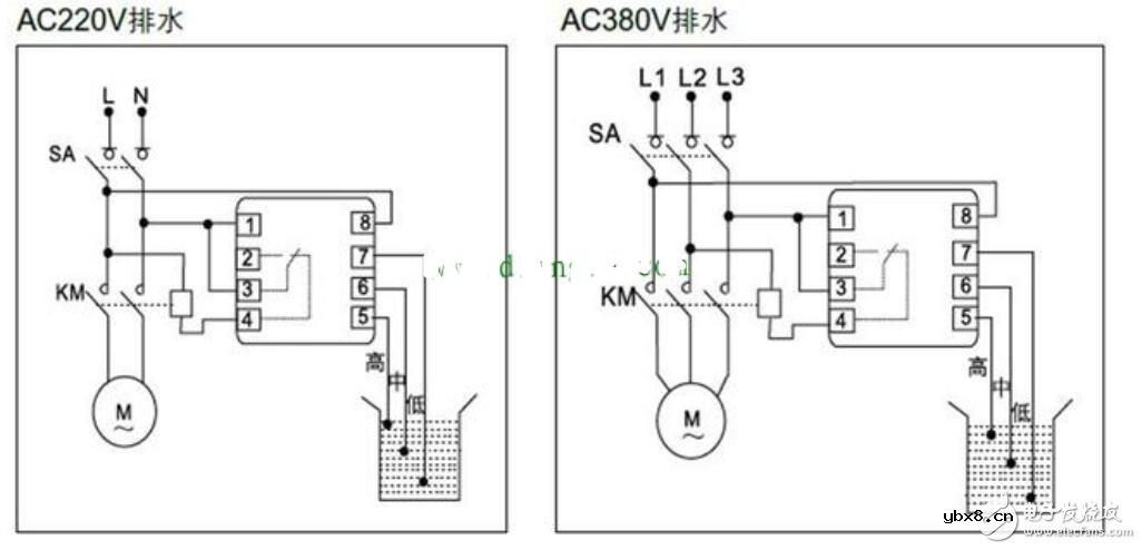
液位继电器的接线方法及工作原理
时间:2026-03-06
继电器的作用和原理
时间:2026-03-06
辅助继电器作用_辅助继电器的分类
时间:2026-03-06
断电延时继电器工作原理图解
时间:2026-03-06
断电延时继电器接线图_断电延时继电器接法
时间:2026-03-06
瞬间抑制二极管(TVS)/瞬间抑制二极管(TVS)是...
时间:2026-03-04
什么是追踪缓存/转接卡?
时间:2026-03-06
什么是EPIC
时间:2026-03-06
什么是联合并行处理二级缓存?
时间:2026-03-06
什么是Speculative execution/SQRT?
时间:2026-03-06
双向二极管起什么作用?
时间:2026-03-04
什么是霍尔传感器
时间:2026-03-05
数字比较器,数字比较器是什么意思
时间:2026-03-04
常用整流二极管型号大全
时间:2026-03-04
S/HS固态继电器原理简介
时间:2026-03-04