电工问答2026-03-05
在 21 世纪,理想的目标是完全消除网络电缆的使用,并生活在一个一切都以无线方式管理的世界中。没有电缆的困扰,管理服务器会容易得多,我们也不必浪费时间标记和跟踪数百条电缆。
超声测距系统的回波信号检测电路
时间:2026-03-06
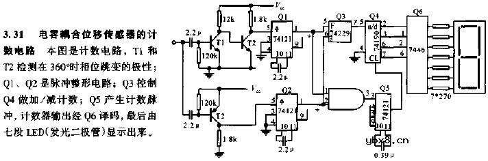
电容耦合位移传感器的计数电路
时间:2026-03-06
电容器式位移传感器应用电路
时间:2026-03-06
电容式接近传感器电路
时间:2026-03-06
光源驱动电路
时间:2026-03-06
压磁型力传感器的电路
时间:2026-03-06
轴承间隙检测电路
时间:2026-03-06
微弱光检测的电路设计
时间:2026-03-06
放大器的共模抑制比的定义
时间:2026-03-06
输入阻抗和输出阻抗的基本知识
时间:2026-03-06
瞬间抑制二极管(TVS)/瞬间抑制二极管(TVS)是...
时间:2026-03-04
什么是EPIC
时间:2026-03-06
什么是追踪缓存/转接卡?
时间:2026-03-06
什么是Speculative execution/SQRT?
时间:2026-03-06
什么是联合并行处理二级缓存?
时间:2026-03-06
什么是霍尔传感器
时间:2026-03-05
技术前沿:让我们来谈一谈封装
时间:2026-03-05
半导体材料的主要种类有哪些?
时间:2026-03-04
高级封装,高级封装是什么意思
时间:2026-03-04
数字比较器,数字比较器是什么意思
时间:2026-03-04